GM Service Manual Online
For 1990-2009 cars only
Makes
🢒
Chevrolet
🢒
2004
🢒
Corvette
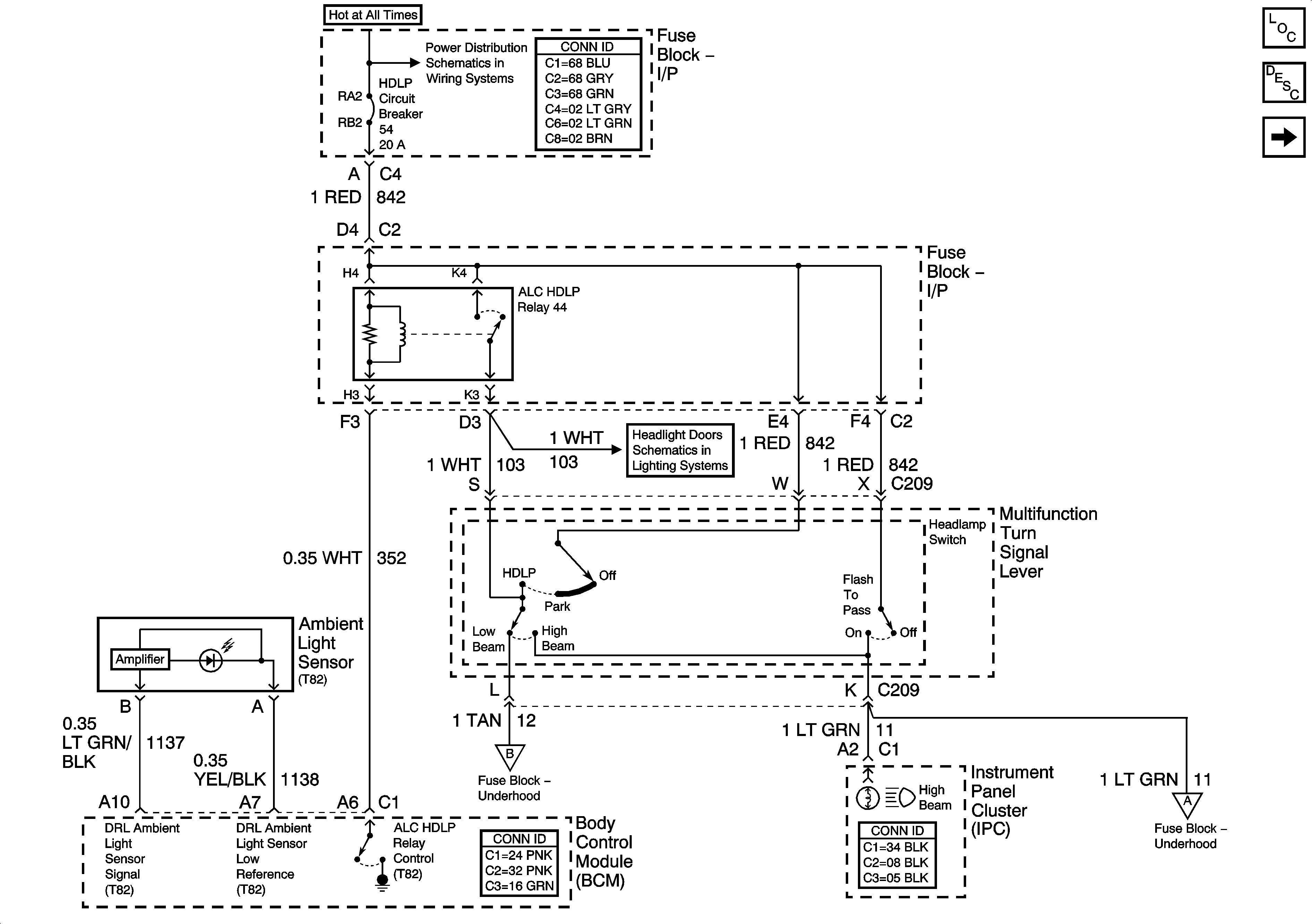
🢒 Headlamp Control
Headlamp Control
Headlamp Control
Master Electrical Component List
Exterior Lighting Systems Description and Operation
Headlamps
Fuse Block-I/P Bussing (2 of 2)
Headlamp Opening Door Actuator Control Module Inputs
Headlamps
Headlamps