GM Service Manual Online
For 1990-2009 cars only
Makes
🢒
Chevrolet
🢒
2004
🢒
Corvette
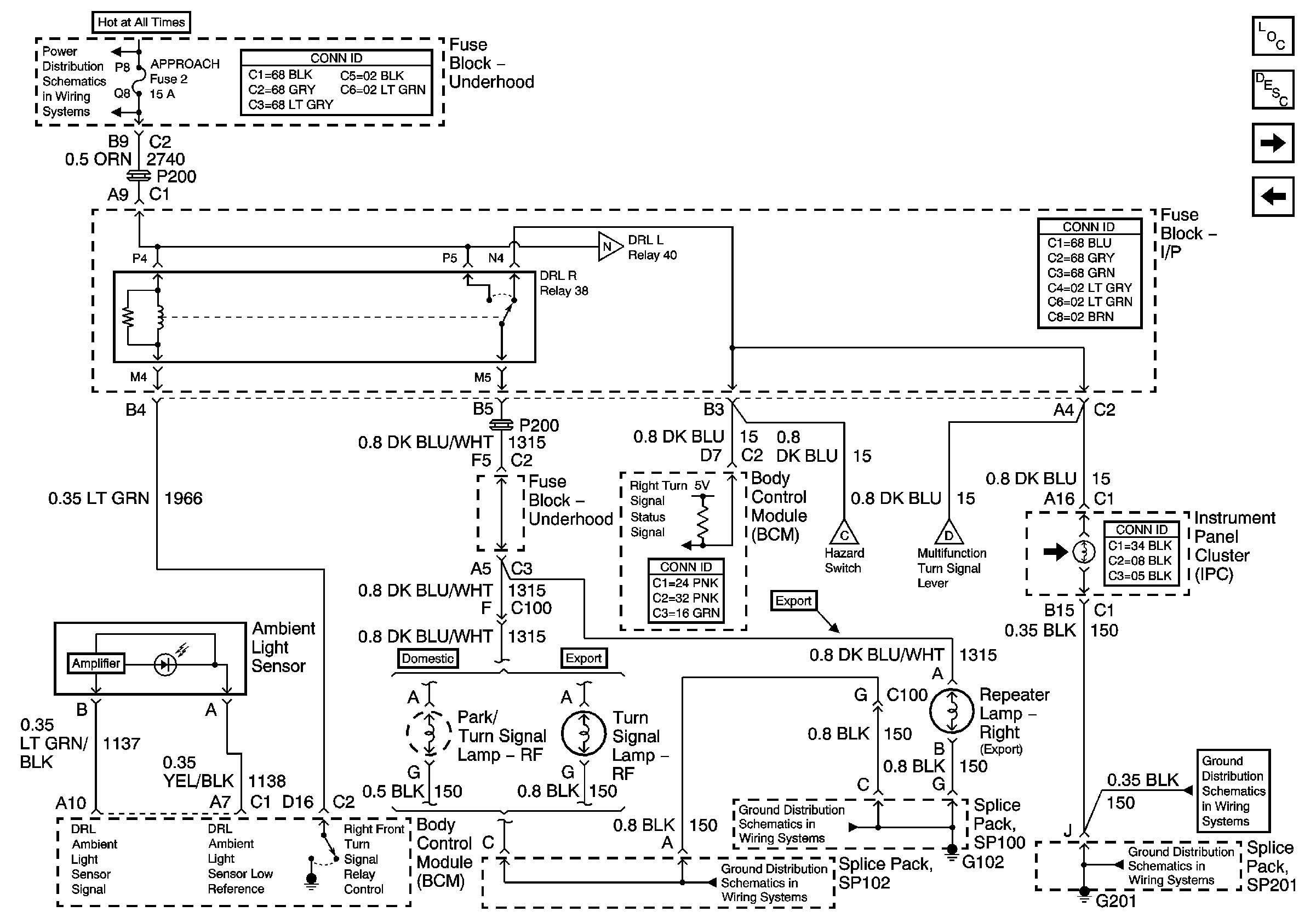
🢒 Ambient Light Sensor and RF Turn Signal Indicators
Ambient Light Sensor and RF Turn Signal Indicators
Ambient Light Sensor and RF Turn Signal Indicators
Master Electrical Component List
Exterior Lighting Systems Description and Operation
LF Turn Signal Indicators
Hazard Warning Switch and Turn Signal Switch
Fuse Block-Underhood Bussing 1 of 2
LF Turn Signal Indicators
G101 and G102
G104
Hazard Warning Switch and Turn Signal Switch
Hazard Warning Switch and Turn Signal Switch
G201
G201