GM Service Manual Online
For 1990-2009 cars only
Makes
🢒
Chevrolet
🢒
2004
🢒
Corvette
🢒 Temperature, Fuel and Oil Pressure Gauges
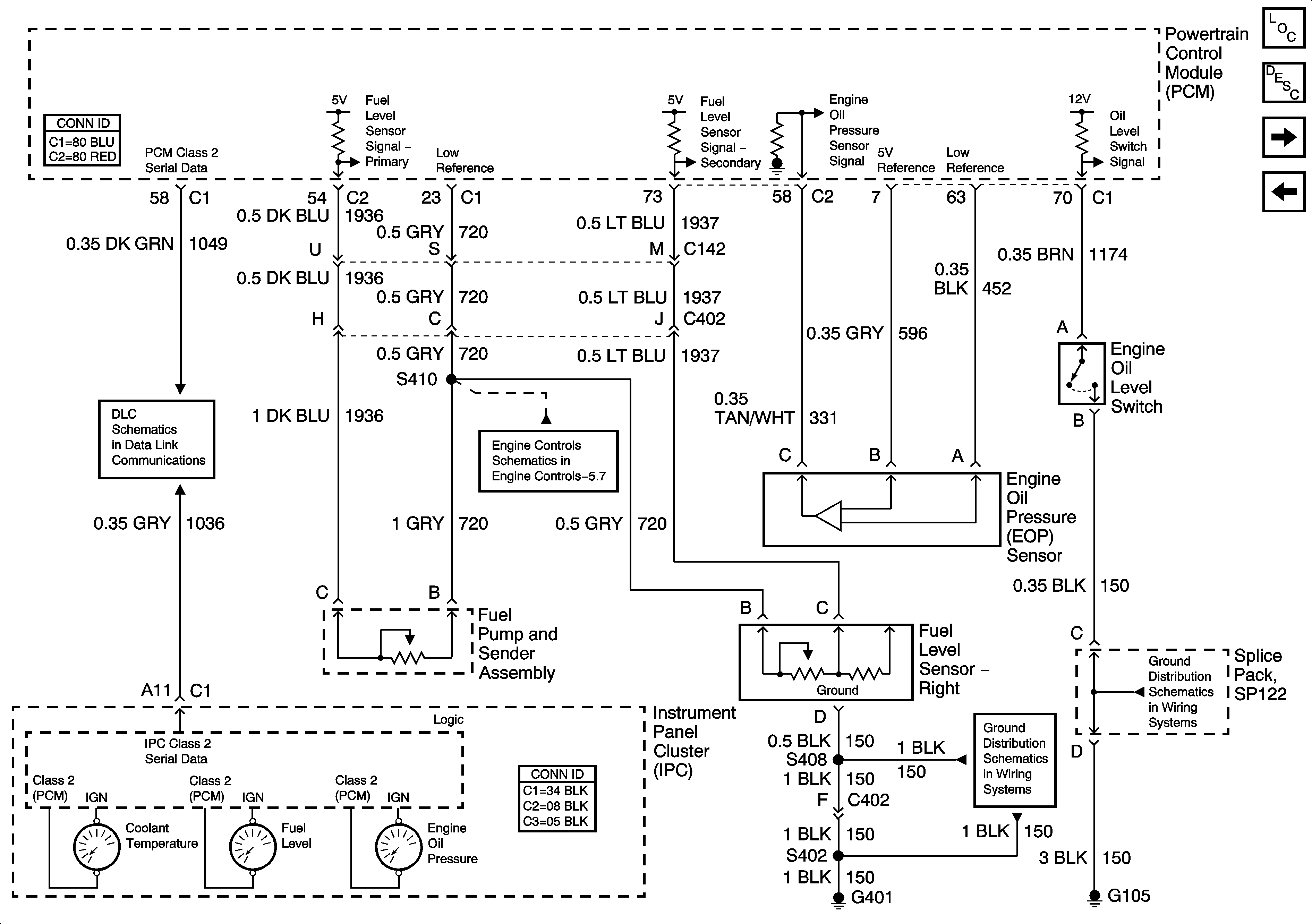
Temperature, Fuel and Oil Pressure Gauges
Temperature, Fuel Level (w/o FFS) and Oil Pressure Gauges
Master Electrical Component List
Instrument Cluster Description and Operation
Driver Information Center, Engine Oil Temperature Gauge Sensor and Dimmer Switch
Indicators
Star Connectors
Fuel Controls - Evap Controls
G401
G106 and G105