GM Service Manual Online
For 1990-2009 cars only
Figure 1:

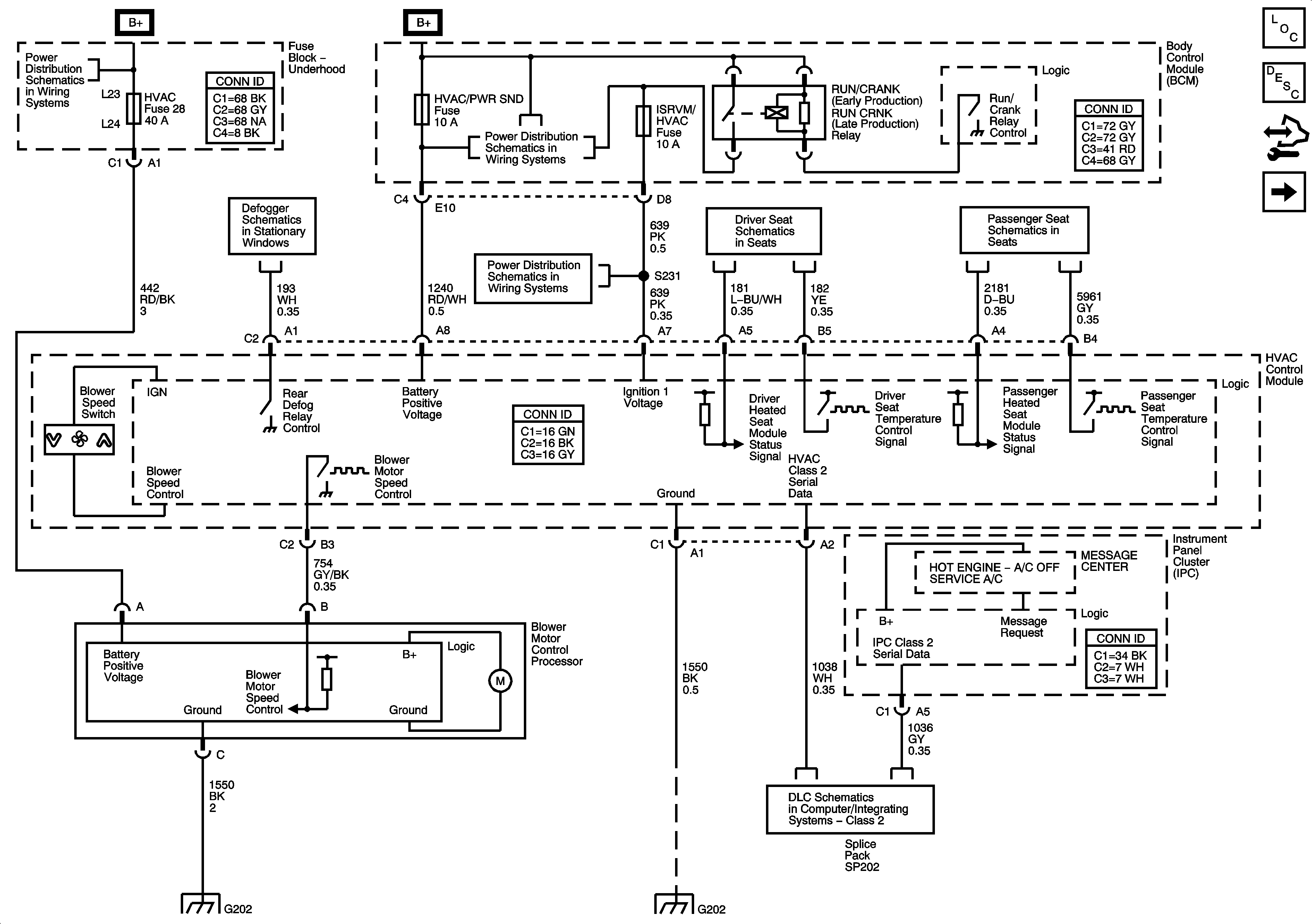
Blower Controls, DLC, Ground, MIL, Power, and Subsystem References


Object Number: 1407306  Size: FS
Master Electrical Component List
Air Delivery Description and Operation
Control Module References
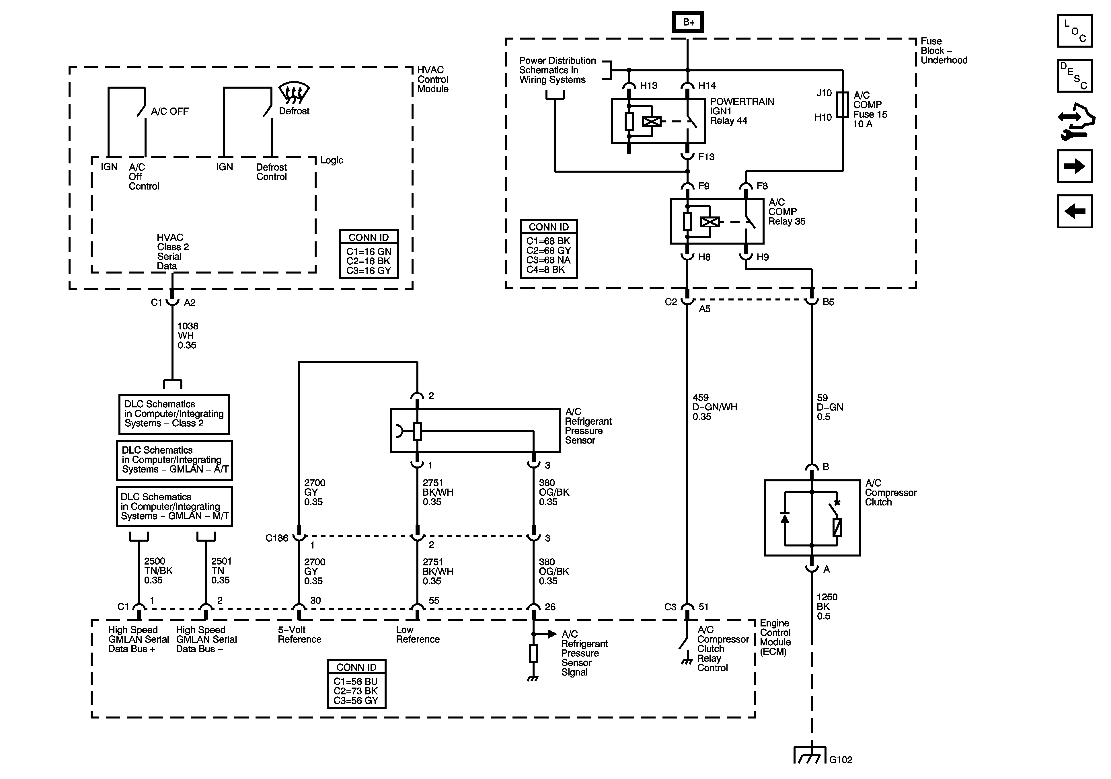
Compressor Controls
Fuse Block-Underhood Fuses; COOL FAN, AMP, HVAC, ABS, MRRTD, ECM/TCM, HORN, BATT2
BCM Fuses; CLUSTER, DOOR LOCKS, INTERIOR LIGHTS, HVAC/PWR SND, ISRVM/HVAC, CRUISE SW
BCM Fuses; CLUSTER, DOOR LOCKS, INTERIOR LIGHTS, HVAC/PWR SND, ISRVM/HVAC, CRUISE SW
Defogger Schematics
Heated Seat (KA1)
Heated Seat (KA1)
G202 1 of 2
G202 1 of 2
Class 2
Figure 2:

Compressor Controls


Object Number: 1407307  Size: FS
Master Electrical Component List
Air Delivery Description and Operation
Control Module References
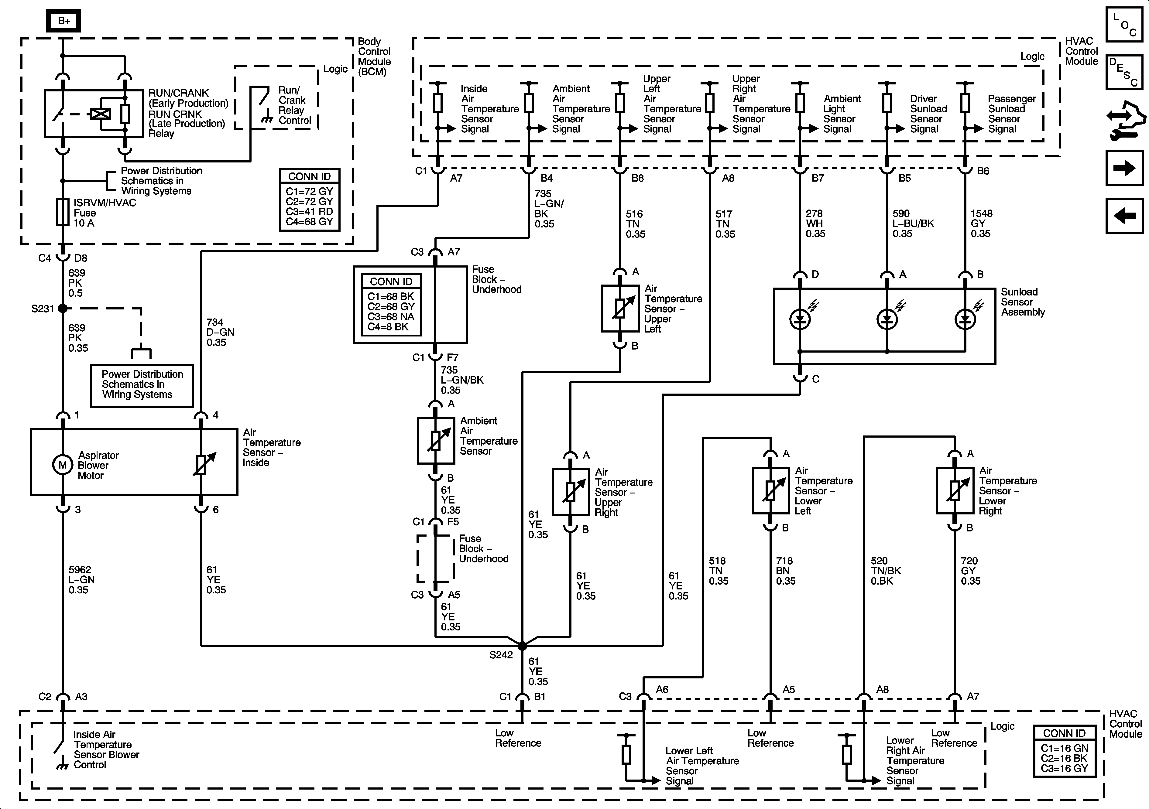
Temperature Sensors
Blower Controls, DLC, Ground, MIL, Power and Subsystem References
Fuse Block-Underhood Fuses; ETC, O2 SEN, MAN TRANS, EMISSION, ODD INJ, EVEN INJ
Class 2
GMLAN - A/T
GMLAN - M/T
G102
Figure 3:

Temperature Sensors


Object Number: 1407308  Size: FS
Master Electrical Component List
Air Delivery Description and Operation
Control Module References
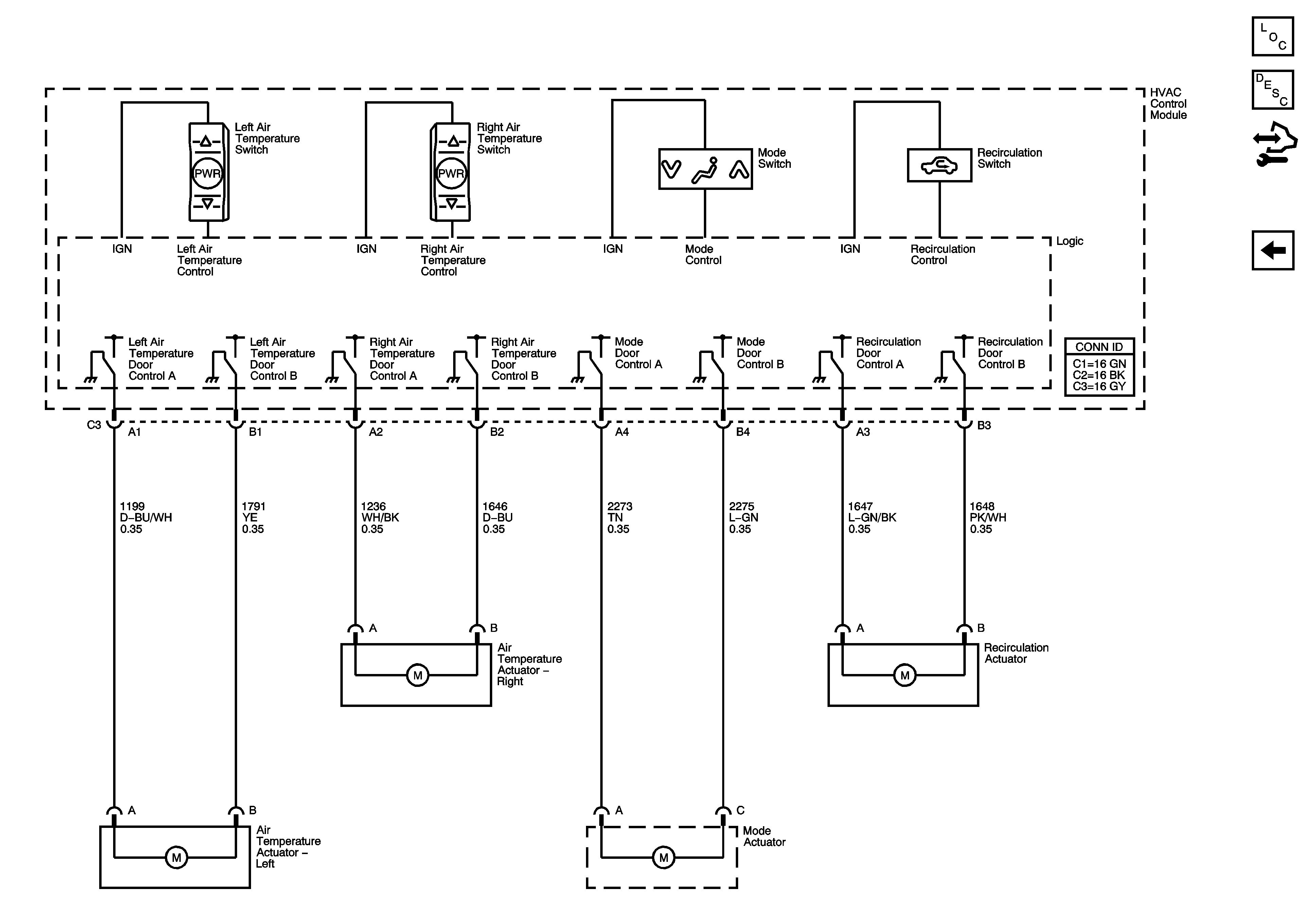
Actuators
Compressor Controls
BCM Fuses; CLUSTER, DOOR LOCKS, INTERIOR LIGHTS, HVAC/PWR SND, ISRVM/HVAC, CRUISE SW
BCM Fuses; CLUSTER, DOOR LOCKS, INTERIOR LIGHTS, HVAC/PWR SND, ISRVM/HVAC, CRUISE SW
Figure 4:

Actuators


Object Number: 1407309  Size: FS
Master Electrical Component List
Air Delivery Description and Operation
Control Module References
Temperature Sensors