GM Service Manual Online
For 1990-2009 cars only
Makes
🢒
Chevrolet
🢒
2005
🢒
Corvette
🢒
Vehicle Control Systems
🢒
Vehicle DTC Information
🢒 Instrument Cluster Schematics
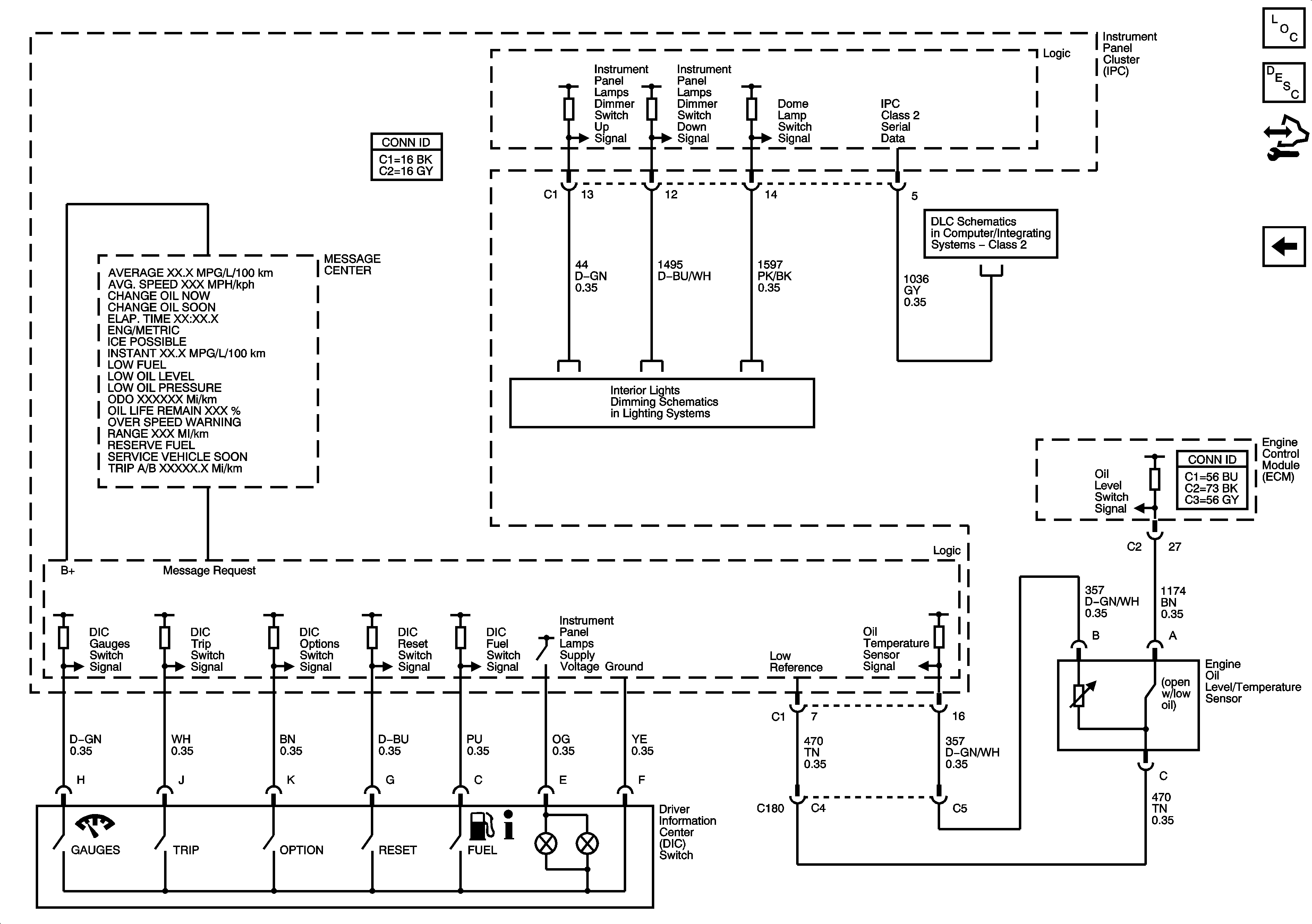
Figure
1:
Power, Ground, DLC and Indicators
Master Electrical Component List
Instrument Cluster Description and Operation
Control Module References
Gages
BCM Fuses; CLUSTER, DOOR LOCKS, INTERIOR LIGHTS, HVAC/PWR SND, ISRVM/HVAC, CRUISE SW
BCM Fuses; CLUSTER, DOOR LOCKS, INTERIOR LIGHTS, HVAC/PWR SND, ISRVM/HVAC, CRUISE SW
Brake Warning System Schematic
Park Lamp Control, Front Park, Marker and Position Lamps
Hazard, Stop Lamps, and Turn Signal Inputs
DLC, Ground, MIL and Power
G201
Wiper/Washer Switch, Washer Pumps and Level Switch
Class 2
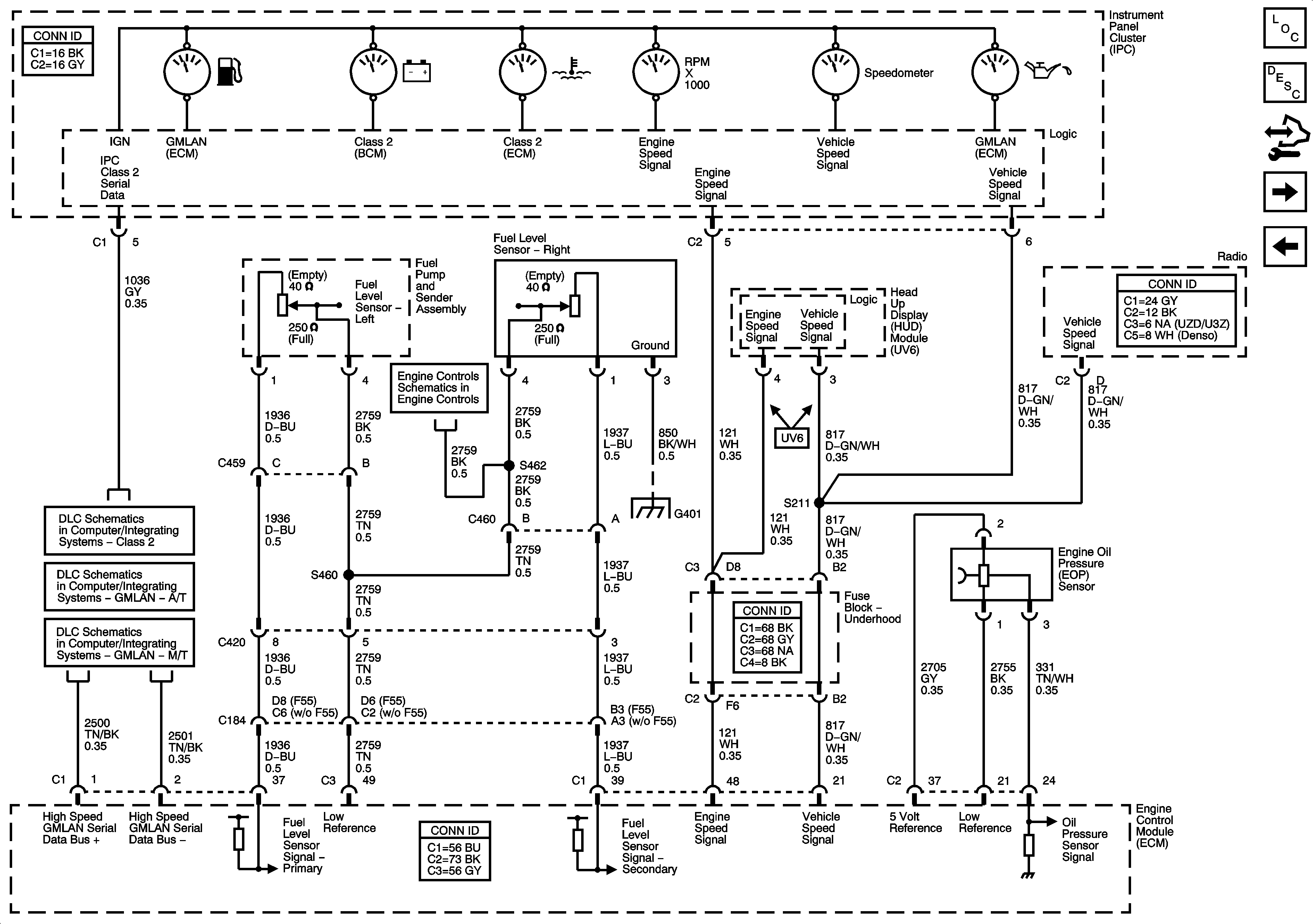
Figure
2:
Gages
Master Electrical Component List
Instrument Cluster Description and Operation
Control Module References
Messages
Power, Ground, DLC and Indicators
Low Reference Bussing
Class 2
G302, G401 and G402
GMLAN - A/T
GMLAN - M/T
Figure
3:
Messages
Master Electrical Component List
Instrument Cluster Description and Operation
Control Module References
Gages
Dimmer Controls, IPC, DIC and Switches
Class 2