GM Service Manual Online
For 1990-2009 cars only
Makes
🢒
Chevrolet
🢒
2005
🢒
Corvette
🢒
Vehicle Control Systems
🢒
Vehicle DTC Information
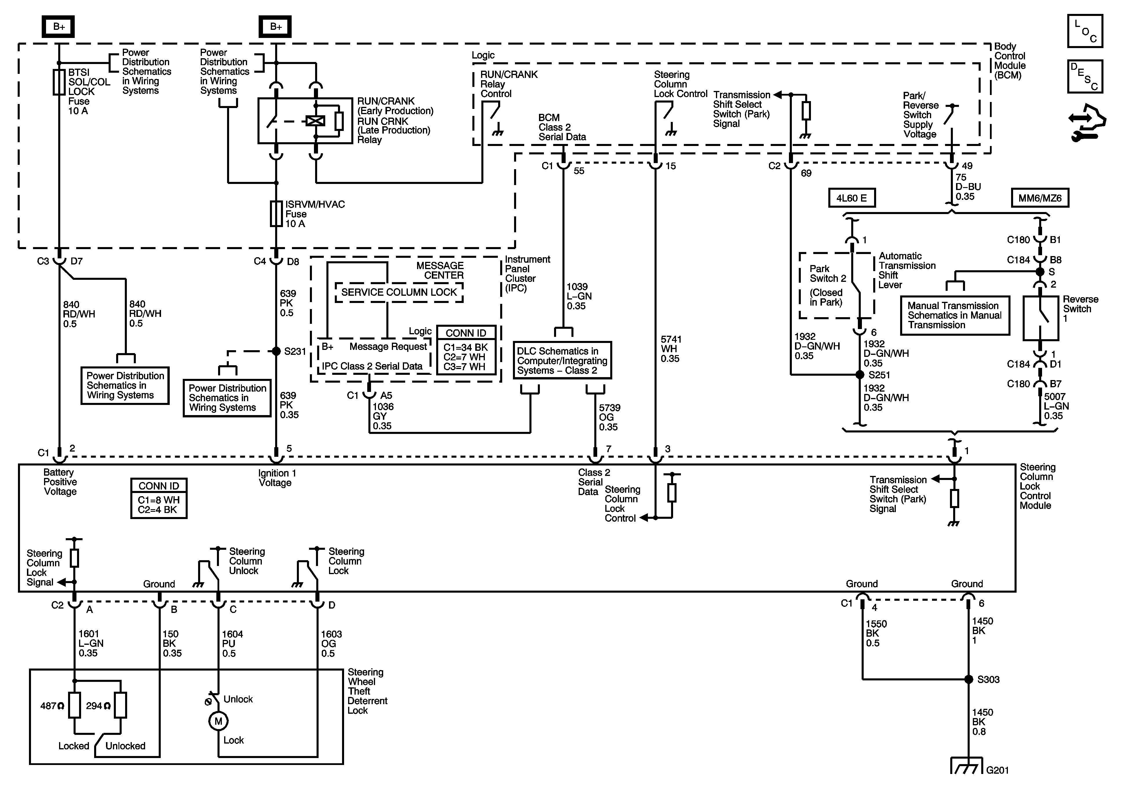
🢒 Column/Ignition Lock Schematics
Master Electrical Component List
Steering Wheel and Column Description and Operation
Control Module References
Fuse Block-Underhood Fuses; BATT3, STOP/BU/LPS, BCM Fuses; BTSI SOL,COL LOCK, RADIO/S-BAND/VICS, TONNEAU RELEASE, REAR FOG/ALDL TOP SW, REVERSE LAMPS
BCM Fuses; CLUSTER, DOOR LOCKS, INTERIOR LIGHTS, HVAC/PWR SND, ISRVM/HVAC, CRUISE SW
Fuse Block-Underhood Fuses; BATT3, STOP/BU/LPS, BCM Fuses; BTSI SOL,COL LOCK, RADIO/S-BAND/VICS, TONNEAU RELEASE, REAR FOG/ALDL TOP SW, REVERSE LAMPS
BCM Fuses; CLUSTER, DOOR LOCKS, INTERIOR LIGHTS, HVAC/PWR SND, ISRVM/HVAC, CRUISE SW
Class 2
Manual Transmission Schematics
G201