GM Service Manual Online
For 1990-2009 cars only
Figure 1:

Fuse Block-Underhood Bussing


Object Number: 1379882  Size: FS
Master Electrical Component List
Control Module References
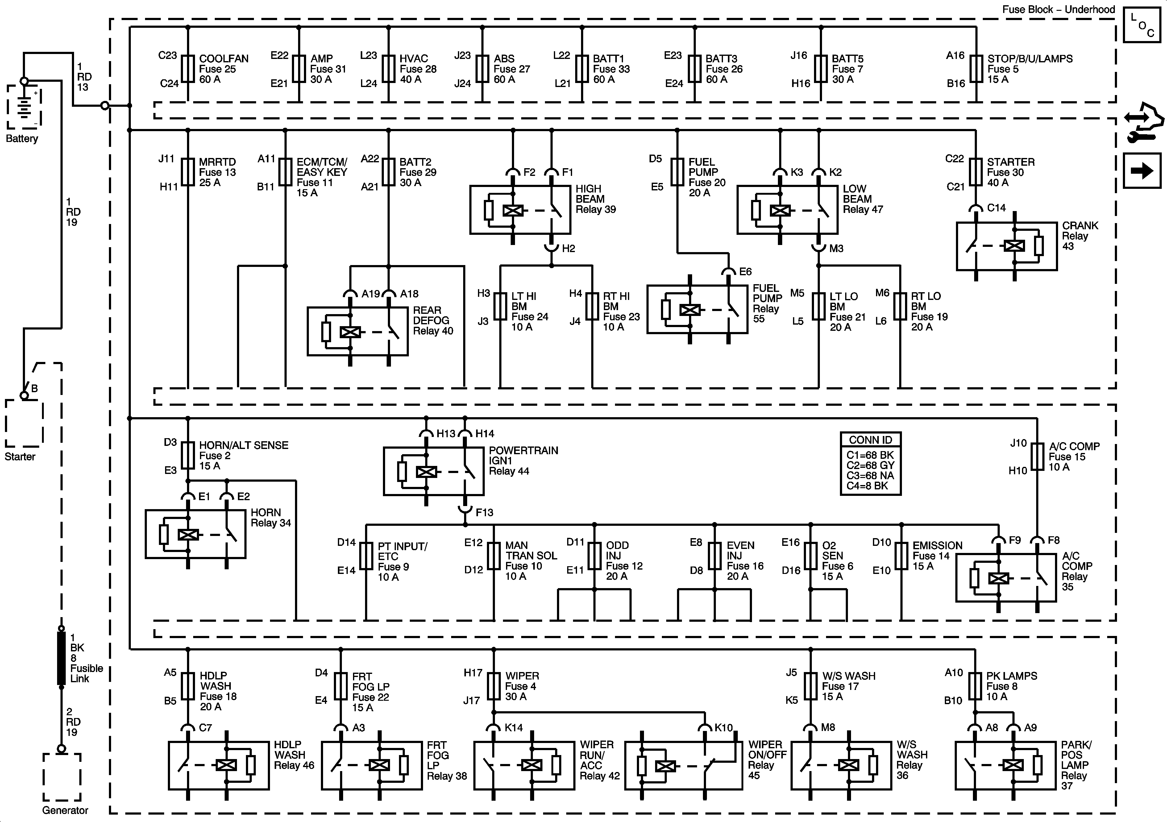
Fuse Block-Underhood Fuses; COOL FAN, AMP, HVAC, ABS, MRRTD, ECM/TCM, HORN, BATT2
Figure 2:

Fuse Block-Underhood Fuses; COOL FAN, AMP, HVAC, ABS, MRRTD, ECM/TCM, HORN and BATT2


Object Number: 1379884  Size: FS
Master Electrical Component List
Control Module References
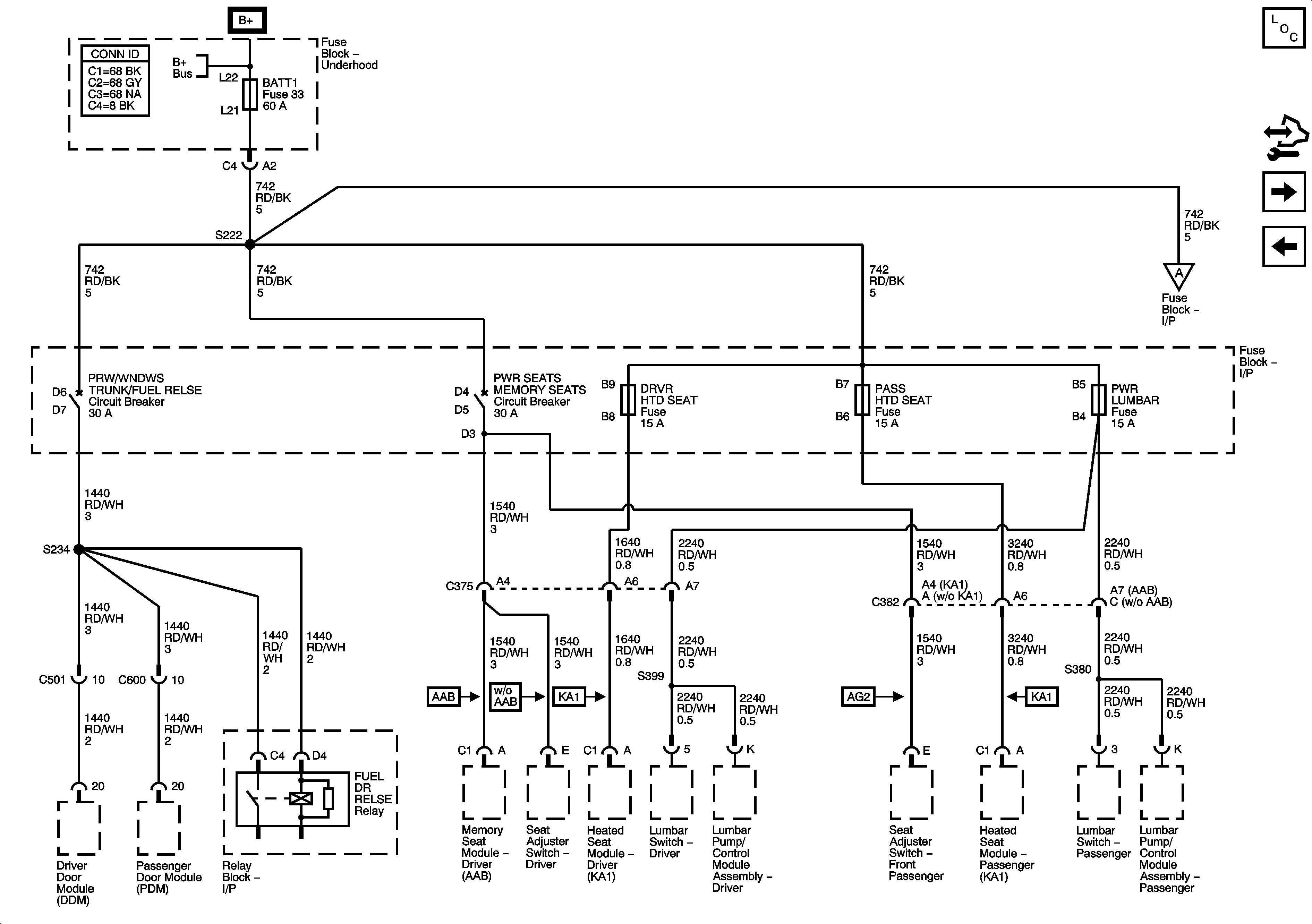
Fuse Block-Underhood Fuses; BATT1, Fuse Block-I/P Fuses; HEATED SEAT LH, HEATED SEAT RH, POWER LUMBAR LH/RH, Fuse Block-I/P Circuit Breakers; DOOR CONTROLS, POWER SEATS
Fuse Block-Underhood Bussing
Fuse Block-Underhood Bussing
Figure 3:

Fuse Block-Underhood Fuses; BATT 1, Fuse Block-I/P Fuses; HEATED SEAT LH, HEATED SEAT RH, POWER LUMBAR LH/RH, Fuse Block-I/P Circuit Breakers; DOOR CONTROLS, POWER SEATS


Object Number: 1379885  Size: FS
Master Electrical Component List
Control Module References
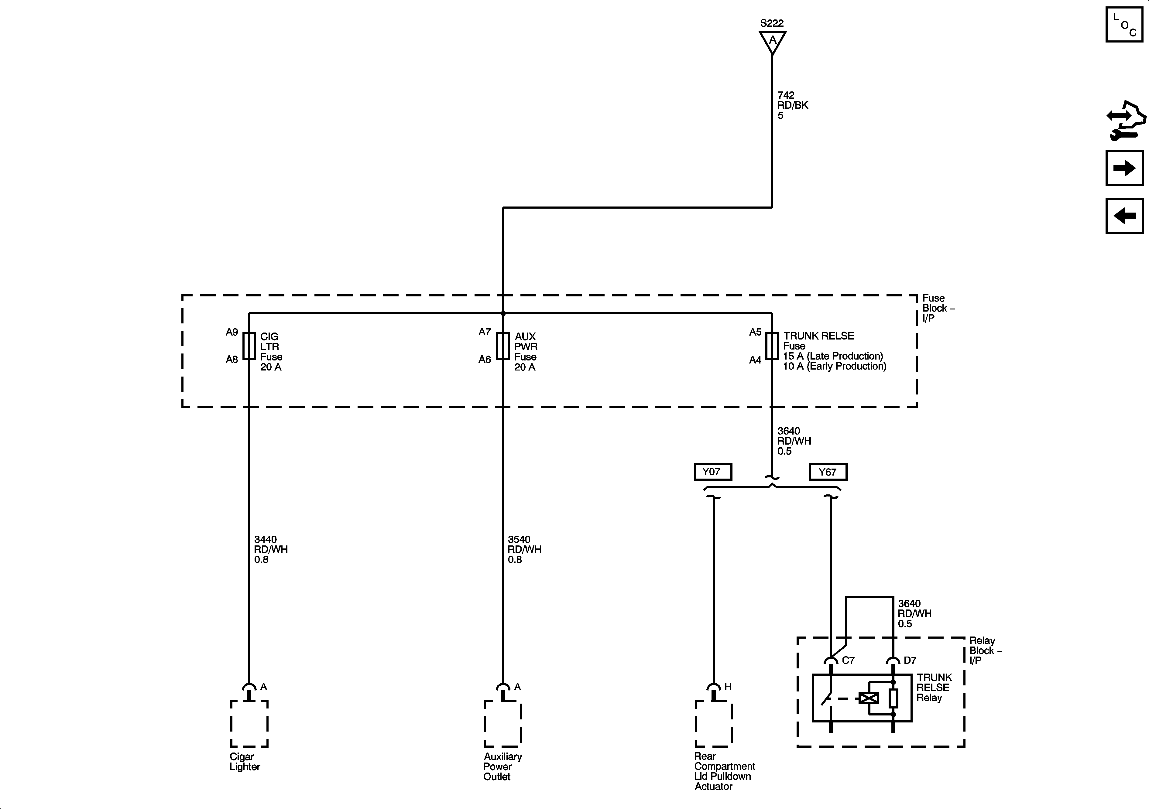
Fuse Block-I/P Fuses; CIGAR LIGHTER, AUXILIARY POWER, TRUNK LATCH
Fuse Block-Underhood Fuses; COOL FAN, AMP, HVAC, ABS, MRRTD, ECM/TCM, HORN, BATT2
Fuse Block-Underhood Bussing
Fuse Block-I/P Fuses; CIGAR LIGHTER, AUXILIARY POWER, TRUNK LATCH
Figure 4:

Fuse Block-I/P Fuses; CIGAR LIGHTER, AUXILIARY POWER, TRUNK LATCH


Object Number: 1379886  Size: FS
Master Electrical Component List
Control Module References
Fuse Block-Underhood Fuse; BATT5, BCM Fuses; TILT TELE SW/ MEM SEAT MOD, DRIV DR SW, IGNITION SW/ INTR SENS, ONSTAR, TONNEAU PULLDOWN ACTUATOR
Fuse Block-Underhood Fuses; BATT1, Fuse Block-I/P Fuses; HEATED SEAT LH, HEATED SEAT RH, POWER LUMBAR LH/RH, Fuse Block-I/P Circuit Breakers; DOOR CONTROLS, POWER SEATS
Fuse Block-Underhood Fuses; BATT1, Fuse Block-I/P Fuses; HEATED SEAT LH, HEATED SEAT RH, POWER LUMBAR LH/RH, Fuse Block-I/P Circuit Breakers; DOOR CONTROLS, POWER SEATS
Figure 5:

Fuse Block-Underhood Fuse; BATT 5, BCM Fuses; TILT TELE SW/MIM SEAT MOD, DRIV DR SW,IGNITON SW/ INTR SENS, ONSTAR, TONNEAU PULLDOWN ACTUATOR


Object Number: 1379887  Size: FS
Master Electrical Component List
Control Module References
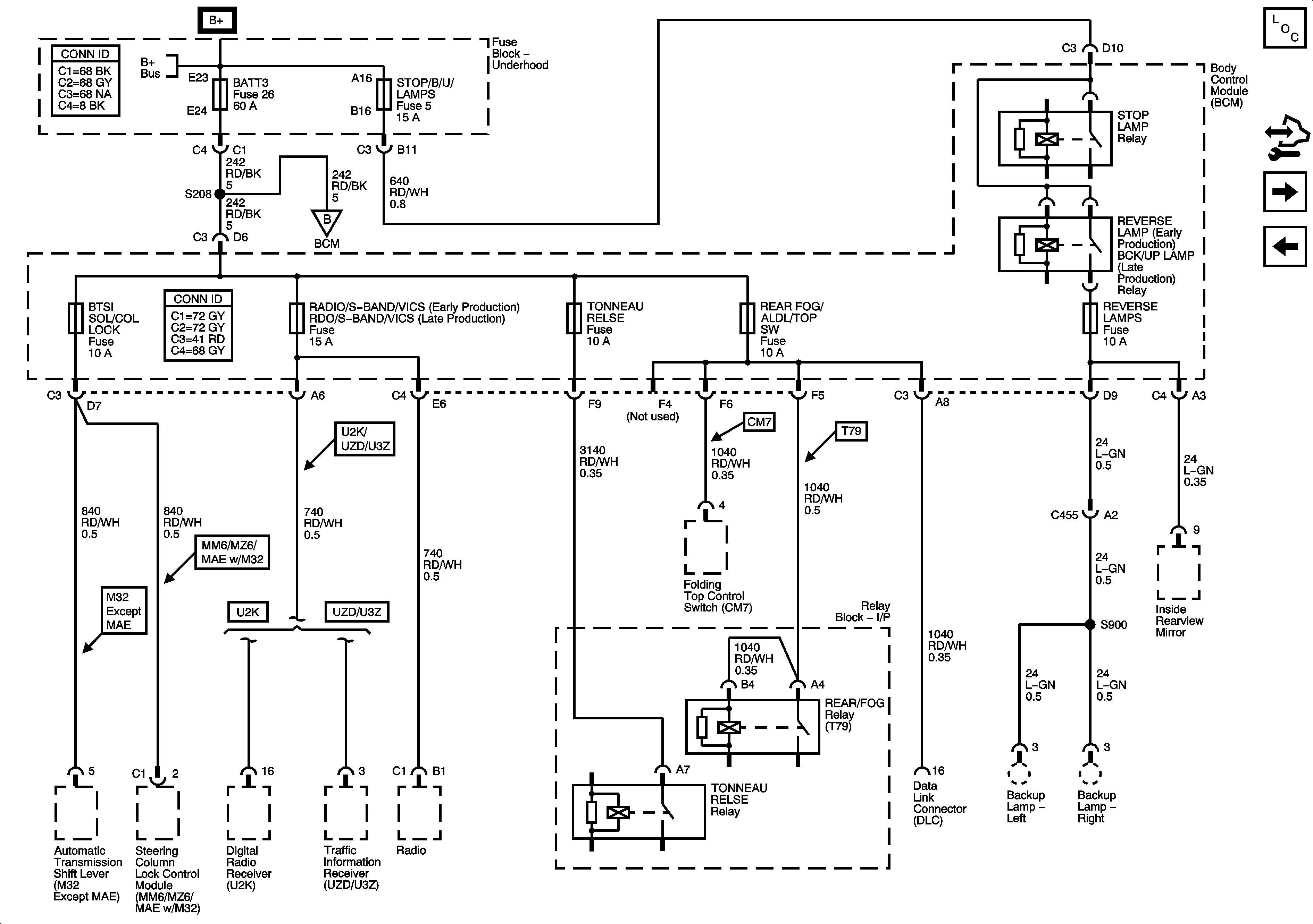
Fuse Block-Underhood Fuses; BATT3, STOP/BU/LPS, BCM Fuses; BTSI SOL,COL LOCK, RADIO/S-BAND/VICS, TONNEAU RELEASE, REAR FOG/ALDL TOP SW, REVERSE LAMPS
Fuse Block-I/P Fuses; CIGAR LIGHTER, AUXILIARY POWER, TRUNK LATCH
Fuse Block-Underhood Bussing
Figure 6:

Fuse Block-Underhood Fuses; BATT 3, STOP/BU/LPS, BCM Fuses; BTSI SOL,COL LOCK, RADIO/S-BAND/VICS, TONNEAU RELEASE, REAR FOG/ALDL TOP SW, REVERSE LAMPS


Object Number: 1379900  Size: FS
Master Electrical Component List
Control Module References
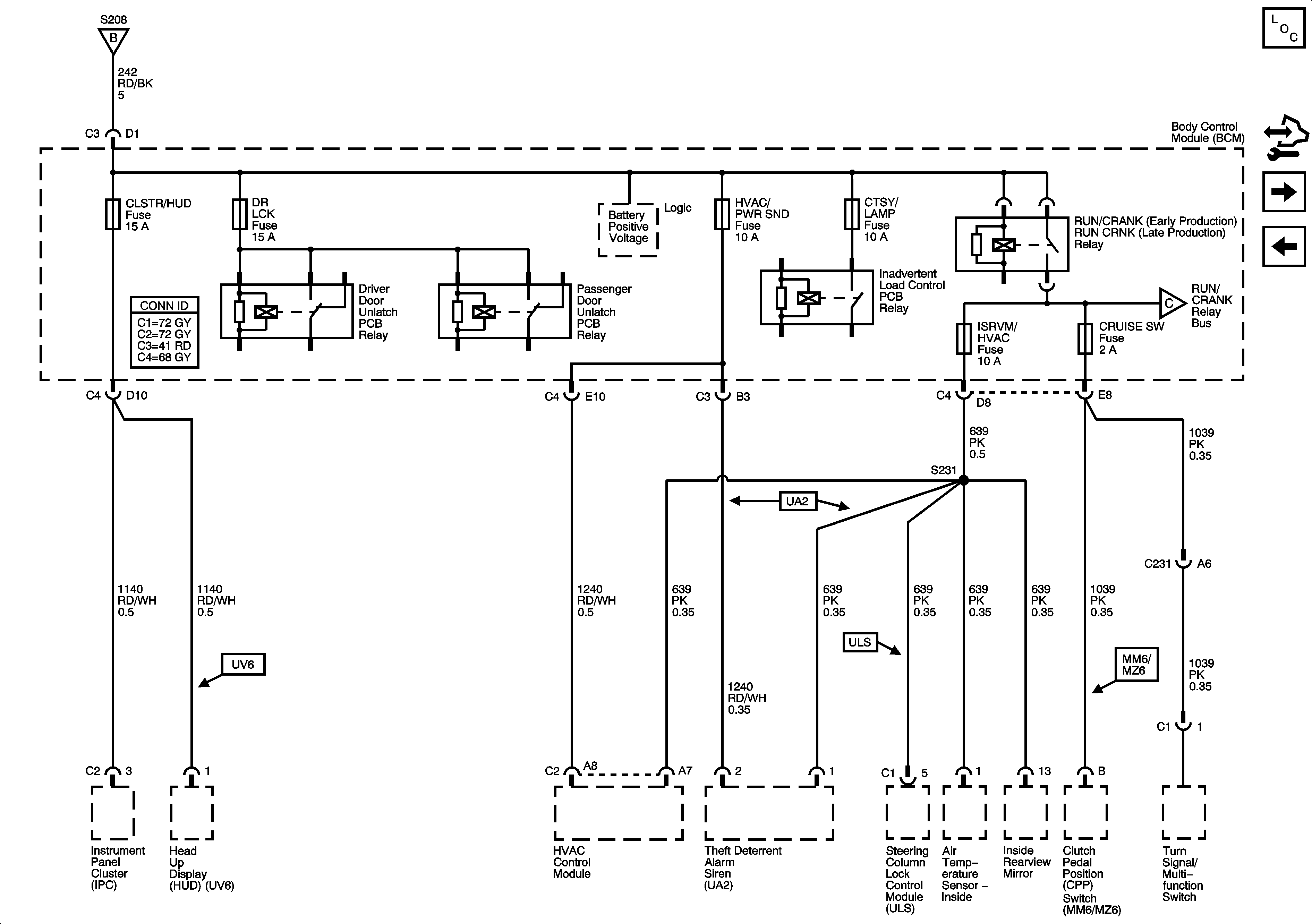
BCM Fuses; CLUSTER, DOOR LOCKS, INTERIOR LIGHTS, HVAC/PWR SND, ISRVM/HVAC, CRUISE SW
Fuse Block-Underhood Fuse; BATT5, BCM Fuses; TILT TELE SW/ MEM SEAT MOD, DRIV DR SW, IGNITION SW/ INTR SENS, ONSTAR, TONNEAU PULLDOWN ACTUATOR
Fuse Block-Underhood Bussing
BCM Fuses; CLUSTER, DOOR LOCKS, INTERIOR LIGHTS, HVAC/PWR SND, ISRVM/HVAC, CRUISE SW
Figure 7:

BCM Fuses; CLUSTER, DOOR LOCKS, INTERIOR LIGHTS, HVAC/PWR SND, ISRVM/HVAC, CRUISE SW


Object Number: 1379903  Size: FS
Master Electrical Component List
Control Module References
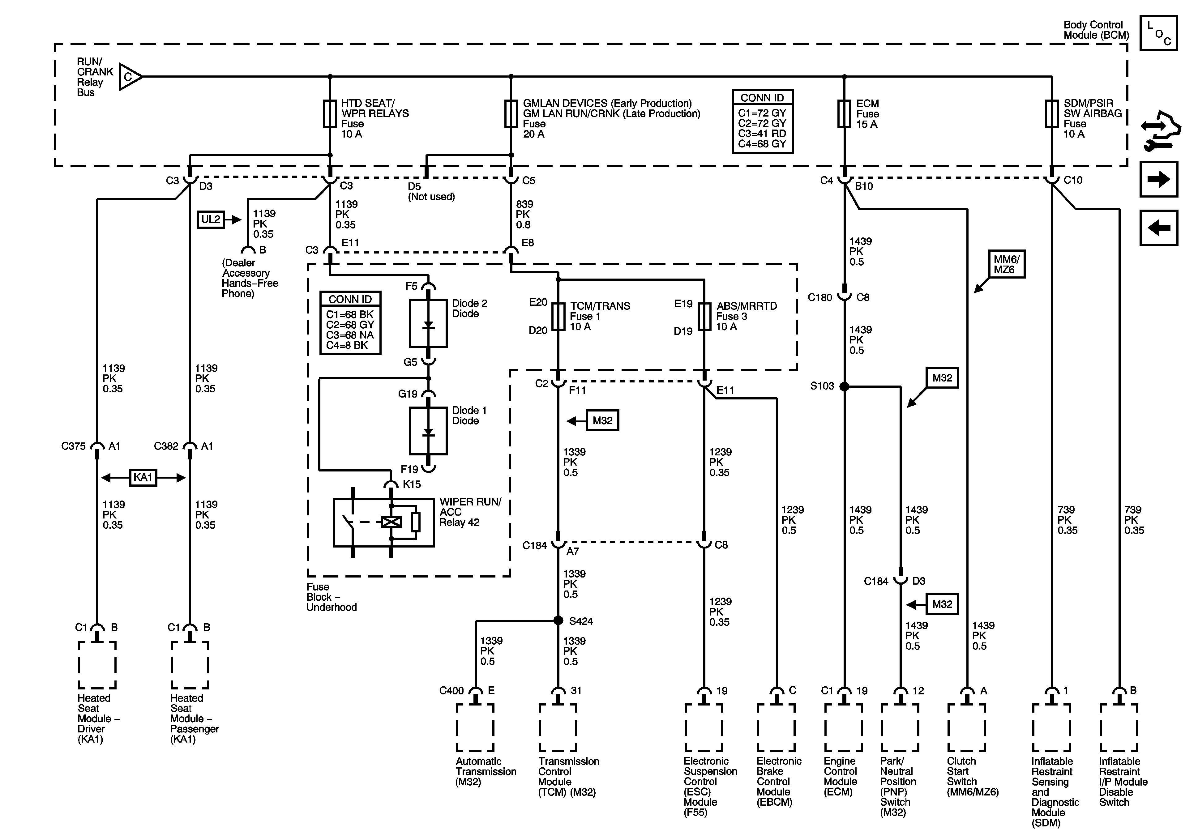
BCM Fuses; HTD SEAT/WIPER, GMLAN DEVICES, ECM, SDM/PSIR SW, Fuse Block-Underhood Fuses; TCM/TRANS, ABS/MRRTD
Fuse Block-Underhood Fuses; BATT3, STOP/BU/LPS, BCM Fuses; BTSI SOL,COL LOCK, RADIO/S-BAND/VICS, TONNEAU RELEASE, REAR FOG/ALDL TOP SW, REVERSE LAMPS
Fuse Block-Underhood Fuses; BATT3, STOP/BU/LPS, BCM Fuses; BTSI SOL,COL LOCK, RADIO/S-BAND/VICS, TONNEAU RELEASE, REAR FOG/ALDL TOP SW, REVERSE LAMPS
BCM Fuses; HTD SEAT/WIPER, GMLAN DEVICES, ECM, SDM/PSIR SW, Fuse Block-Underhood Fuses; TCM/TRANS, ABS/MRRTD
Figure 8:

BCM Fuses; HTD SEAT/WIPER, GMLAN DEVICES, ECM, SDM/PSIR SW, Fuse Block-Underhood Fuses; TCM/TRANS, ABS/MRRTD


Object Number: 1379905  Size: FS
Master Electrical Component List
Control Module References
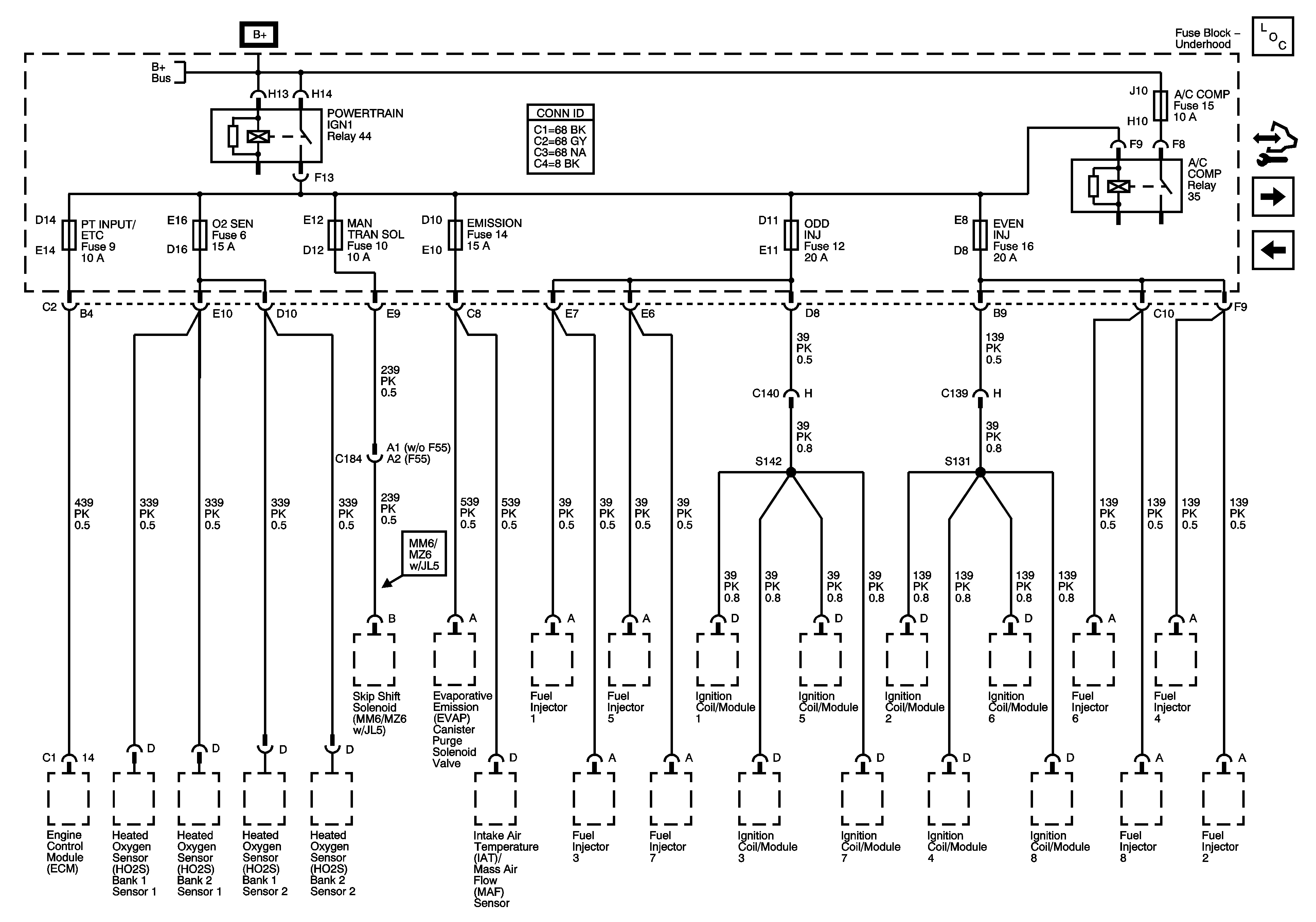
Fuse Block-Underhood Fuses; ETC, O2 SEN, MAN TRANS, EMISSION, ODD INJ, EVEN INJ
BCM Fuses; CLUSTER, DOOR LOCKS, INTERIOR LIGHTS, HVAC/PWR SND, ISRVM/HVAC, CRUISE SW
BCM Fuses; CLUSTER, DOOR LOCKS, INTERIOR LIGHTS, HVAC/PWR SND, ISRVM/HVAC, CRUISE SW
Figure 9:

Fuse Block-Underhood Fuses; ETC, O2 SEN, MAN TRANS, EMISION, ODD INJ, EVEN INJ


Object Number: 1379907  Size: FS
Master Electrical Component List
Control Module References
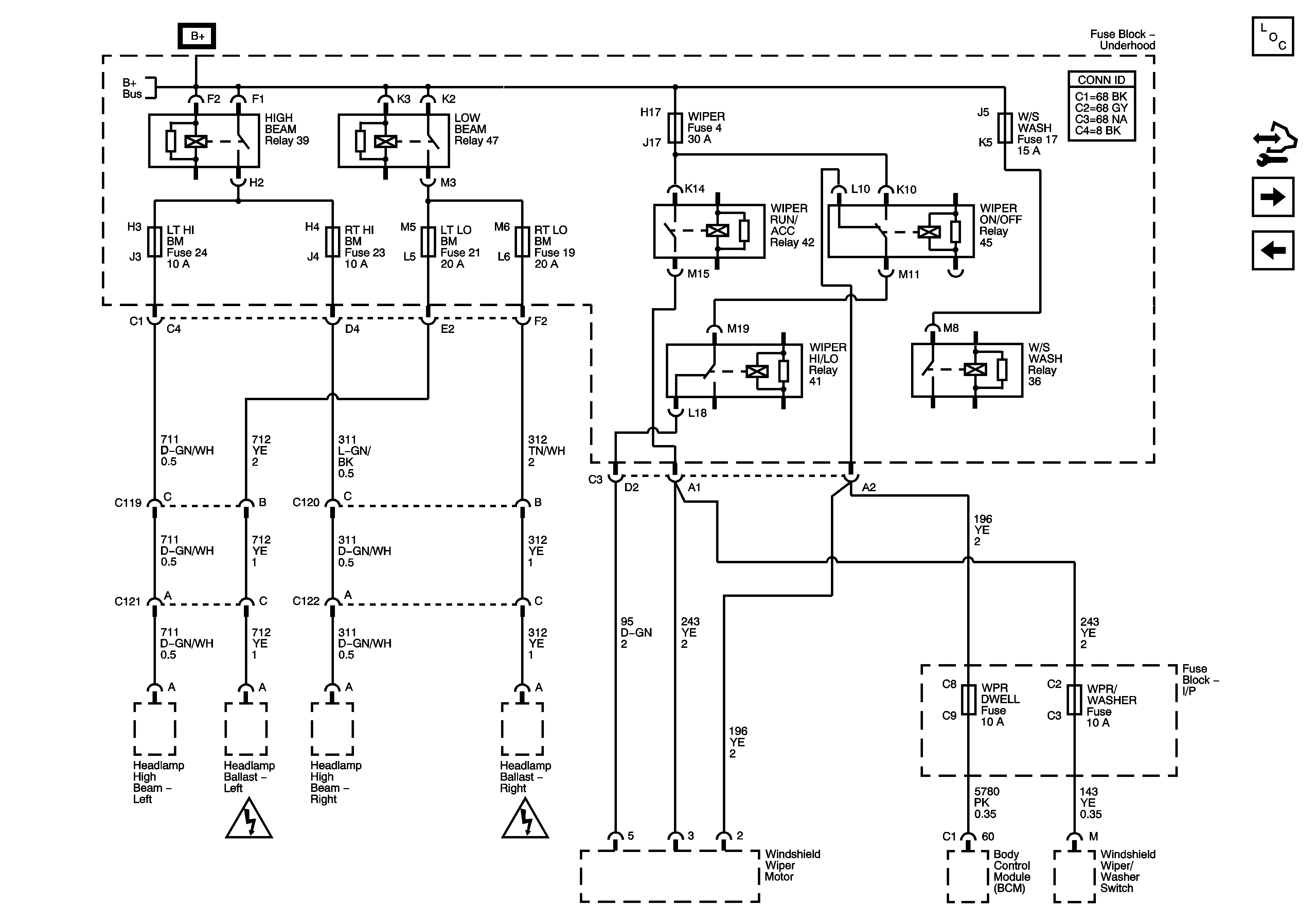
Fuse Block-Underhood Fuses; LT HI BM, RT HI BM, LT LO BM, RT LO BM, WIPER, W/S WASH, Fuse Block-I/P Fuses; WIPER DWELL, RUN/ACCESSORY POWER
BCM Fuses; HTD SEAT/WIPER, GMLAN DEVICES, ECM, SDM/PSIR SW, Fuse Block-Underhood Fuses; TCM/TRANS, ABS/MRRTD
Fuse Block-Underhood Bussing
Figure 10:

Fuse Block-Underhood Fuses; LT HI BM, RT HI BM, LT LO BM, RT LO BM, WIPER, Fuse Block-I/P Fuses; WIPER DWELL, RUN/ACCESSORY POWER


Object Number: 1379909  Size: FS
Master Electrical Component List
Control Module References
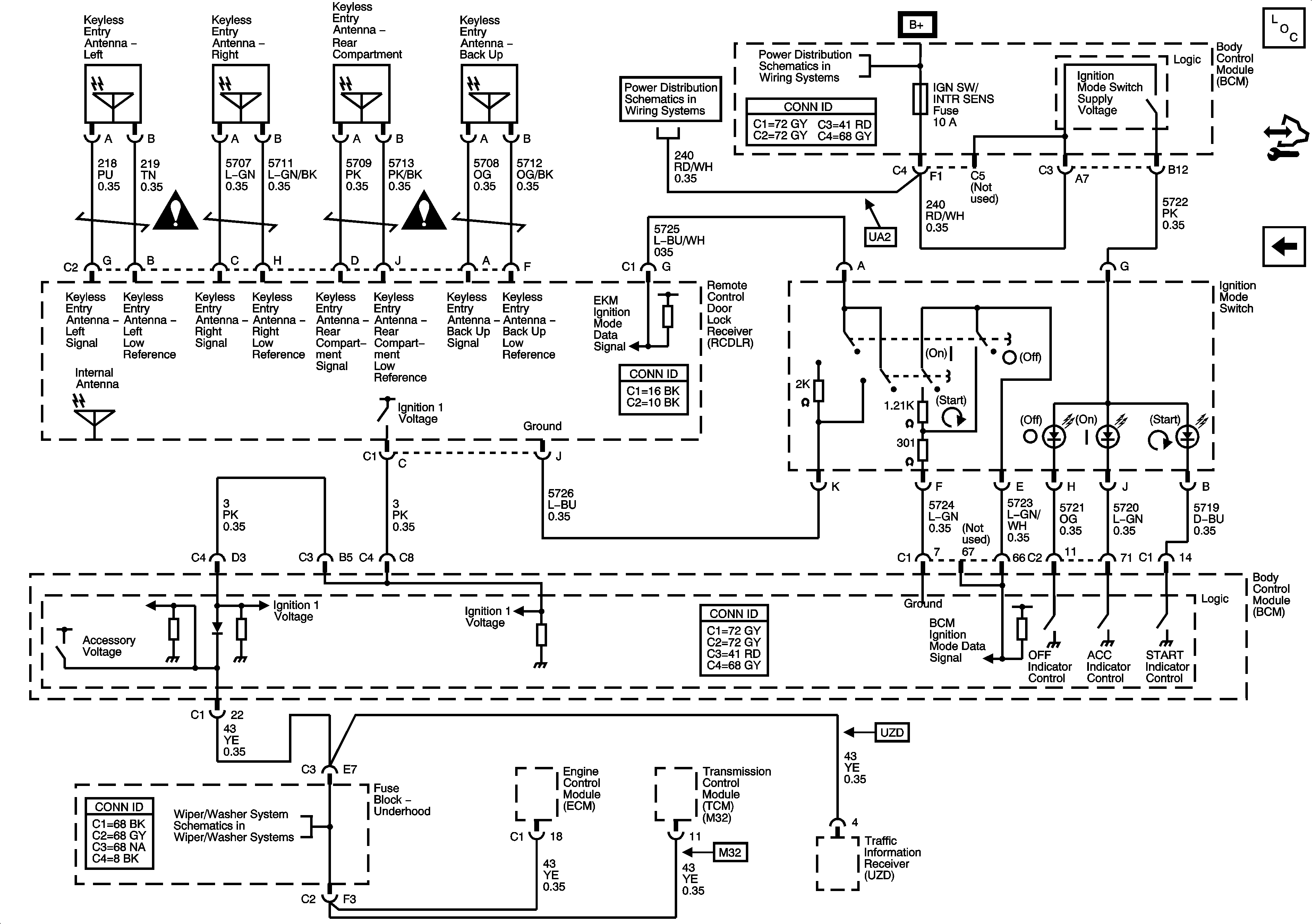
Ignition Modes
Fuse Block-Underhood Fuses; ETC, O2 SEN, MAN TRANS, EMISSION, ODD INJ, EVEN INJ
Fuse Block-Underhood Bussing
Power and Grounding Schematic Icons
Power and Grounding Schematic Icons
Figure 11:

Ignition Modes


Object Number: 1379911  Size: FS
Master Electrical Component List
Control Module References
Fuse Block-Underhood Fuses; LT HI BM, RT HI BM, LT LO BM, RT LO BM, WIPER, W/S WASH, Fuse Block-I/P Fuses; WIPER DWELL, RUN/ACCESSORY POWER
Fuse Block-Underhood Fuse; BATT5, BCM Fuses; TILT TELE SW/ MEM SEAT MOD, DRIV DR SW, IGNITION SW/ INTR SENS, ONSTAR, TONNEAU PULLDOWN ACTUATOR
Fuse Block-Underhood Fuse; BATT5, BCM Fuses; TILT TELE SW/ MEM SEAT MOD, DRIV DR SW, IGNITION SW/ INTR SENS, ONSTAR, TONNEAU PULLDOWN ACTUATOR
Power and Grounding Schematic Icons
Power and Grounding Schematic Icons
Power, Ground and Wiper Motor