GM Service Manual Online
For 1990-2009 cars only
Figure 1:

Power, Ground, Indicators and Messages


Object Number: 1396262  Size: FS
Master Electrical Component List
ABS Description and Operation
Control Module References
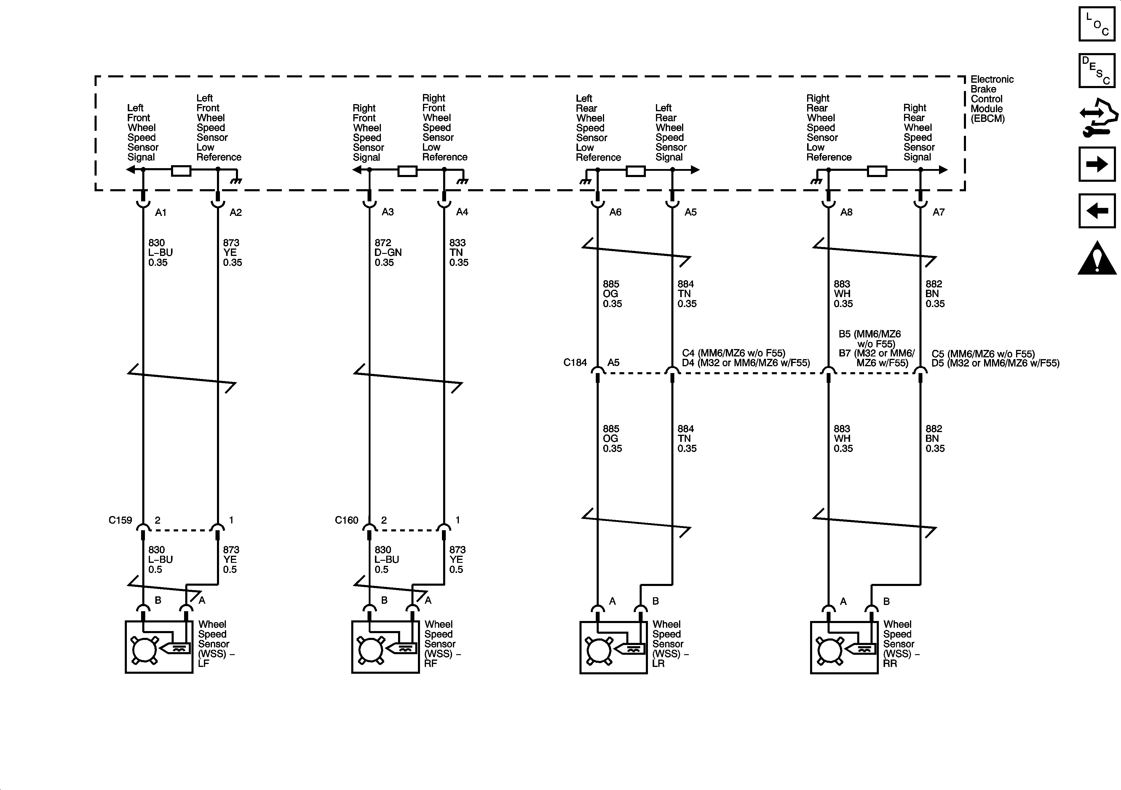
Wheel Speed Sensors
BCM Fuses; HTD SEAT/WIPER, GMLAN DEVICES, ECM, SDM/PSIR SW, Fuse Block-Underhood Fuses; TCM/TRANS, ABS/MRRTD
Fuse Block-Underhood Fuses; COOL FAN, AMP, HVAC, ABS, MRRTD, ECM/TCM, HORN, BATT2
BCM Fuses; HTD SEAT/WIPER, GMLAN DEVICES, ECM, SDM/PSIR SW, Fuse Block-Underhood Fuses; TCM/TRANS, ABS/MRRTD
Class 2
GMLAN - A/T
GMLAN - M/T
G105 and G107
Figure 2:

Wheel Speed Sensors


Object Number: 1396272  Size: FS
Master Electrical Component List
ABS Description and Operation
Control Module References
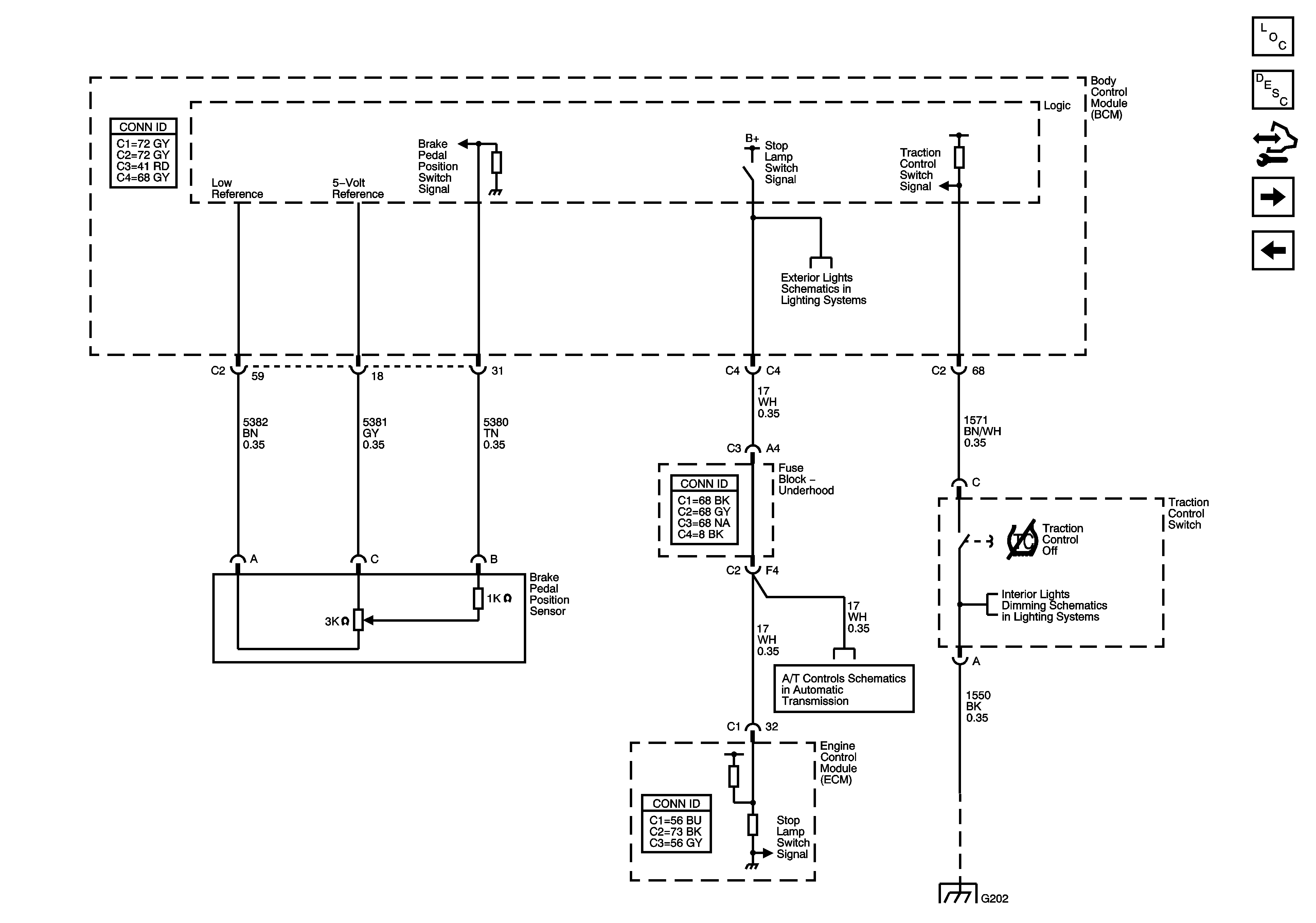
Brake Pedal Signal and Traction Control Switch
Power,Ground,Indicators and Messages
Antilock Brake System Schematic Icons
Figure 3:

Brake Pedal Signal and Traction Control Switch


Object Number: 1396276  Size: FS
Master Electrical Component List
ABS Description and Operation
Control Module References
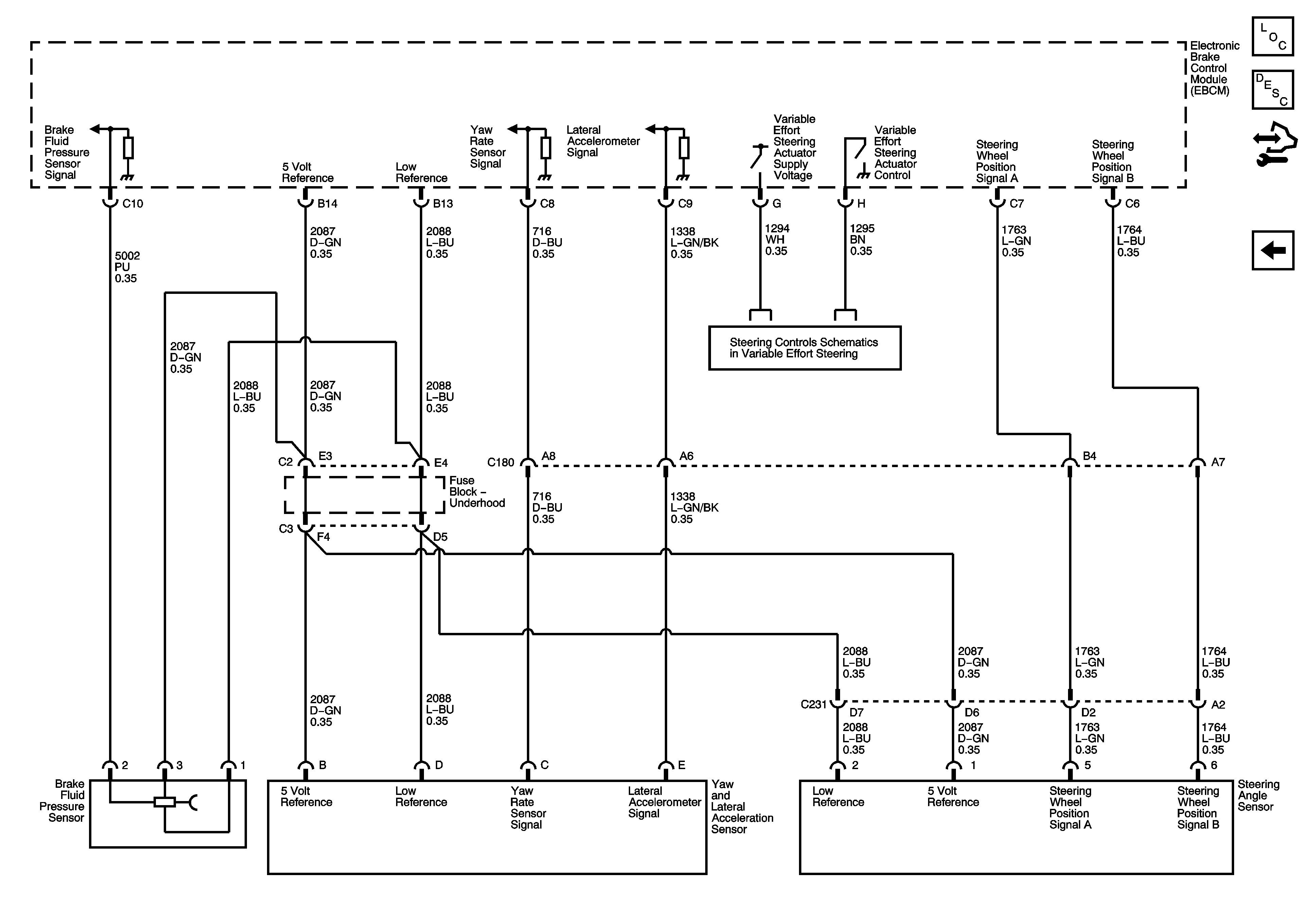
Stability Control Sensors
Wheel Speed Sensors
Hazard, Stop Lamps and Turn Signal Outputs
DLC, HVAC Control Module, Radio and Switches
DLC, Ground, MIL and Power
G202 1 of 2
Figure 4:

Stability Control Sensors


Object Number: 1396280  Size: FS
Master Electrical Component List
ABS Description and Operation
Control Module References
Brake Pedal Signal and Traction Control Switch
Steering Assist Schematic Icons
Variable Effort Schematics