GM Service Manual Online
For 1990-2009 cars only
Makes
🢒
Chevrolet
🢒
2005
🢒
Corvette
🢒
Body
🢒
Instrument Panel, Gages, and Console
🢒 Audible Warnings Schematics
Master Electrical Component List
Audible Warnings Description and Operation
Control Module References
Seat Belt Schematics
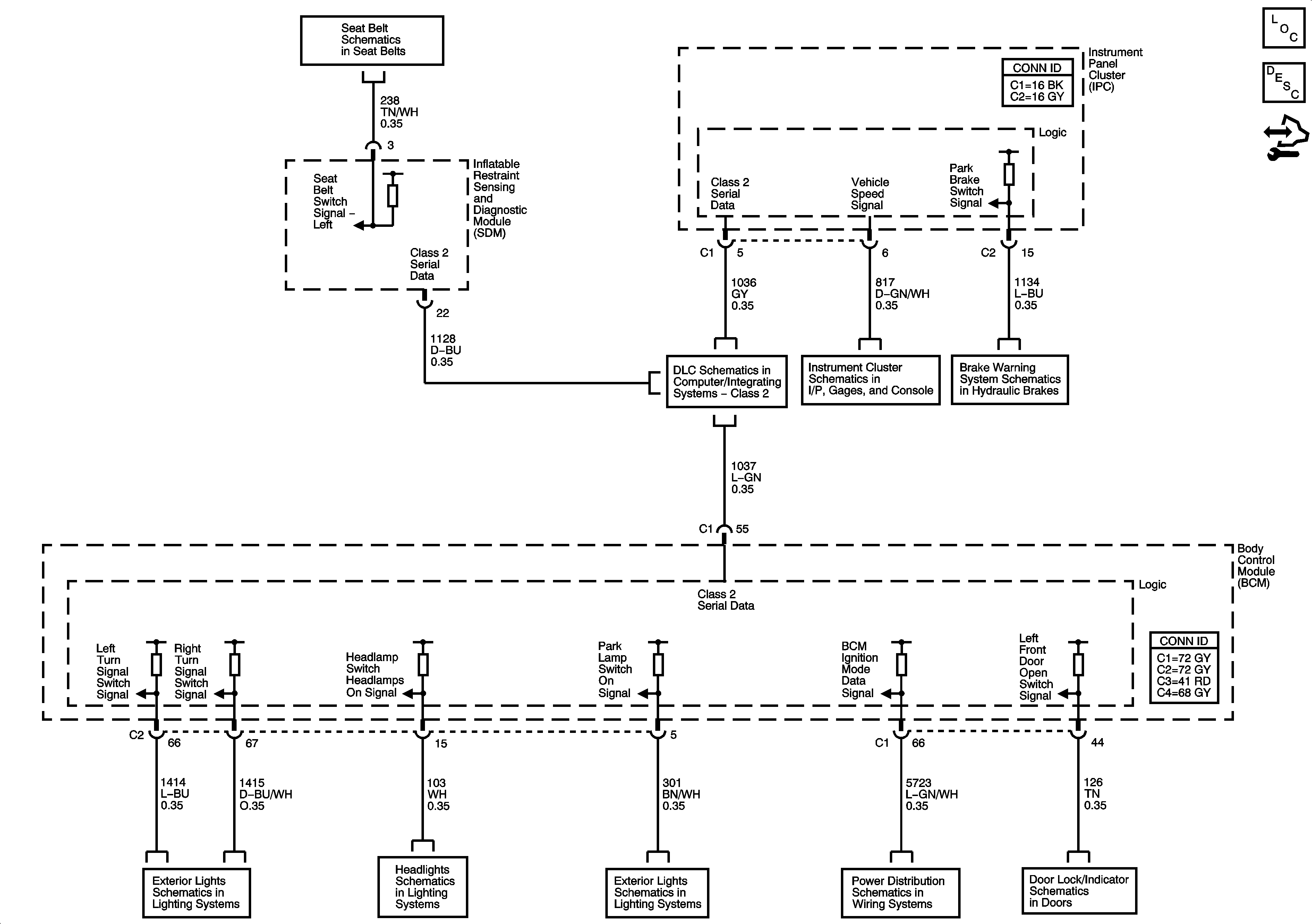
Class 2
Gages
Brake Warning System Schematic
Hazard, Stop Lamps, and Turn Signal Inputs
Headlamp/DRL Controls
Park Lamp Control, Front Park, Marker and Position Lamps
Ignition Modes
Indicators,Messages and Ajar/Open/Lock Switches