GM Service Manual Online
For 1990-2009 cars only
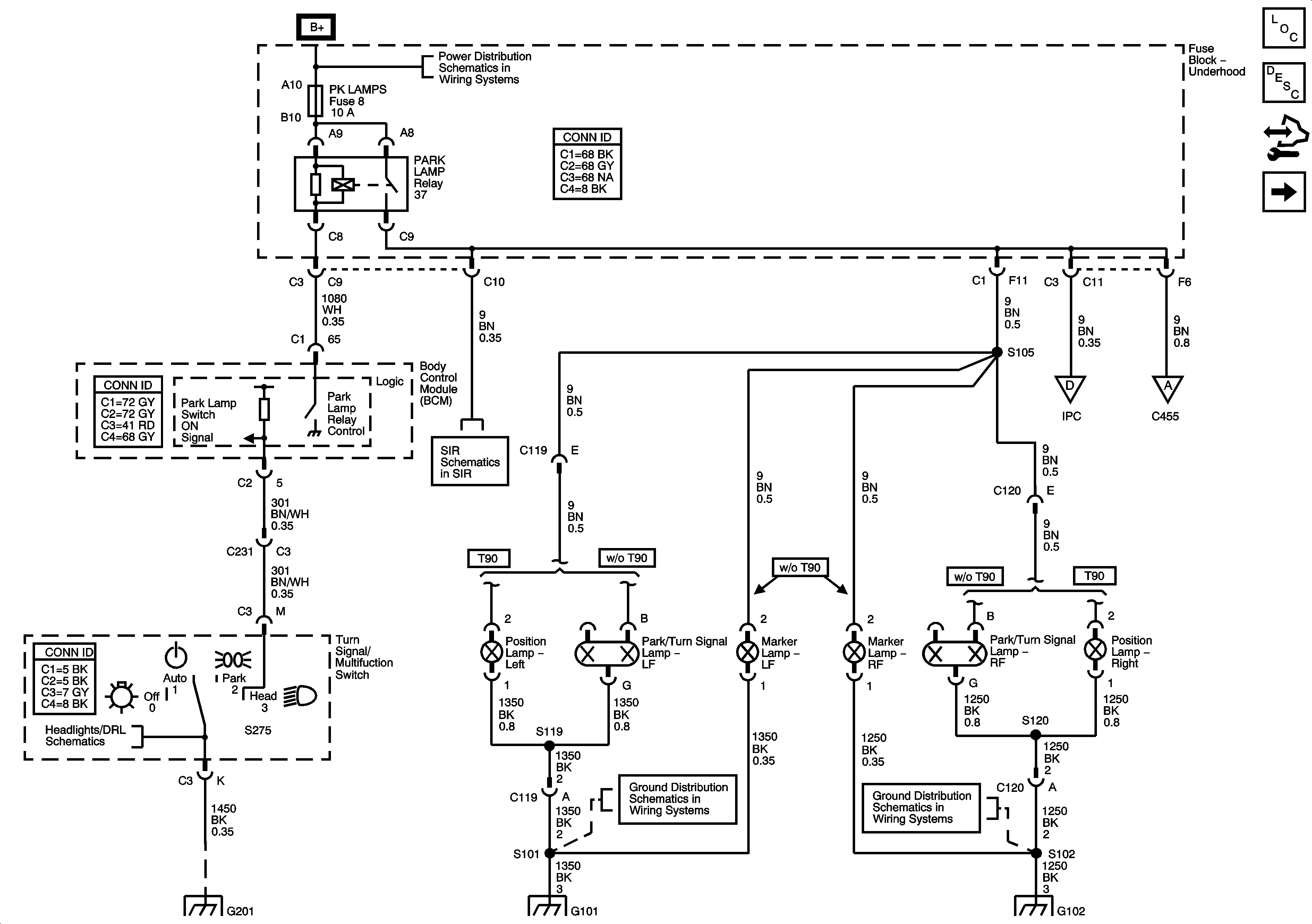
Figure 1:

Park Lamp Control, Front Park, Marker and Position Lamps


Object Number: 1456796  Size: FS
Master Electrical Component List
Exterior Lighting Systems Description and Operation
Control Module References
Rear Park, Marker and License Lamps
Fuse Block-Underhood Bussing
Ground,Indicator,Power,Sensors and Switches
Hazard, Stop Lamps, and Turn Signal Inputs
Rear Park, Marker and License Lamps
Headlamp/DRL Controls
G201
G101
G102
G101
G102
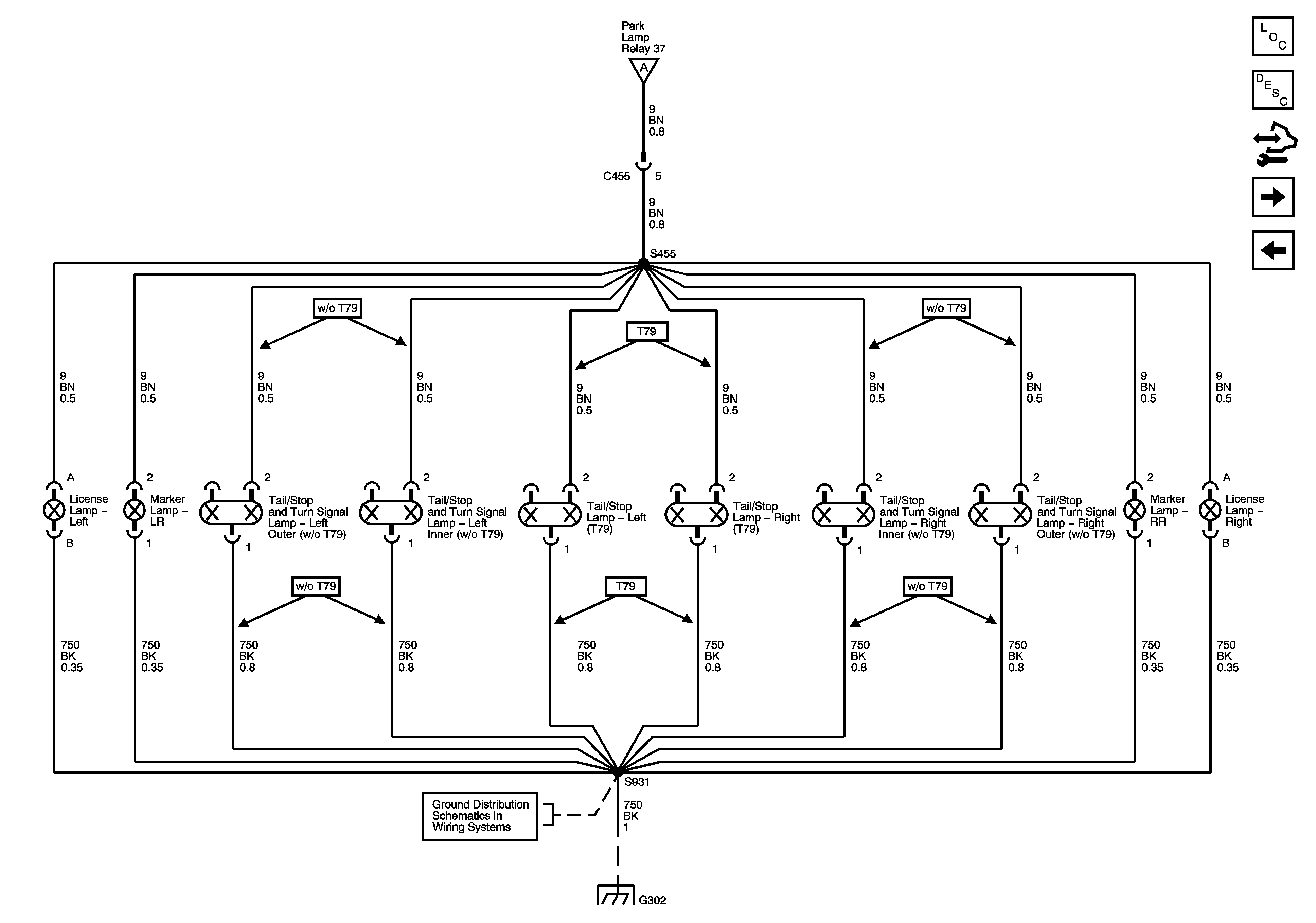
Figure 2:

Rear Park , Marker and License Lamps


Object Number: 1457146  Size: FS
Master Electrical Component List
Exterior Lighting Systems Description and Operation
Control Module References
Hazard, Stop Lamps, and Turn Signal Inputs
Park Lamp Control, Front Park, Marker and Position Lamps
Park Lamp Control, Front Park, Marker and Position Lamps
G302, G401 and G402
G302, G401 and G402
Figure 3:

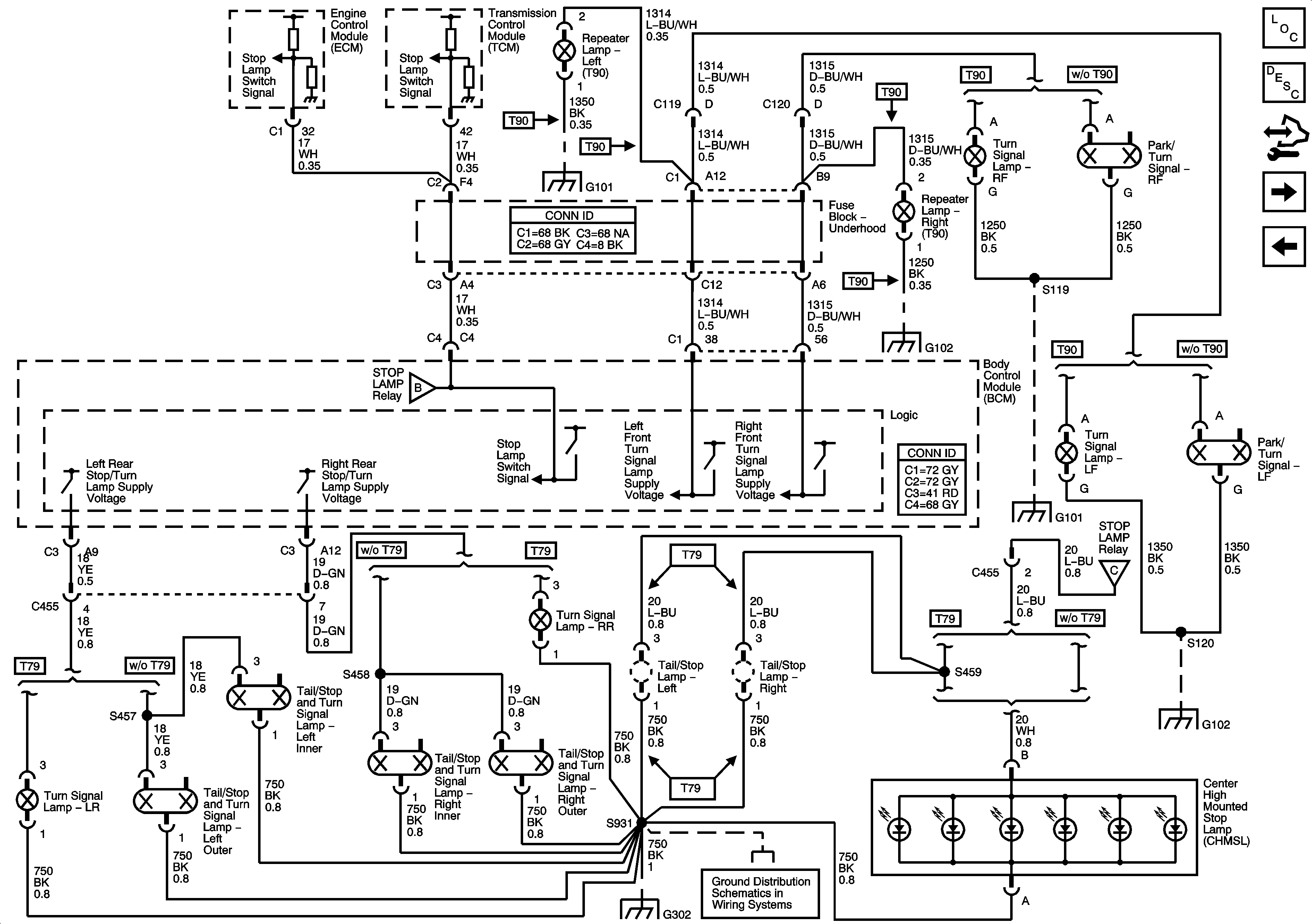
Hazard, Stop Lamps, and Turn Signal Inputs


Object Number: 1457606  Size: FS
Master Electrical Component List
Exterior Lighting Systems Description and Operation
Control Module References
Hazard, Stop Lamps and Turn Signal Outputs
Rear Park, Marker and License Lamps
Fuse Block-Underhood Fuses; BATT3, STOP/BU/LPS, BCM Fuses; BTSI SOL,COL LOCK, RADIO/S-BAND/VICS, TONNEAU RELEASE, REAR FOG/ALDL TOP SW, REVERSE LAMPS
DLC, HVAC Control Module, Radio and Switches
Power, Ground, DLC and Indicators
Hazard, Stop Lamps and Turn Signal Outputs
Park Lamp Control, Front Park, Marker and Position Lamps
Hazard, Stop Lamps and Turn Signal Outputs
Fuse Block-Underhood Fuses; BATT3, STOP/BU/LPS, BCM Fuses; BTSI SOL,COL LOCK, RADIO/S-BAND/VICS, TONNEAU RELEASE, REAR FOG/ALDL TOP SW, REVERSE LAMPS
G201
G201
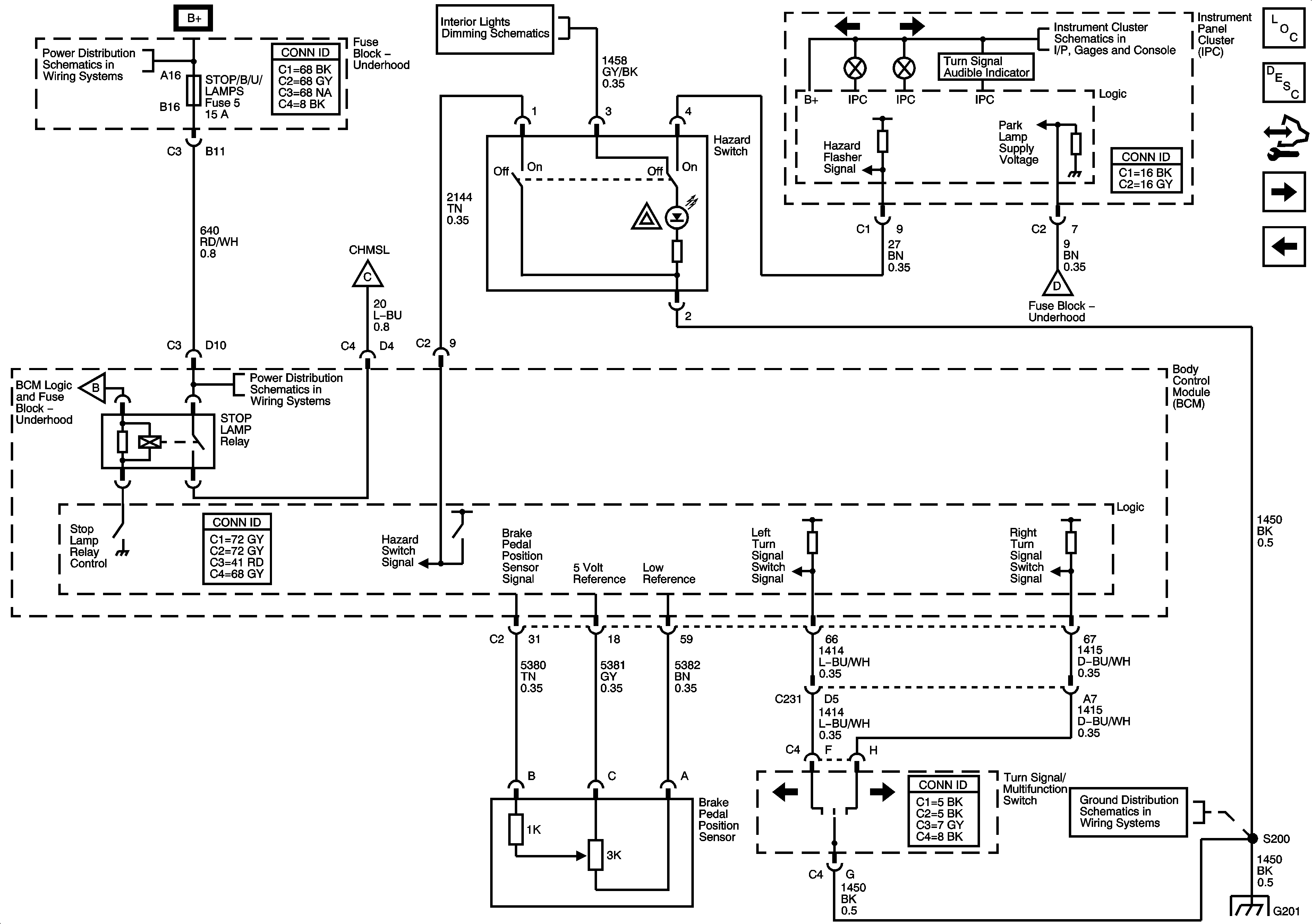
Figure 4:

Hazard, Stop Lamps, and Turn Signal Outputs


Object Number: 1457608  Size: FS
Master Electrical Component List
Exterior Lighting Systems Description and Operation
Control Module References
Backup Lamps
Hazard, Stop Lamps, and Turn Signal Inputs
G101
G102
Hazard, Stop Lamps, and Turn Signal Inputs
G101
Hazard, Stop Lamps, and Turn Signal Inputs
G102
G302, G401 and G402
Figure 5:

Back Up Lamps


Object Number: 1456766  Size: FS
Master Electrical Component List
Exterior Lighting Systems Description and Operation
Control Module References
Hazard, Stop Lamps and Turn Signal Outputs
Fuse Block-Underhood Bussing
Fuse Block-Underhood Fuses; BATT3, STOP/BU/LPS, BCM Fuses; BTSI SOL,COL LOCK, RADIO/S-BAND/VICS, TONNEAU RELEASE, REAR FOG/ALDL TOP SW, REVERSE LAMPS
GMLAN - A/T
Keyless Entry Schematics
G302, G401 and G402
Column/Ignition Lock Schematic
G302, G401 and G402