GM Service Manual Online
For 1990-2009 cars only

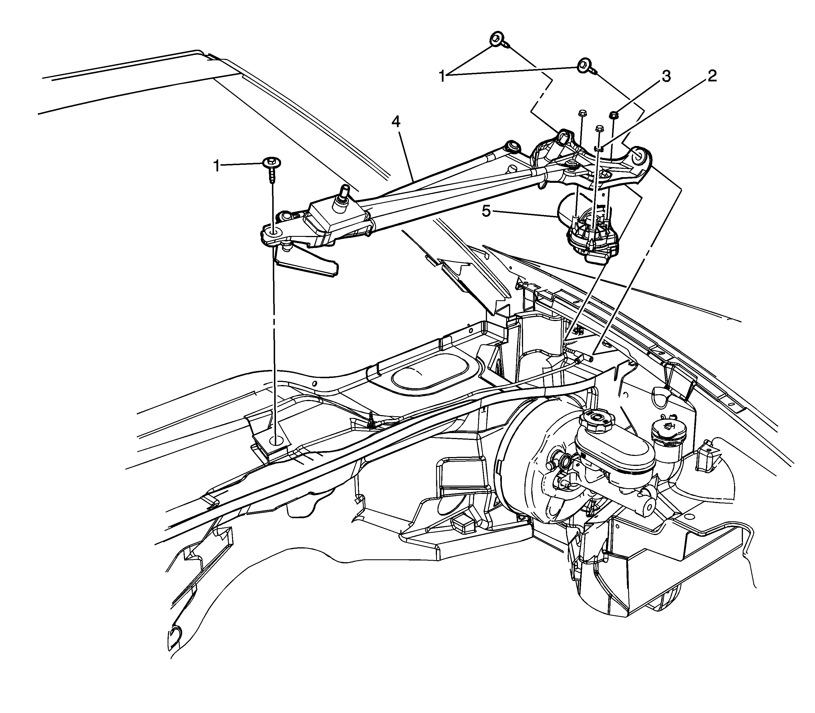
Object Number: 1501292  Size: LF

Callout

Component Name

Notice: Refer to Fastener Notice in the Preface section.

Fastener Tightening Specifications: Refer to Fastener Tightening Specifications .

Wiper System Module Replacement

Preliminary Procedures

  1. Remove the wiper arms. Refer to Wiper Arm, Blade, Insert Replacement - Front .
  2. Remove the air inlet grille panel. Refer to Air Inlet Grille Panel Replacement .

1

Bolt, Wiper System Module (Qty: 3)

Tighten
10 N·m (89 lb in)

2

Nut, Wiper System Module (Qty: 1)

Tighten
10 N·m (89 lb in)

3

Nut, Wiper Motor (Qty: 3)

Tighten
10 N·m (89 lb in)

4

Wiper Drive System Module

5

Wiper Motor

Tip
Disconnect the electrical connector.