GM Service Manual Online
For 1990-2009 cars only
Makes
🢒
Chevrolet
🢒
2005
🢒
Corvette
🢒 Except Japan
Except Japan
Except Japan
Master Electrical Component List
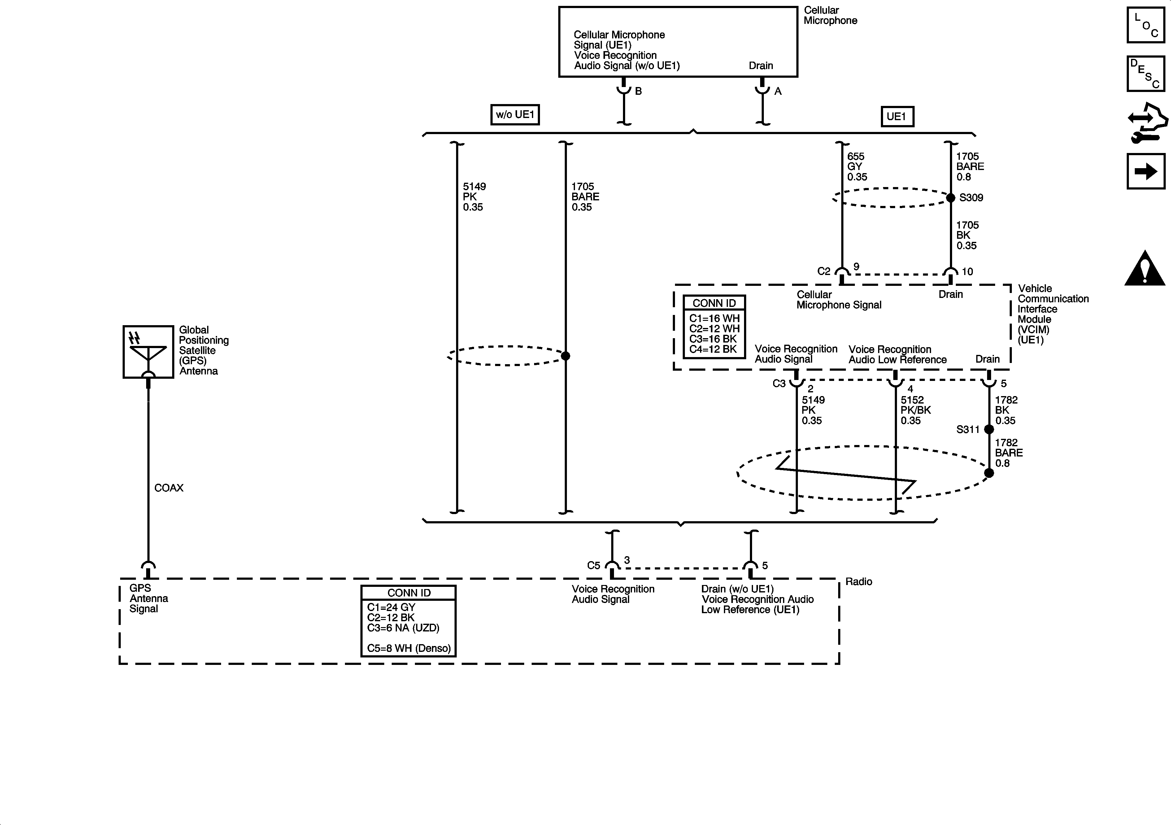
Navigation System Description and Operation
Control Module References
Japan
Navigation System Schematic Icons