GM Service Manual Online
For 1990-2009 cars only

Tools Required

    • J 25034-C Power Steering Pump Pulley Remover
    •  J 42188 Ball Joint Separator
    •  J 39580 Engine Support Table
    •  J 39580-500 Engine Support Table Top
    • J 41798 Engine Lifting Brackets
    •  J 42203 Driveline Support
    • J 25033-C Power Steering Pump Pulley Installer
    • J 36660-A Torque Angle Meter

Removal Procedure

Important: The steps in the following procedure are in a specific order. Follow these steps in this order and do not ignore any details .

  1. Disconnect the negative battery cable. Refer to Battery Negative Cable Disconnection and Connection .
  2. Remove the hood. Refer to Hood, Hinge, Rod, Stud Replacement - Hood .
  3. Recover the air conditioning (A/C) refrigerant. Refer to Refrigerant Recovery and Recharging .
  4. Remove the radiator. Refer to Radiator Replacement .
  5. Drain the engine oil. Refer to Engine Oil and Oil Filter Replacement .
  6. Remove the brake pressure modulator valve (BPMV) bracket. Refer to Brake Pressure Modulator Valve Bracket Replacement .
  7. Reposition the brake pipes.
  8. Remove the accessory drive belt. Refer to Drive Belt Replacement - Accessory .
  9. Remove the right fuel injection rail cover.
  10. Relieve the fuel system pressure. Refer to Fuel Pressure Relief .
  11. Disconnect the evaporative emission (EVAP) canister purge hose at the fuel line.
  12. Remove the fuel feed hose. Refer to Fuel Hose/Pipes Replacement - Engine Compartment .
  13. Important: Cap the hoses and inlets when separating the cooling system components, this prevents dirt and other contaminants from entering the cooling system.

  14. Remove the radiator hoses from the water pump.

  15. Object Number: 185256  Size: SH
  16. Remove the heater hoses from the water pump.
  17. Disconnect the following electrical connectors from the engine:
  18. • The fuel injectors
    • The ignition coil main harness connectors
    • The EVAP solenoid
    • The electric throttle motor
    • The engine coolant temperature (ECT) sensor
    • The A/C compressor
    • The manifold absolute pressure (MAP) sensor
  19. Remove the generator. Refer to Generator Replacement .
  20. Disconnect the valved exhaust vacuum line quick disconnect located at the brake booster.
  21. Remove the power brake booster vacuum hose.

  22. Object Number: 187354  Size: SH
  23. Remove the intermediate steering shaft bolt to the steering gear.
  24. Remove the intermediate steering shaft from the steering gear and position it to the left onto the frame rail.
  25. Remove the front tires and wheels. Refer to Tire and Wheel Removal and Installation .
  26. Remove the intermediate pipe. Refer to Intermediate Pipe Replacement .

  27. Object Number: 67894  Size: SH
  28. Remove the driveline tunnel close-out panel bolts.
  29. Remove the driveline tunnel close-out panel.
  30. Remove the starter motor. Refer to Starter Motor Replacement .

  31. Object Number: 1705736  Size: SH
  32. Remove the oil tank inlet hose to oil pan bolt (3) and disconnect the hose (2) from the oil pan.
  33. Discard the oil seal (1).

  34. If the engine failed and debris was created, remove the oil tank inlet hose and discard. Refer to Oil Tank Inlet Hose Replacement .

  35. Object Number: 1708415  Size: SH
  36. Remove the oil tank outlet hose to oil pan bolt (2) and disconnect the hose (3) from the oil pan.
  37. Discard the oil seal (1).

  38. If the engine failed and debris was created, remove the oil tank outlet hose and discard. Refer to Oil Tank Outlet Hose Replacement .

  39. Object Number: 1478613  Size: SH
  40. Remove the transmission lines from the rear of the oil pan.

  41. Object Number: 1478646  Size: SH
  42. Remove the transmission lines from the front of the oil pan.

  43. Object Number: 1708343  Size: SH
  44. Remove the 2 oil cooler bolts (1) and separate the oil cooler (2) from the pan.
  45. Discard the oil cooler seal (3).

  46. If the engine failed and debris was created, remove the oil cooler hoses and discard. Refer to Engine Oil Cooler Hose/Pipe Replacement .

  47. Object Number: 1705990  Size: SH
  48. Disconnect the camshaft position sensor (CMP) electrical connector.
  49. Disconnect the crankshaft position (CKP) sensor electrical connector.
  50. Disconnect the right exhaust heated oxygen sensor (HO2S) electrical connectors.

  51. Object Number: 82082  Size: SH
  52. Remove the A/C compressor and condenser hose bolt at the compressor.
  53. Separate the A/C compressor and condenser hose from the A/C compressor.
  54. Disconnect the left HO2S electrical connector.

  55. Object Number: 1704668  Size: SH
  56. Remove the battery positive/negative cable bolt (3) from the engine block.

  57. Object Number: 652265  Size: SH
  58. Disconnect the wheel speed sensor electrical connectors.
  59. If equipped with real time damping (RTD) disconnect the following electrical connectors:
  60. • Shock absorber damper
    • Position sensor pigtail
  61. Unclip the transmission wire harness from the crossmember.
  62. Disconnect the electronic variable orifice (EVO) control connector clips from the crossmember.
  63. Remove the transmission harness clip bolts from the engine block.
  64. Unclip the transmission wire harness from the engine wire harness.
  65. Remove the stabilizer shaft. Refer to Stabilizer Shaft Replacement .

  66. Object Number: 340932  Size: SH
  67. Loosen, do not remove, the outer tie rod end stud nut (2) from the outer tie rod end ball stud.
  68. Install J 42188 between the steering knuckle and the outer tie rod end stud.
  69. Tighten the nut on J 42188 until the steering knuckle and the outer tie rod end stud separate.
  70. Remove J 42188 and the outer tie rod end stud nut.
  71. Loosen, do not remove, the steering knuckle nut from the lower control arm ball stud.
  72. Install the J 42188 between the steering knuckle and the lower control arm ball stud.
  73. Tighten the nut on the J 42188 until the steering knuckle and the lower control arm ball stud separate.
  74. Disconnect the antilock brake system (ABS) electrical connector clips from the crossmember, if equipped.
  75. Remove the front transverse leaf spring. Refer to Front Transverse Spring Replacement .
  76. Disconnect the clutch actuator hose from the master cylinder hose located underneath the vacuum brake booster.

  77. Object Number: 188853  Size: SH

    Important: The weight of the engine should never be supported by the J 42203 .

  78. Install the J 42203 to the close-out panel flange.
  79. Slowly lower the vehicle onto the J 39580 and the J 39580-500 .
  80. Support the engine and crossmember on the J 39580 and the J 39580-500 .

  81. Object Number: 581372  Size: SH
  82. Using HAND TOOLS ONLY, remove the front and rear crossmember nuts.
  83. Partially raise the vehicle.

  84. Object Number: 1480894  Size: SH
  85. Remove the ground strap bolt.
  86. Remove the ground strap from the left rear cylinder head.
  87. Disconnect the engine oil pressure sensor from the back of the engine:
  88. Disconnect the electrical connector for the knock sensor, left side.
  89. Disconnect the electrical connector for the knock sensor, right side.
  90. Remove the driveline support bolts.
  91. Important: Visually inspect the transmission wiring harness to ensure detachment from the engine.

  92. Insert a flat-bladed screwdriver, or similar tool, between the edge of the driveline support and the flywheel housing, then separate the flywheel housing from the driveline support.
  93. Slowly pull the engine away from the propeller shaft.
  94. As soon as the propeller input shaft clears the flywheel housing, slowly raise the vehicle.
  95. Slide the engine and crossmember forward in order to clear the propeller shaft spline.
  96. Remove the electronic brake control module (EBCM). Refer to Electronic Brake Control Module Replacement .

  97. Object Number: 65347  Size: SH

    Important: Visually inspect the wiring harness clearances while raising the vehicle.

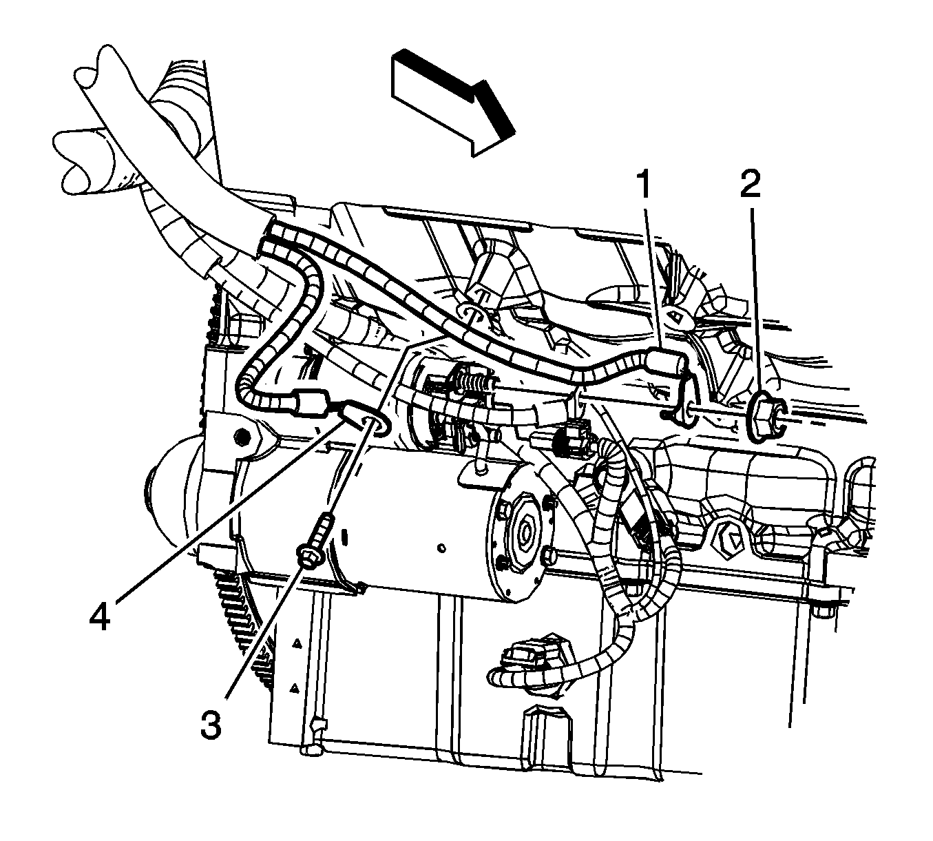
  98. Raise the vehicle completely off of the engine and crossmember.
  99. Remove the power steering pump pulley hub cap, if necessary.
  100. Using the J 25034-C remove the power steering pump pulley.

  101. Object Number: 65354  Size: SH

    Important: It is not necessary to open the power steering system during the engine removal procedure.

  102. Remove the power steering pump bolts.
  103. Remove the power steering pump brace.
  104. Remove the power steering pump, with reservoir, from the engine, and reposition them to the crossmember.
  105. Remove the power steering pump assembly. Refer to Power Steering Pump Replacement .

  106. Object Number: 652357  Size: SH
  107. Remove the generator bracket bolts.
  108. Remove the generator bracket and power steering pump bracket.
  109. Install the J 41798 to the engine.
  110. Remove the engine mount nuts.
  111. Using a engine hoist and the J 41798 slowly raise the engine.
  112. Remove the engine from the crossmember.
  113. Remove the 4 catalytic converter-to-exhaust manifold nuts and remove the right catalytic converter.
  114. Remove the gasket.

  115. Remove the 4 catalytic converter-to-exhaust manifold nuts and remove the left catalytic converter.
  116. Remove the gasket.


    Object Number: 1708804  Size: SH
  117. Remove the flywheel housing bolts.
  118. Remove the flywheel housing from the engine block.
  119. Install the engine onto an engine stand and prepare for disassembly.
  120. Remove the engine hoist.
  121. Remove the J 41798 from the engine.
  122. Remove the engine mount bracket bolts.
  123. Remove the engine mount brackets from the engine block.
  124. Notice: Avoid engine damage. Debris in the engine oil tank, oil tank hoses and engine oil cooler may be pulled back into the engine causing severe engine damage. You must clean the engine oil tank, and replace the engine oil hoses and engine oil cooler.

  125. If the engine failed and debris was created, the engine oil tank must be cleaned and the oil tank hoses and engine oil cooler must be replaced:
  126. 96.1. Remove the engine oil tank. Refer to Oil Tank Replacement .
    96.2. Disassemble the engine oil tank. Refer to Oil Tank Disassemble .
    96.3. Clean and inspect the oil tank. Refer to Oil Tank Cleaning and Inspection .
    96.4. Assemble the engine oil tank. Refer to Oil Tank Assemble .
    96.5. Replace the engine oil cooler. Refer to Auxiliary Engine Oil Cooler Replacement .

Installation Procedure

    Important: The steps in the following procedure are in a specific order. Follow these steps in this order and ignore no details.

  1. If removed, install the engine oil tank. Refer to Oil Tank Replacement .
  2. Do NOT install the right front tire and wheel at this time.

  3. If discarded, install a new engine oil cooler. Refer to Auxiliary Engine Oil Cooler Replacement .
  4. Prepare the engine for installation.

  5. Object Number: 1708804  Size: SH
  6. Install the engine mount brackets to the engine block.
  7. Notice: Refer to Fastener Notice in the Preface section.

  8. Install the engine mount bracket bolts.
  9. Tighten
    Tighten the engine mount bracket bolts to 50 N·m (37 lb ft).

  10. Install the J 41798 to the engine.
  11. Using an engine hoist and the J 41798 raise the engine slightly.
  12. Remove the engine from the engine stand.
  13. Install the flywheel housing to the engine block.
  14. Install the flywheel housing bolts.
  15. Tighten
    Tighten the flywheel housing bolts to 50 N·m (37 lb ft).

  16. Position the gasket, the left catalytic converter and install the 4 catalytic converter-to-exhaust manifold nuts.
  17. Tighten
    Tighten the 4 catalytic converter-to-exhaust manifold nuts to 50 N·m (37 lb ft).

  18. Position the gasket, the right catalytic converter and install the 4 catalytic converter-to-exhaust manifold nuts.
  19. Tighten
    Tighten the 4 catalytic converter-to-exhaust manifold nuts to 50 N·m (37 lb ft).

  20. Using an engine hoist and the J 41798 lower the engine onto the crossmember.
  21. Install the engine mount nuts.
  22. Tighten
    Tighten the engine mount nuts to 65 N·m (48 lb ft).

  23. Remove the J 41798 from the engine.
  24. Install the A/C compressor bracket.

  25. Object Number: 652357  Size: SH
  26. Install the generator bracket and power steering pump bracket.
  27. Install the generator bracket bolts until snug.
  28. Tighten the generator bracket bolts in the following order:
  29. 19.1. Inner power steering pump reservoir bracket bolt
    19.2. Upper generator bracket bolt
    19.3. Outer power steering pump reservoir bracket bolt
    19.4. Lower generator bracket bolt

    Tighten
    Tighten the generator bracket bolts to 50 N·m (37 lb ft).


    Object Number: 65354  Size: SH
  30. Install the power steering pump, with reservoir, to the generator bracket.
  31. Install the power steering pump brace.
  32. Install the power steering pump bolts.
  33. Tighten
    Tighten the power steering pump bolts to 25 N·m (18 lb ft).


    Object Number: 65348  Size: SH
  34. Using the J 25033-C install the power steering pump pulley.
  35. Install the power steering pump pulley hub cap, if necessary.
  36. Install the EBCM. Refer to Electronic Brake Control Module Replacement .
  37. Roll the engine and crossmember underneath the vehicle.
  38. Partially lower the vehicle onto the engine and crossmember.
  39. Install the ground strap and ground strap bolt to the rear of the left cylinder head.
  40. Tighten
    Tighten the ground strap bolt to 32 N·m (24 lb ft).

  41. Route the electrical harness and connect the CMP sensor electrical connector at the rear of the engine.

  42. Object Number: 1480894  Size: SH
  43. Reconnect the electrical connector (3) for the knock sensor (2), left side.
  44. Reconnect the electrical connector for the knock sensor, right side.
  45. Slide the engine and crossmember rearward. Do not force the engine onto the propeller spline.
  46. Position the engine to the proper height and angle in order to install the propeller input shaft.
  47. Insert the propeller input shaft into the clutch driven plate hub while maintaining the proper angle, DO NOT force. Rotate the shaft slightly to bring the 2 splines into alignment, if necessary.
  48. Slowly seat the flywheel housing to the driveline.
  49. Install the driveline support bolts.
  50. Tighten
    Tighten the driveline support bolts to 50 N·m (37 lb ft).

  51. Connect the master cylinder hose to the clutch actuator hose located underneath the vacuum brake booster.
  52. Install the driveline support bolts.
  53. Tighten
    Tighten the driveline support bolts to 50 N·m (37 lb ft).

  54. Lower the vehicle onto the crossmember and align the dowels.
  55. Important: Use only hand tools when tightening or torquing crossmember nuts.

  56. By HAND, install new crossmember nuts until snug.
  57. Tighten
    Tighten the crossmember nuts to 110 N·m (81 lb ft).

  58. Raise and suitably support the vehicle.
  59. Remove the J 39580 and the J 39580-500 .
  60. Remove the J 42203 from the vehicle.
  61. Route the transmission wire harness into place.
  62. Install the transmission wire harness bracket bolts.
  63. Tighten
    Tighten the transmission wire harness bracket bolts to 50 N·m (37 lb ft).

  64. Install the front transverse leaf spring. Refer to Front Transverse Spring Replacement .

  65. Object Number: 168544  Size: SH
  66. Install the lower control arm stud to the steering knuckle.
  67. Install a NEW steering knuckle nut.
  68. Tighten

    1. Tighten the steering knuckle nut to 20 N·m (15 lb ft) to seat the ball joint stud.
    2. Torque the steering knuckle nut an additional 210 degrees using J 36660-A .
    3. Check the steering knuckle nut for a final torque of 55 N·m (41 lb ft).
  69. Install the outer tie rod end stud to the steering knuckle.
  70. Install the outer tie rod end stud nut to the outer tie rod stud.
  71. Tighten

    1. Tighten the outer tie rod end stud nut to 20 N·m (15 lb ft) to seat stud.
    2. Turn the nut an additional 160 degrees.
    3. Check for the outer tie rod end stud nut for a minimum final torque of 45 N·m (33 lb ft).
  72. Connect the ABS electrical connector clips to the crossmember, if equipped.
  73. Install the front stabilizer shaft. Refer to Stabilizer Shaft Replacement .
  74. Clip the transmission wire harness the engine wire harness, at the white tape.
  75. Install the transmission wire harness clip bolts to the engine block.
  76. Tighten

    1. Tighten the transmission wire harness clip bolt, near the harness ground, to 32 N·m (23 lb ft).
    2. Tighten the transmission wire harness clip bolt, near the oil pan, to 25 N·m (18 lb ft).
  77. Install the EVO electrical connector clips to the crossmember.

  78. Object Number: 652265  Size: SH
  79. Clip the transmission wire harness to the crossmember.
  80. If equipped with RTD connect the following electrical connectors:
  81. • Position sensor pigtail
    • Shock absorber damper
  82. Position the ground straps to the engine block.

  83. Object Number: 1704668  Size: SH
  84. Install the battery positive/negative cable bolt (3) to the engine block.
  85. Tighten
    Tighten the battery positive/negative cable to engine block bolt to 40 N·m (30 lb ft).

  86. Connect the left exhaust HO2S electrical connectors.
  87. Install the AC compressor and condenser hose to the A/C compressor.
  88. Install the A/C compressor and condenser hose bolt at the compressor.
  89. Tighten
    Tighten the A/C compressor and condenser hose bolt, at the compressor, to 27 N·m (20 lb ft).

  90. Connect the right exhaust HO2S sensor electrical connector.

  91. Object Number: 1705990  Size: SH
  92. Connect the CMP sensor electrical connector.
  93. Connect the CKP sensor electrical connector.

  94. Object Number: 1708343  Size: SH
  95. Using a new oil cooler seal (3), install the oil cooler (2) and 2 bolts.
  96. Tighten
    Tighten the oil cooler bolts to 12 N·m (106 lb in).

  97. If the oil cooler hoses were discarded install new hoses. Refer to Engine Oil Cooler Hose/Pipe Replacement .

  98. Object Number: 1478646  Size: SH
  99. Install the front transmission cooler line retainer and bolt.
  100. Tighten
    Tighten the transmission cooler line retainer and bolts to 12 N·m (106 lb in).


    Object Number: 1478613  Size: SH
  101. Install the rear transmission cooler lines retainer and bolt.
  102. Tighten
    Tighten the transmission cooler line retainer and bolts to 12 N·m (106 lb in).


    Object Number: 1708415  Size: SH
  103. Using a new oil seal (1) install the oil tank outlet hose (3) and bolt (2) to the oil pan.
  104. Tighten
    Tighten the outlet hose to oil pan bolt to 22 N·m (16 lb ft).

  105. If the oil tank outlet hose was discarded install a new hose. Refer to Oil Tank Outlet Hose Replacement .

  106. Object Number: 1705736  Size: SH
  107. Using a new oil seal (1) install the oil tank inlet hose (2) and bolt (3) to the oil pan.
  108. Tighten
    Tighten the inlet hose to oil pan bolt to 22 N·m (16 lb ft).

  109. If the oil tank inlet hose was discarded install a new hose. Refer to Oil Tank Inlet Hose Replacement .
  110. Install the starter motor. Refer to Starter Motor Replacement .

  111. Object Number: 67894  Size: SH
  112. Install the driveline close-out panel.
  113. Install the driveline close-out panel bolts.
  114. Tighten
    Tighten the driveline close-out panel bolts to 12 N·m (106 lb in).

  115. Install the intermediate pipe. Refer to Intermediate Pipe Replacement .
  116. Install the front tires and wheels. Refer to Tire and Wheel Removal and Installation .
  117. Lower the vehicle.

  118. Object Number: 187354  Size: SH
  119. Install the intermediate steering shaft to the steering gear.
  120. Install the intermediate steering shaft bolt.
  121. Tighten
    Tighten the intermediate steering shaft bolt to 48 N·m (35 lb ft).

  122. Install the power brake booster vacuum hose.
  123. Connect the valved exhaust vacuum line at the brake booster.
  124. Install the generator. Refer to Generator Replacement .
  125. Connect the following electrical connectors to the engine:
  126. • The fuel injectors
    • The ignition coil main harness connectors
    • The EVAP solenoid
    • The electric throttle motor
    • The ECT sensor
    • The A/C compressor
    • The MAP sensor

    Object Number: 185256  Size: SH
  127. Install the heater hoses to the water pump.
  128. Install the radiator hoses to the water pump.
  129. Install the fuel feed hose. Refer to Fuel Hose/Pipes Replacement - Engine Compartment .
  130. Connect the EVAP emission canister purge hose at the fuel line.
  131. Install the accessory drive belt. Refer to Drive Belt Replacement - Accessory .
  132. Install the BPMV bracket. Refer to Brake Pressure Modulator Valve Bracket Replacement .
  133. Install the radiator. Refer to Radiator Replacement .
  134. Connect the negative battery cable. Refer to Battery Negative Cable Disconnection and Connection .
  135. Recharge the A/C system. Refer to Refrigerant Recovery and Recharging .
  136. Install the hood. Refer to Hood, Hinge, Rod, Stud Replacement - Hood .
  137. Program the transmitters. Refer to Transmitter Programming .
  138. Bleed the clutch hydraulic system. Refer to Hydraulic Clutch Bleeding .
  139. Disable the ignition system.
  140. Add 7.6 liters (8.0 quarts) of engine oil meeting GM standard GM 4718 m to the engine oil tank.
  141. Crank the engine several times. Listen for any unusual noises or evidence that parts are binding.
  142. Enable the ignition system.
  143. Start the engine and listen for unusual noises.
  144. Stop the engine and add oil to the engine oil tank as needed to bring the oil level to the full mark (approximately 2.4 liter (2.5 quarts).
  145. Perform the CKP system variation learn procedure. Refer to Crankshaft Position System Variation Learn .
  146. Start the engine and check the vehicle oil pressure gage and confirm that the engine has acceptable oil pressure.
  147. If necessary, install an oil pressure gage and measure the engine oil pressure.

  148. Run the engine speed at about 1,000 RPM until the engine has reached normal operating temperature.
  149. Listen for sticking lifters and other unusual noises.
  150. Inspect for fuel, oil, and/or other coolant leaks while the engine is running.
  151. Perform a final inspection for the proper engine oil and coolant levels.