GM Service Manual Online
For 1990-2009 cars only

Power Steering Return Hose Replacement FE

Removal Procedure


    Object Number: 663848  Size: SH
  1. Remove the power steering return hose (2) from the power steering fluid reservoir.
  2. Raise the vehicle on a hoist. Refer to Lifting and Jacking the Vehicle.
  3. Remove the power steering return hose (2) from the power steering gear (1).
  4. Remove the power steering return hose mounting bolts (3) from the crossmember (4).
  5. Remove the power steering return hose (2) from the vehicle.

Installation Procedure


    Object Number: 663848  Size: SH
  1. Install the power steering return hose (2) into the vehicle.
  2. Notice: Use the correct fastener in the correct location. Replacement fasteners must be the correct part number for that application. Fasteners requiring replacement or fasteners requiring the use of thread locking compound or sealant are identified in the service procedure. Do not use paints, lubricants, or corrosion inhibitors on fasteners or fastener joint surfaces unless specified. These coatings affect fastener torque and joint clamping force and may damage the fastener. Use the correct tightening sequence and specifications when installing fasteners in order to avoid damage to parts and systems.

  3. Install the power steering return hose mounting bolts (3) to the crossmember (4).
  4. Tighten
    Tighten the bolts to 11 N·m (97 lb in).

  5. Install the power steering return hose (2) to the power steering gear (1).
  6. Tighten
    Tighten the fitting to 27 N·m (20 lb ft).

  7. Lower the vehicle.
  8. Install the power steering return hose (2) to the power steering fluid reservoir.
  9. Bleed the power steering system. Refer to Power Steering System Bleeding.

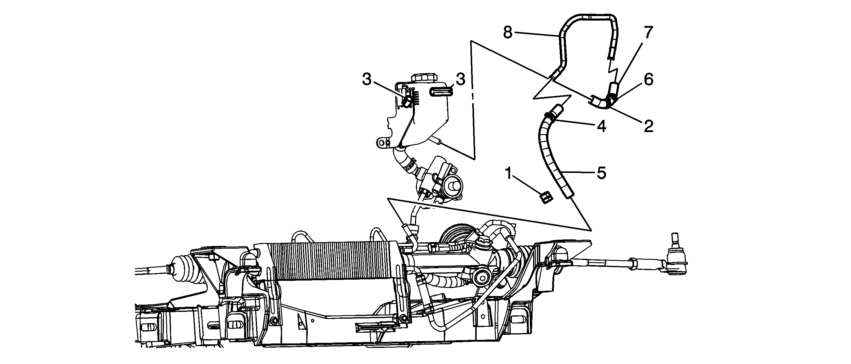
Power Steering Return Hose Replacement FE3


Object Number: 1739275  Size: SF

Callout

Component Name

Fastener Tightening Specifications: Refer to Fastener Tightening Specifications .

1

Clamps (Qty: 2).

Tip

    • Using the appropriate tool, remove the power steering fluid from the reservoir.
    • Use a flatbladed screwdriver to remove the clamp.
    • DO NOT reuse the clamps, replace with new.
    • Using the J 22610 , install the clamps on the inlet hose.

2

Clamp

3

Pipe

Tip
When removing or installing the return pipe, ensure that the return pipe is properly seated in the retaining clips on the reservoir.

4

Clamp

5

Hose

6

Clamp

7

Hose

8

Pipe