GM Service Manual Online
For 1990-2009 cars only

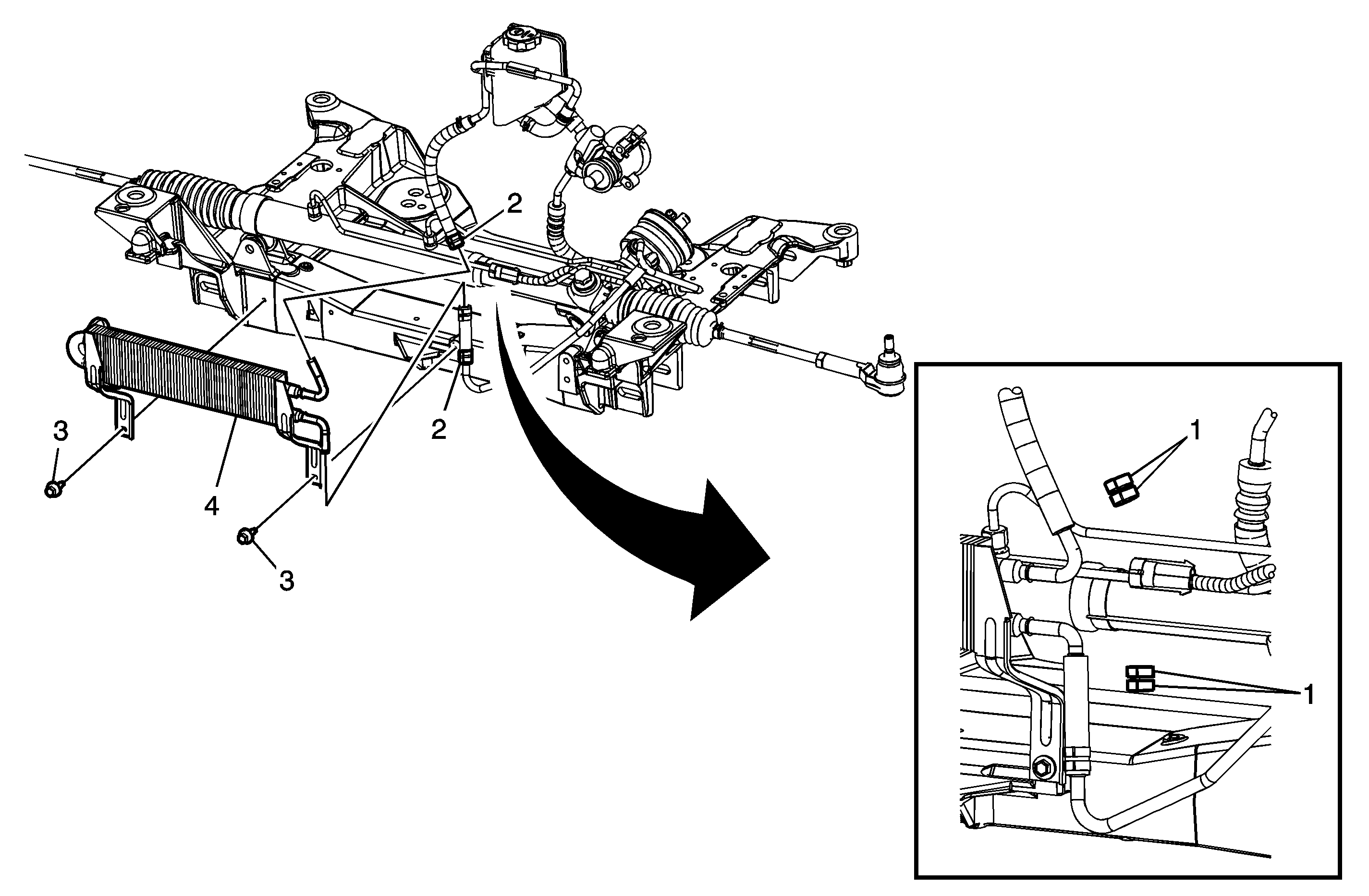
Object Number: 1739248  Size: MF

Callout

Component Name

Notice: Refer to Fastener Notice in the Preface section.

Fastener Tightening Specifications: Refer to Fastener Tightening Specifications .

Preliminary Procedure

Raise the vehicle. Refer to Lifting and Jacking the Vehicle .

1

Clamps (Qty: 4)

Tip

    • Using the appropriate tool, remove the steering fluid from the reservoir.
    • Use a flat bladed screwdriver to remove the clamp.
    • DO NOT reuse the old clamps, replace with new.
    • Using the J 22610 , install the clamps on the inlet and outlet hose for the power steering cooler.

2

Hoses

Tip
Relocate the hoses and pipes to the side.

3

Bolts (Qty: 2)

Tighten
Tighten the bolts to 27 N·m (20 lb ft).

4

Power Steering Cooler