GM Service Manual Online
For 1990-2009 cars only
Makes
🢒
Chevrolet
🢒
2006
🢒
Corvette
🢒
Steering
🢒
Steering Wheel and Column
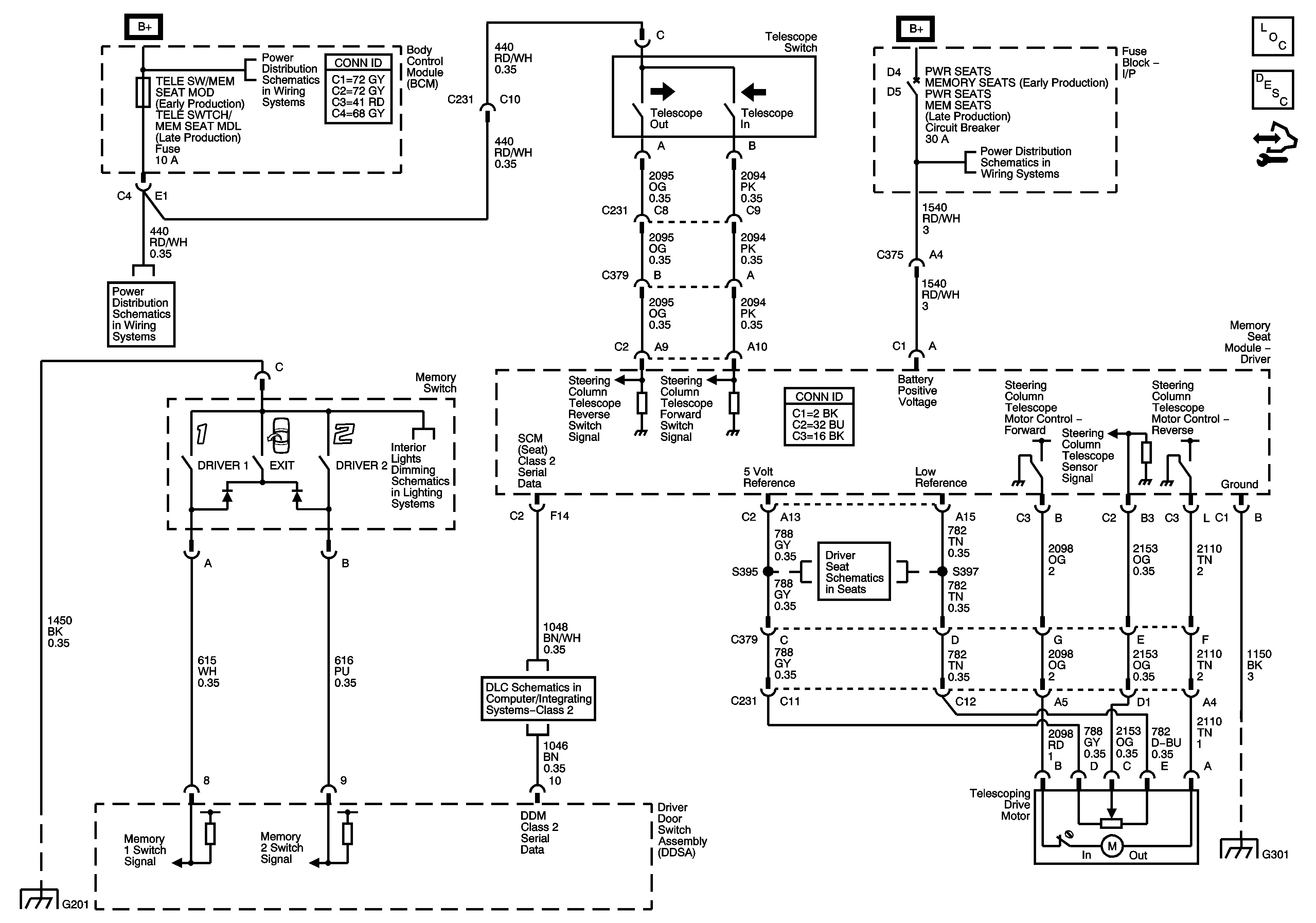
🢒 Tilt/Telescoping Steering Column Schematics
Master Electrical Component List
Steering Wheel and Column Description and Operation
Control Module References
Fuse Block - Underhood Fuse BATT5, BCM Fuses: DRIV DR SW, IGN SW/INTR SENS, ONSTAR, TELE SW/MEM SEAT MOD, and TPA
Fuse Block - Underhood Fuse BATT5, BCM Fuses: DRIV DR SW, IGN SW/INTR SENS, ONSTAR, TELE SW/MEM SEAT MOD, and TPA
Fuse Block - Underhood BATT1 Fuse, Fuse Block - I/P, DRVR HTD SEAT, and PASS HTD SEAT Fuses, PWR SEATS MEMORY SEATS and PRW/WNDWS TRUNK/FUEL RELSE Circuit Breakers
DLC, HVAC Control Module, Radio and Switches
Memory Seat (AAB), 2 of 2
Class 2
G201
G301