GM Service Manual Online
For 1990-2009 cars only
Makes
🢒
Chevrolet
🢒
2006
🢒
Corvette
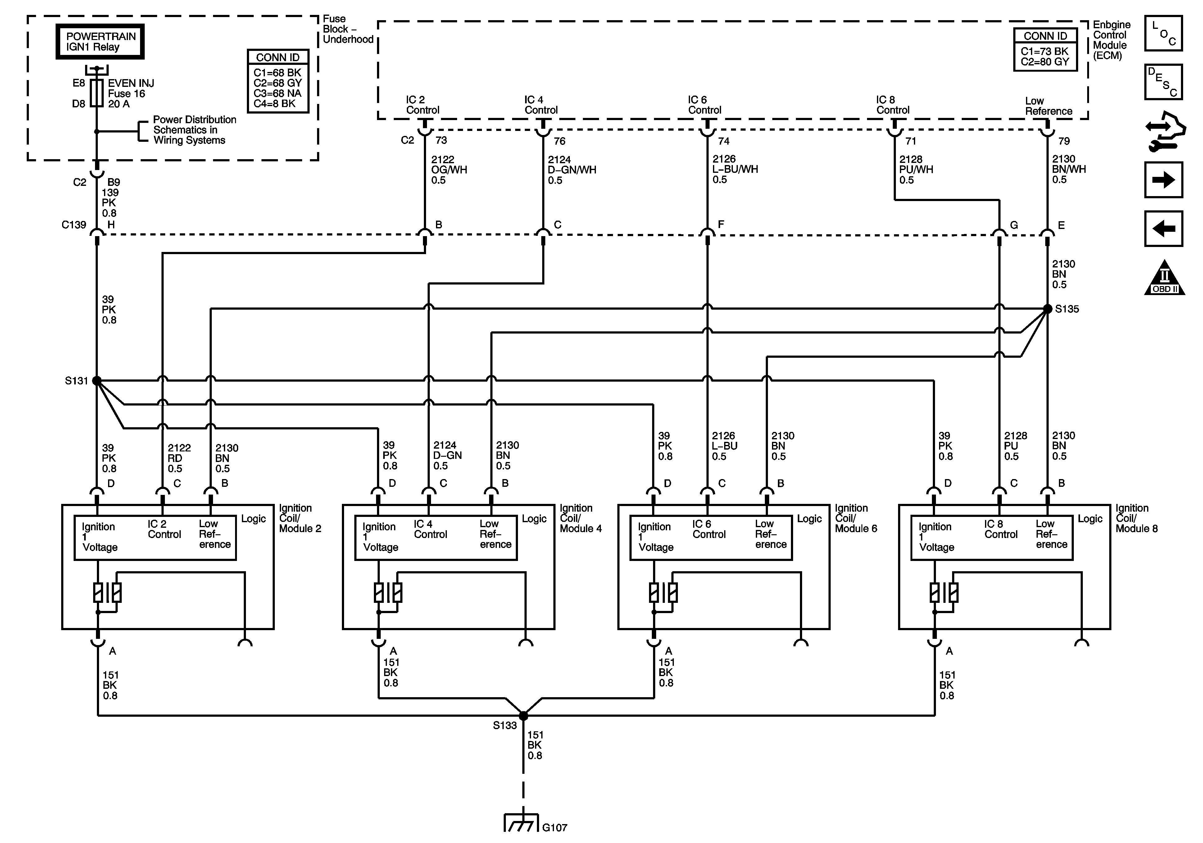
🢒 Ignition Controls System - Bank 2
Ignition Controls System - Bank 2
Ignition Controls System - Bank 2
Master Electrical Component List
Electronic Ignition (EI) System Description
Control Module References
Ignition Controls - Sensors
Ignition Controls System - Bank 1
OBD II Symbol Description Notice
Fuse Block - Underhood A/C COMP, EMISSION, EVEN INJ, MAN TRAN SOL, 02 SEN, ODD INJ, and PT INPUT/ETC Fuses, A/C COMP and POWERTRAIN IGN1 Relays
G105 and G107