GM Service Manual Online
For 1990-2009 cars only
Makes
🢒
Chevrolet
🢒
2006
🢒
Corvette
🢒 Driver
Driver
Driver
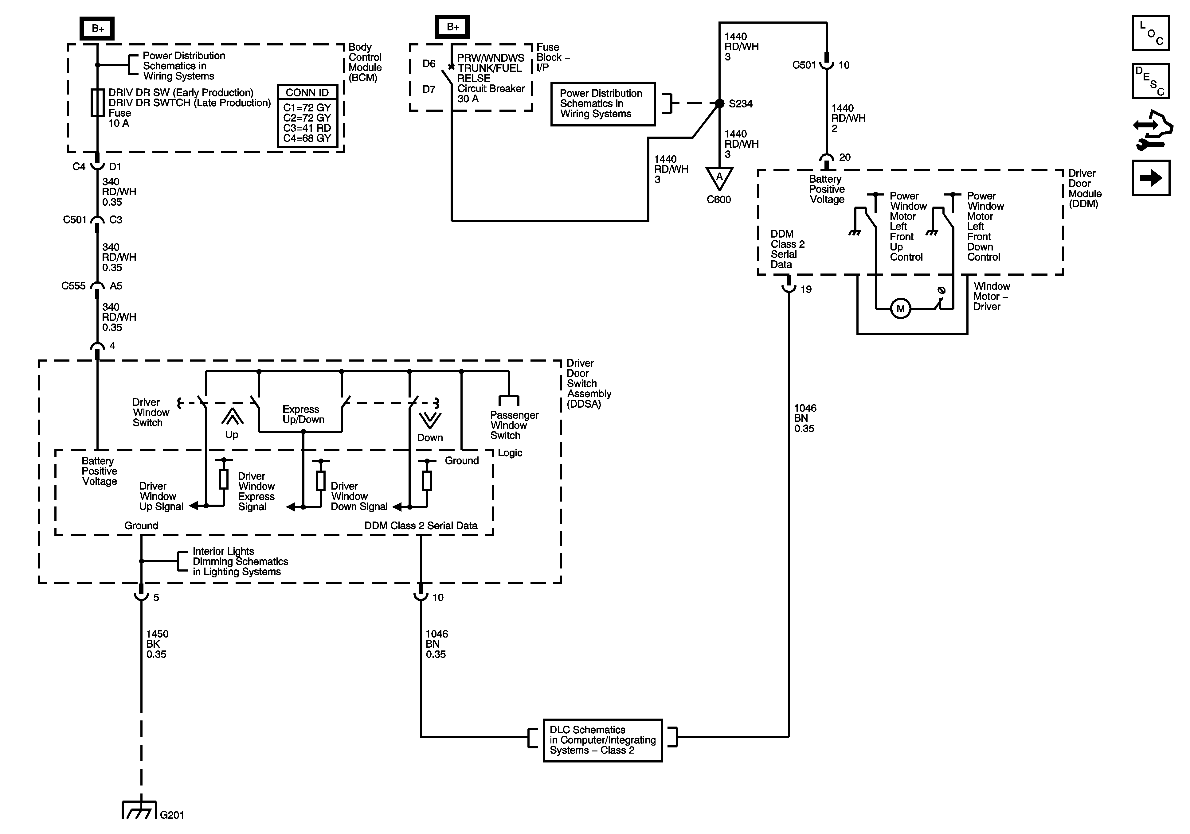
Master Electrical Component List
Power Windows Description and Operation
Control Module References
Passenger
Fuse Block - Underhood Fuse BATT5, BCM Fuses: DRIV DR SW, IGN SW/INTR SENS, ONSTAR, TELE SW/MEM SEAT MOD, and TPA
Passenger
DLC, HVAC Control Module, Radio and Switches
G201
Class 2