GM Service Manual Online
For 1990-2009 cars only
Makes
🢒
Chevrolet
🢒
2006
🢒
Corvette
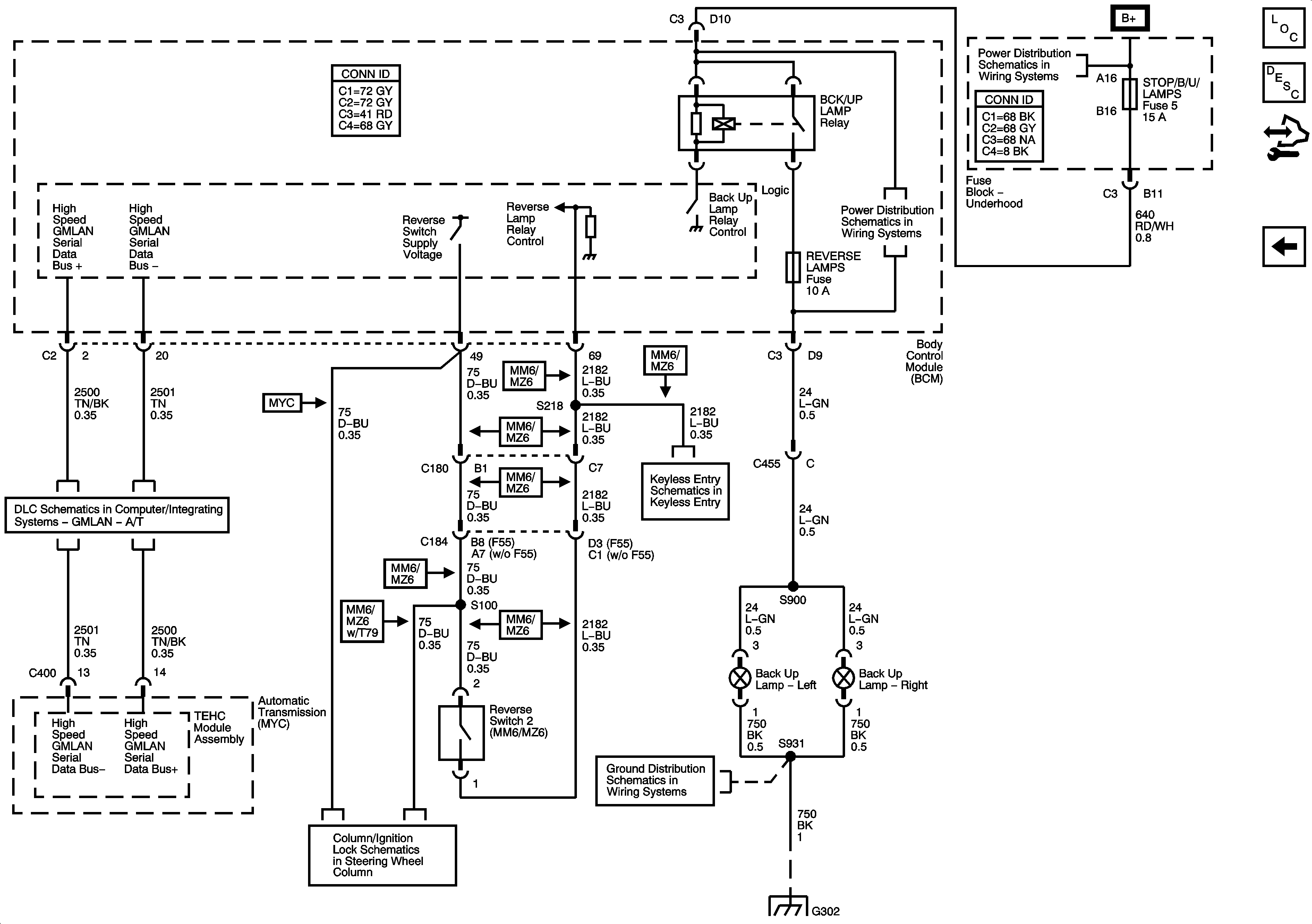
🢒 Back Up Lamps
Back Up Lamps
Backup Lamps
Master Electrical Component List
Exterior Lighting Systems Description and Operation
Control Module References
Hazard, Stop Lamps, and Turn Signal Outputs (Y87)
Fuse Block - Underhood Bussing
Fuse Block - Underhood BATT3 and STOP/B/U/LAMPS Fuses, BCM Fuses: BTSI SOL/COL LOCK, RDO/S-BAND/VICS, REAR FOG/ALDL/TOP SW, REVERSE LAMPS and TONNEAU RELSE and BCK/UP LAMP and STOP LAMP Relays
GMLAN - A/T
Keyless Entry Schematics
G302, G401, and G402
Column/Ignition Lock Schematics (ULS)
G302, G401, and G402