GM Service Manual Online
For 1990-2009 cars only
Makes
🢒
Chevrolet
🢒
2006
🢒
Corvette
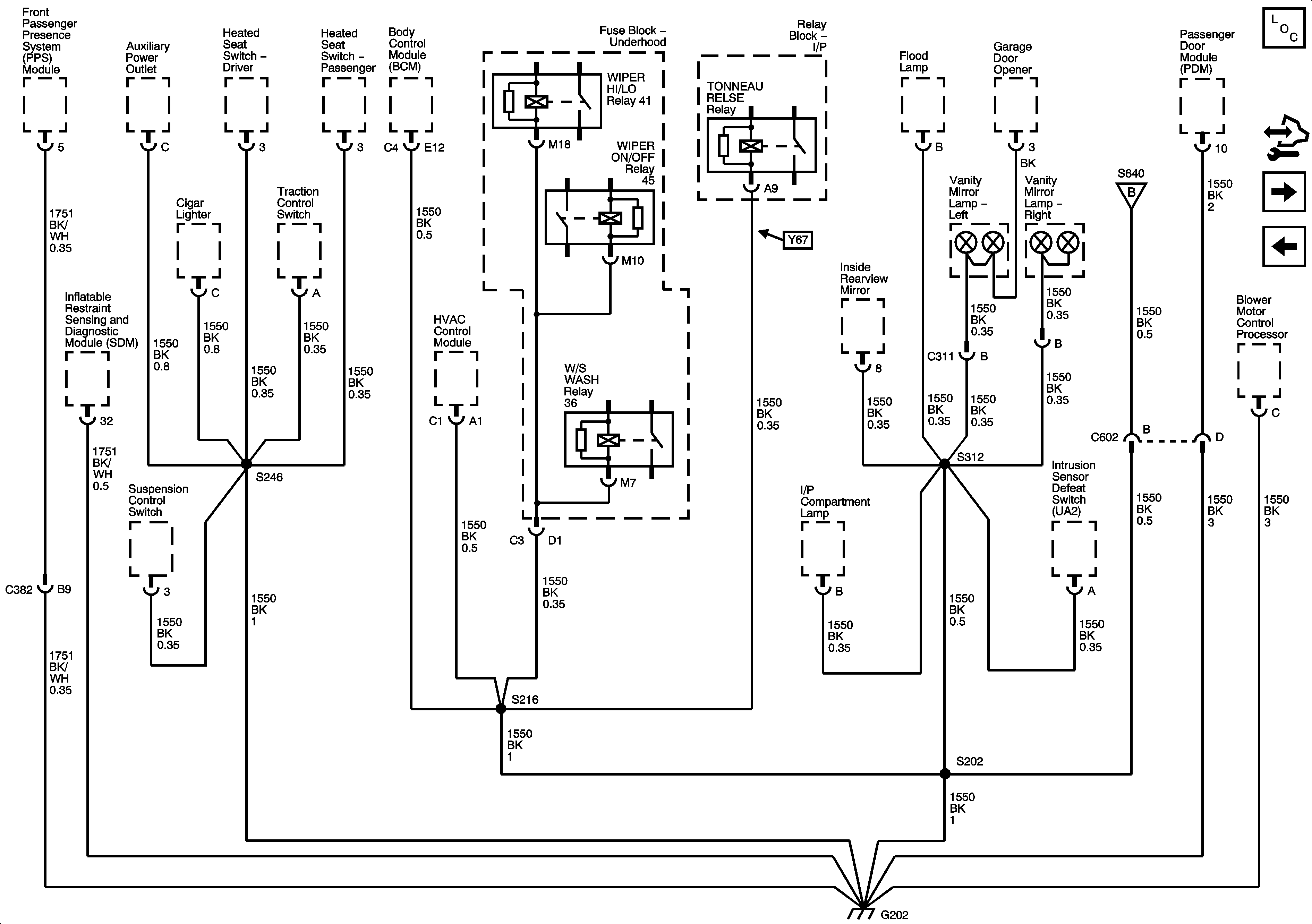
🢒 G202, 1 of 2
G202, 1 of 2
G202, 1 of 2
Master Electrical Component List
Control Module References
G202, 2 of 2
G201
G202, 2 of 2