GM Service Manual Online
For 1990-2009 cars only
Makes
🢒
Chevrolet
🢒
2006
🢒
Corvette
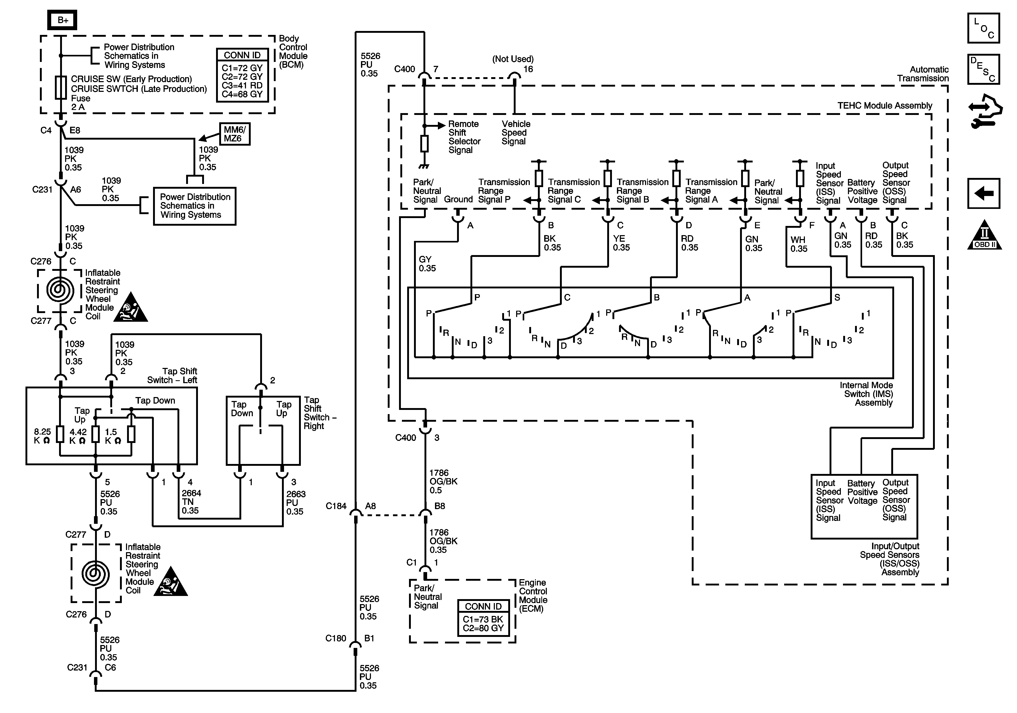
🢒 Input/Output Speed Sensors (ISS/OSS), Internal Mode Switch (IMS), and TAP Shift Switches
Input/Output Speed Sensors (ISS/OSS), Internal Mode Switch (IMS), and TAP Shift Switches
Input/Output Speed Sensors (ISS/OSS), Internal Mode Switch (IMS), and TAP Shift Switches
Master Electrical Component List
Transmission General Description
Control Module References
DLC, Ground, Power, and Stop Lamp Signal
OBD II Symbol Description Notice
BCM Fuses: CLSTR/HUD, CRUISE SW, CTSY/LAMP, DR LCK, EXH MOD, HVAC/PWR SND, ISRVM/HVAC and RUN CRNK Relay
BCM Fuses: CLSTR/HUD, CRUISE SW, CTSY/LAMP, DR LCK, EXH MOD, HVAC/PWR SND, ISRVM/HVAC and RUN CRNK Relay
SIR Caution for Zoning
SIR Caution for Zoning