GM Service Manual Online
For 1990-2009 cars only
Makes
🢒
Chevrolet
🢒
2007
🢒
Corvette
🢒
Diagnostic Navigation
🢒
Vehicle Diagnostic Information
🢒 SIR Schematics
Figure
1:
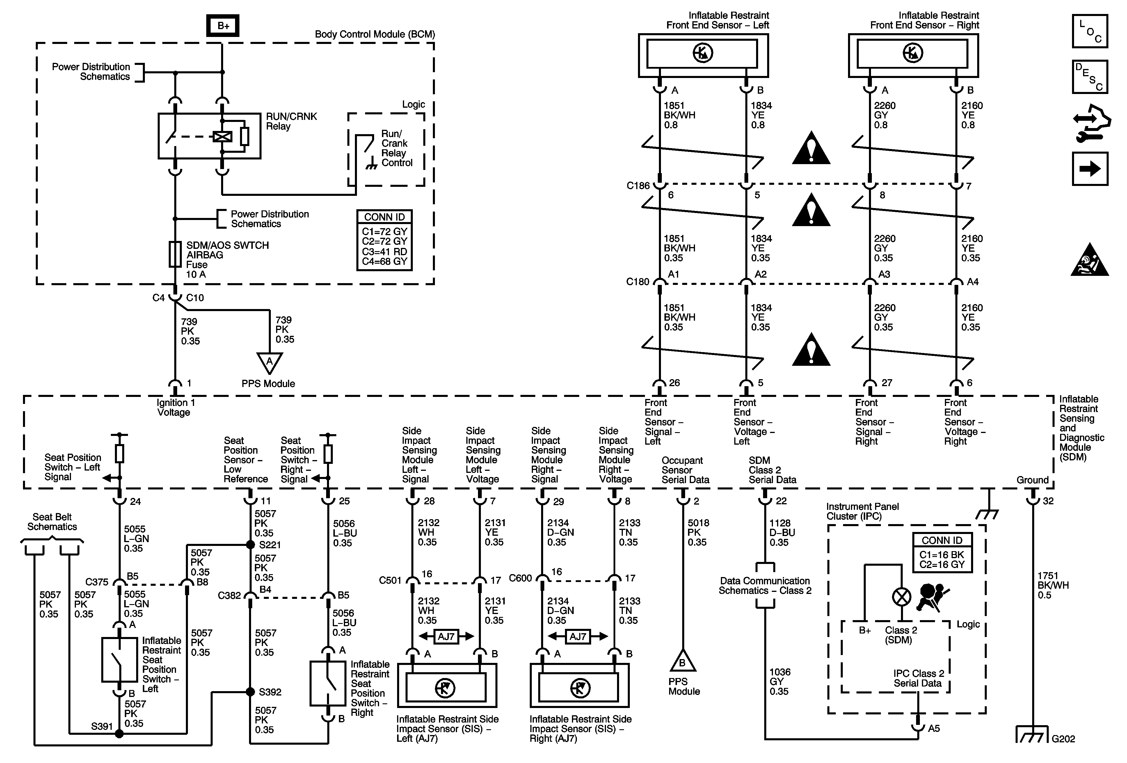
Ground, Indicator, Power, Sensors and Switches
Master Electrical Component List
SIR System Description and Operation
Control Module References
Deployment Loops
SIR Caution for Zoning
BCM Fuses: CLSTR/HUD, CRUISE SWTCH, CTSY/LAMP, DR LCK, EXH MDL, HVAC/PWR SND, ISRVM/HVAC and RUN CRNK Relay
BCM Fuses: ECM, HTD SEAT/WPR Relays, GM LAN RUN/CRNK, and SDM/AOS AIRBAG, Fuse Block - Underhood ABS/MRRTD and TCM/TRANS Fuses and WIPER RUN/ACC Relay
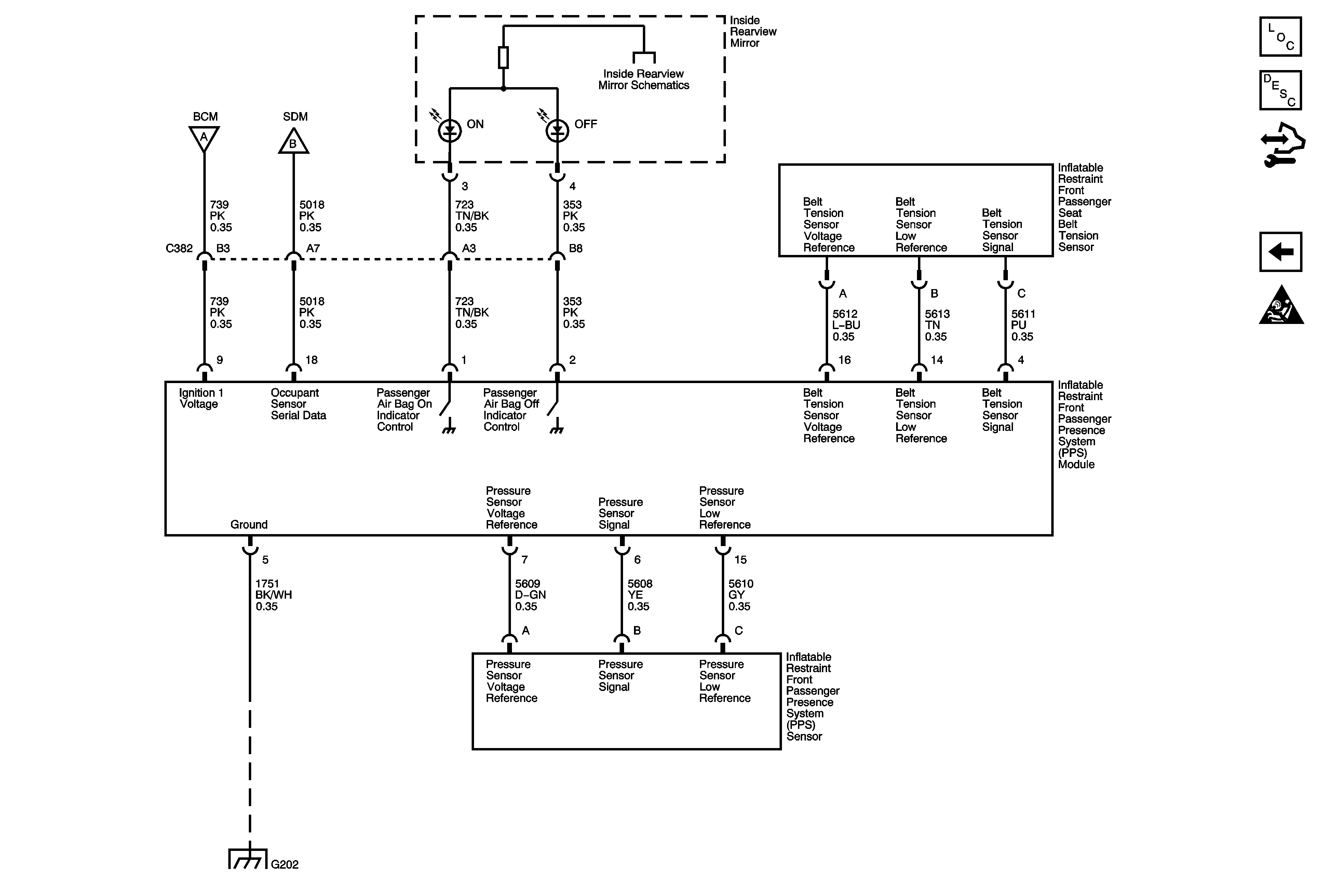
Passenger Presence System (PPS)
SIR Schematic Icons
SIR Schematic Icons
SIR Schematic Icons
Seat Belt Schematics
Passenger Presence System (PPS)
Class 2
G202, 1 of 2
Figure
2:
Deployment Loops
Master Electrical Component List
SIR System Description and Operation
Control Module References
Passenger Presence System (PPS)
Ground, Indicator, Power, Sensors and Switches
SIR Caution for Zoning
SIR Schematic Icons
Figure
3:
Passenger Presence System (PPS)
Master Electrical Component List
SIR System Description and Operation
Control Module References
Deployment Loops
SIR Caution for Zoning
Inside Rearview Mirror Schematics
Ground, Indicator, Power, Sensors and Switches
G202, 1 of 2