GM Service Manual Online
For 1990-2009 cars only
Makes
🢒
Chevrolet
🢒
2007
🢒
Corvette
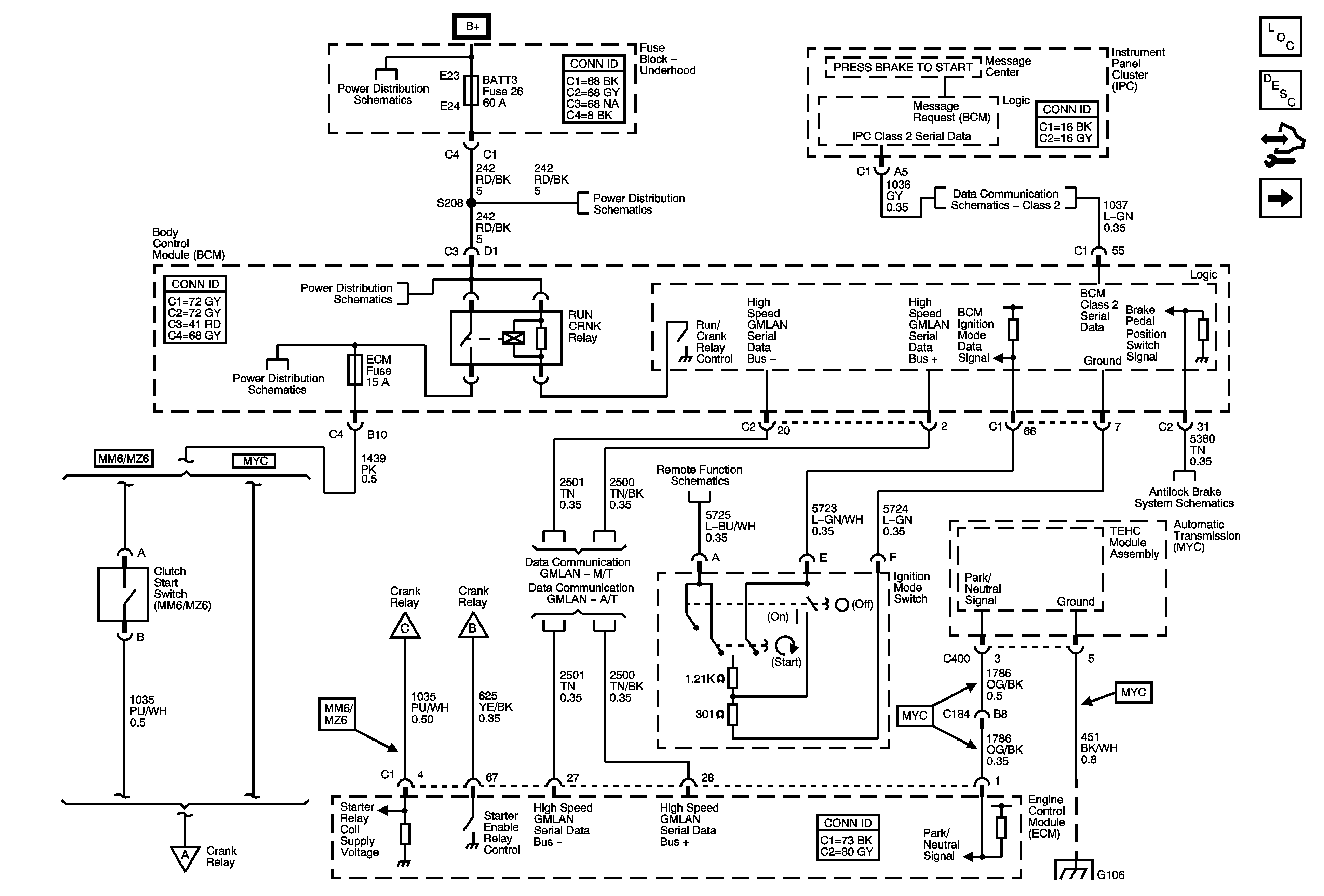
🢒 Cranking, 1 of 2
Cranking, 1 of 2
Cranking 1 of 2
Master Electrical Component List
Starting System Description and Operation
Control Module References
Cranking, 2 of 2
Fuse Block - Underhood BATT3 and STOP/B/U/LAMPS Fuses, BCM Fuses: BTSI SOL/STR WHL LCK, RDO/S-BAND/VICS, REAR FOG/ALDL/TOP SWTCH, REVERSE LAMPS and TONNEAU RELSE, BCK/UP LAMP, STOP LAMP Relays
Fuse Block - Underhood BATT3 and STOP/B/U/LAMPS Fuses, BCM Fuses: BTSI SOL/STR WHL LCK, RDO/S-BAND/VICS, REAR FOG/ALDL/TOP SWTCH, REVERSE LAMPS and TONNEAU RELSE, BCK/UP LAMP, STOP LAMP Relays
Class 2
BCM Fuses: CLSTR/HUD, CRUISE SWTCH, CTSY/LAMP, DR LCK, EXH MDL, HVAC/PWR SND, ISRVM/HVAC and RUN CRNK Relay
BCM Fuses: ECM, HTD SEAT/WPR Relays, GM LAN RUN/CRNK, and SDM/AOS AIRBAG, Fuse Block - Underhood ABS/MRRTD and TCM/TRANS Fuses and WIPER RUN/ACC Relay
Keyless Entry
Brake Pedal Signal and Traction Control Switch
GMLAN - M/T
GMLAN - A/T
Cranking, 2 of 2
Cranking, 2 of 2
G302, G401, and G402