GM Service Manual Online
For 1990-2009 cars only
Makes
🢒
Chevrolet
🢒
2007
🢒
Corvette
🢒 Messages
Messages
Messages
Master Electrical Component List
Instrument Cluster Description and Operation
Control Module References
Gages
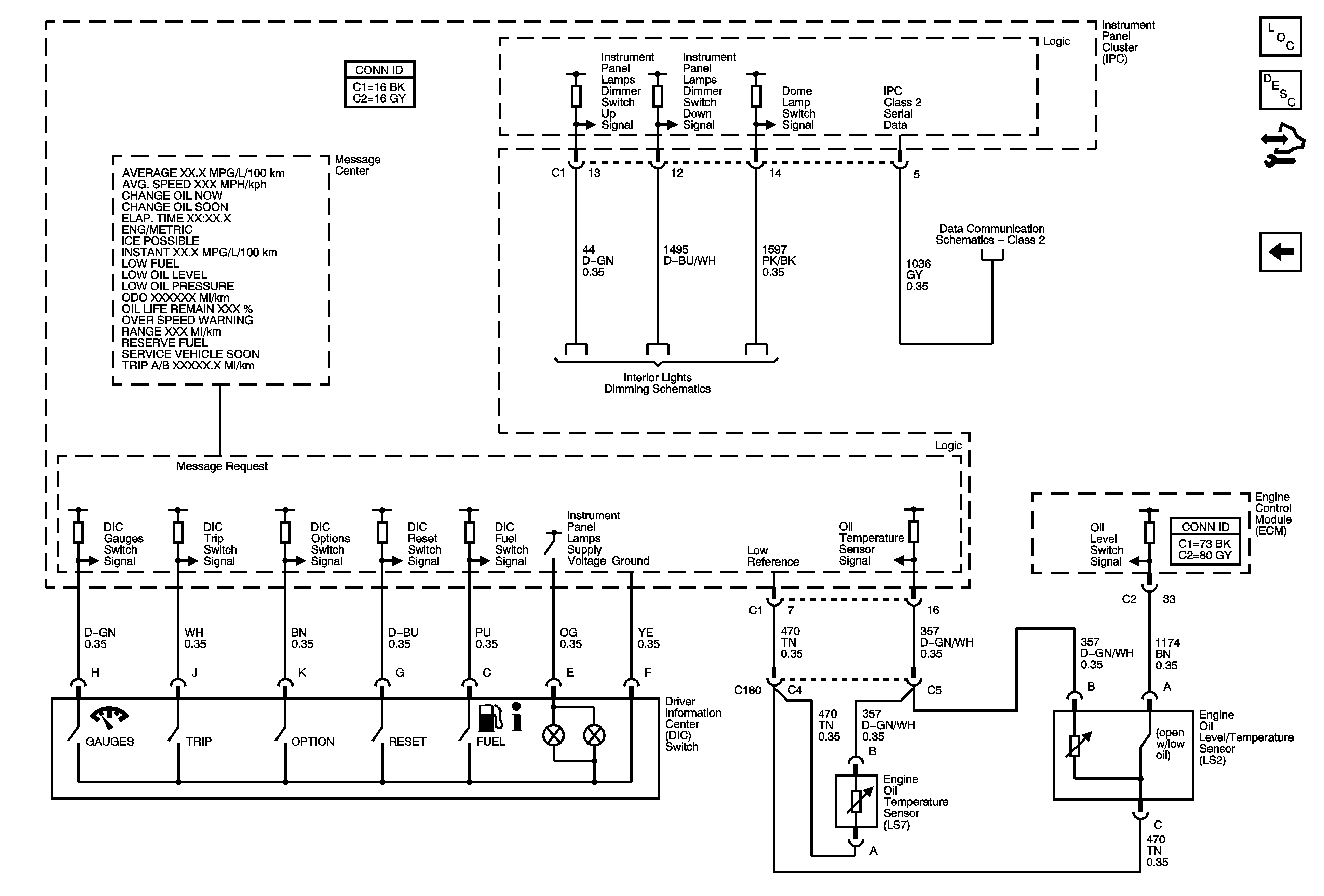
DIC, Dimmer Controls, IPC and Switches
Class 2