GM Service Manual Online
For 1990-2009 cars only
Makes
🢒
Chevrolet
🢒
2007
🢒
Corvette
🢒 Rear License, Marker and Park Lamps
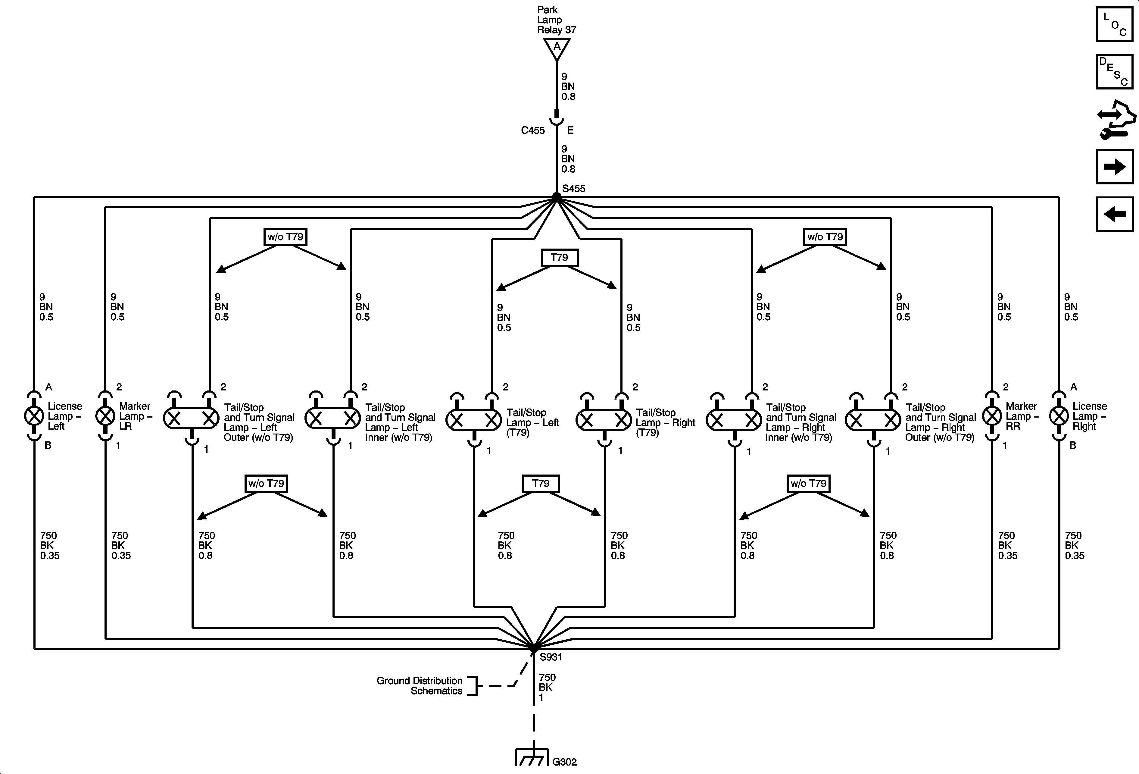
Rear License, Marker and Park Lamps
Rear License, Marker and Park Lamps
Master Electrical Component List
Exterior Lighting Systems Description and Operation
Control Module References
Hazard, Stop Lamps, and Turn Signal Inputs
Park Lamp Control, Front Marker, Park and Position Lamps
Park Lamp Control, Front Marker, Park and Position Lamps
G302, G401, and G402
G302, G401, and G402