GM Service Manual Online
For 1990-2009 cars only
Makes
🢒
Chevrolet
🢒
2007
🢒
Corvette
🢒 Front
Front
Front
Master Electrical Component List
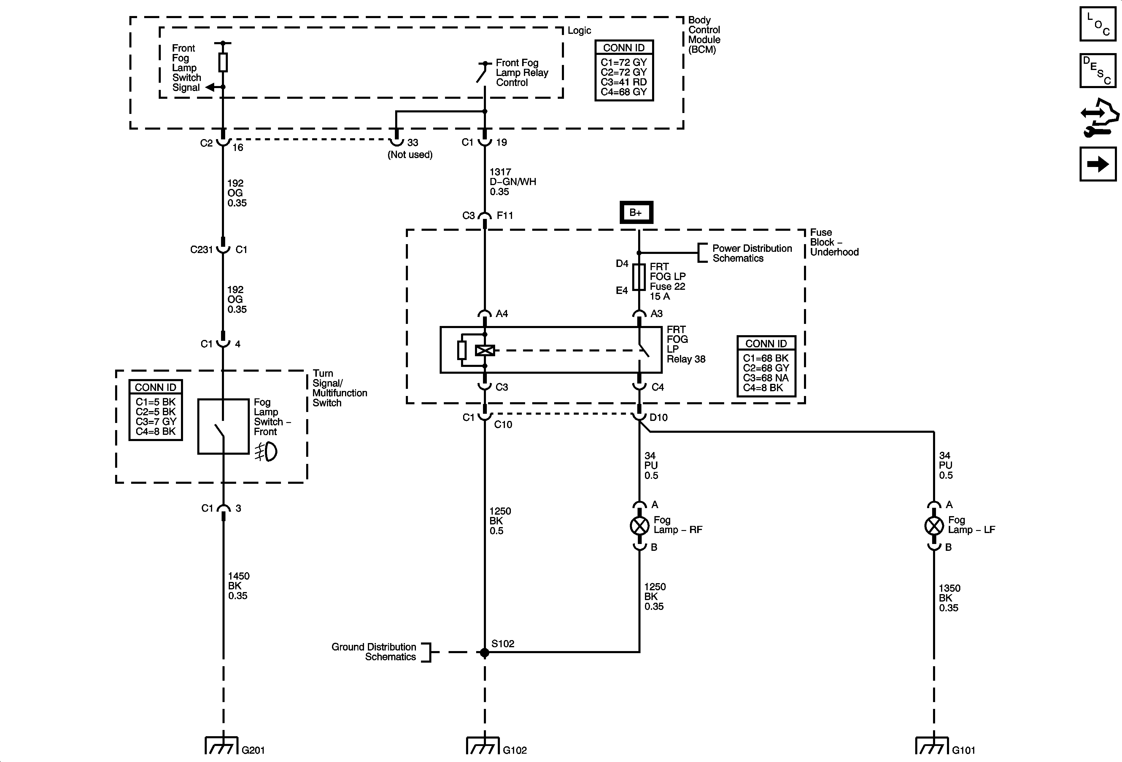
Exterior Lighting Systems Description and Operation
Control Module References
Rear (T79)
Fuse Block - Underhood Bussing
G102
G201
G102
G101