GM Service Manual Online
For 1990-2009 cars only
Makes
🢒
Chevrolet
🢒
2007
🢒
Corvette
🢒 Pumps and Switches
Pumps and Switches
Pumps and Switches
Master Electrical Component List
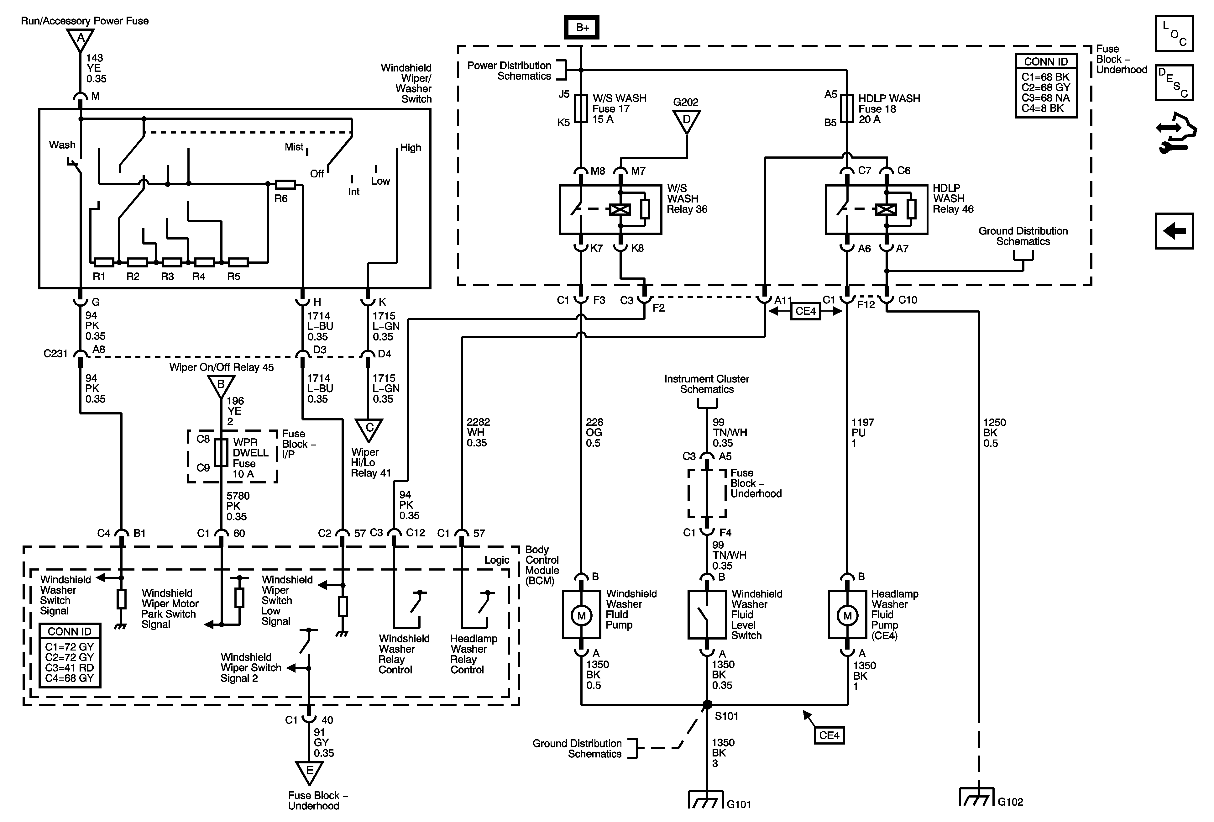
Wiper/Washer System Description and Operation
Control Module References
Ground, Power and Wiper Motor
Ground, Power and Wiper Motor
Fuse Block - Underhood Bussing
Ground, Power and Wiper Motor
G102
Ground, Power and Wiper Motor
Ground, Power and Wiper Motor
DLC, Ground, Indicators and Power
Ground, Power and Wiper Motor
G101
G101
G102