GM Service Manual Online
For 1990-2009 cars only
Makes
🢒
Chevrolet
🢒
2007
🢒
Corvette
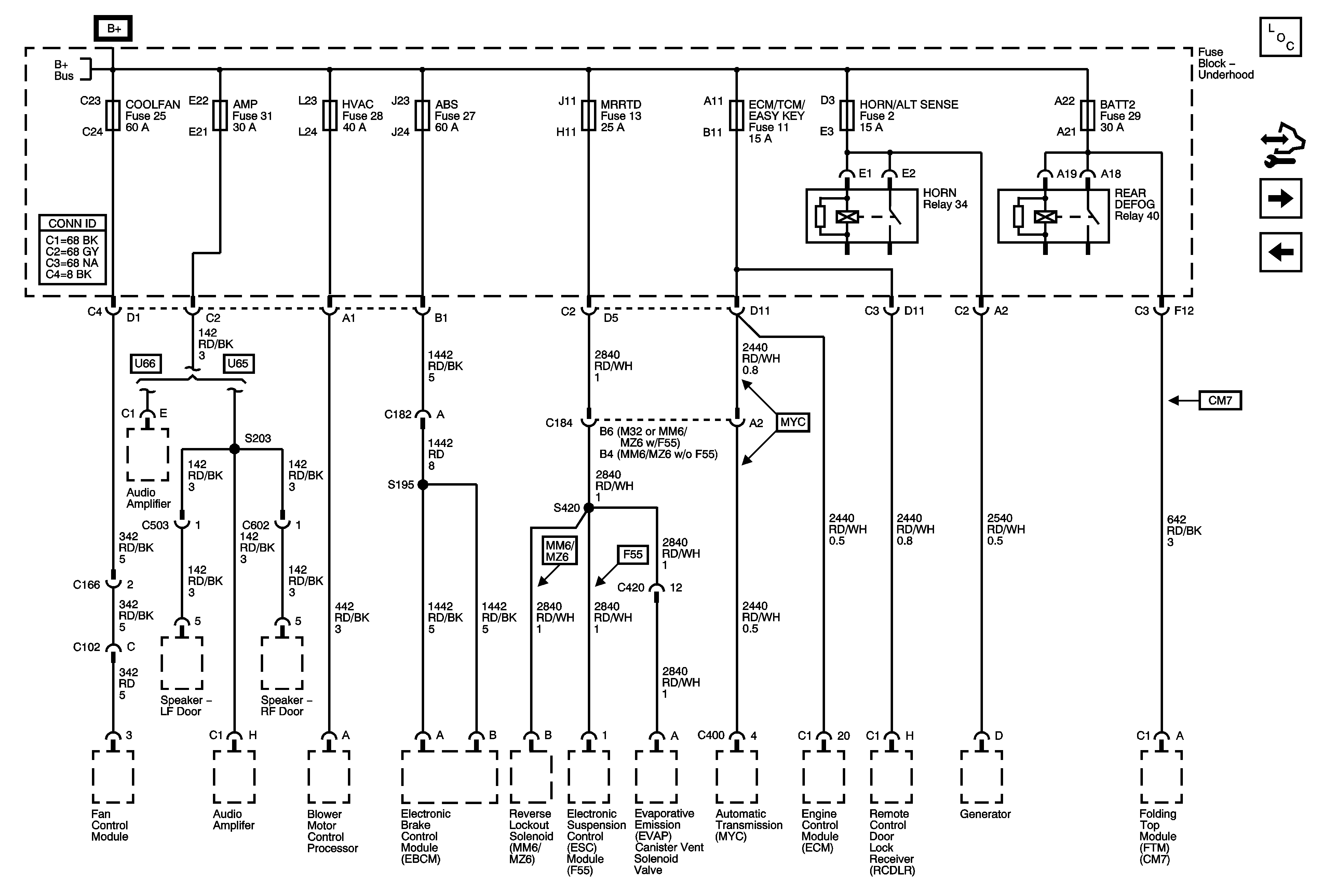
🢒 Fuse Block - Underhood ABS, AMP, BATT2, COOLFAN, ECM/TCM/EASY KEY, HORN/ALT SENSE, HVAC, and MRRTD Fuses
Fuse Block - Underhood ABS, AMP, BATT2, COOLFAN, ECM/TCM/EASY KEY, HORN/ALT SENSE, HVAC, and MRRTD Fuses
Fuse Block - Underhood-ABS, AMP, BATT2, COOL FAN, ECM/TCM EASY KEY, HORN/ALT SENSE, HVAC, and MRRTD Fuses
Master Electrical Component List
Control Module References
Fuse Block - Underhood BATT1 Fuse, Fuse Block - I/P, DRVR HTD SEAT, PASS HTD SEAT Fuses, PWR SEATS MSM and PRW/WNDWS TRUNK/FUEL RELSE Circuit Breakers
Fuse Block - Underhood Bussing
Fuse Block - Underhood Bussing