GM Service Manual Online
For 1990-2009 cars only
Makes
🢒
Chevrolet
🢒
2007
🢒
Corvette
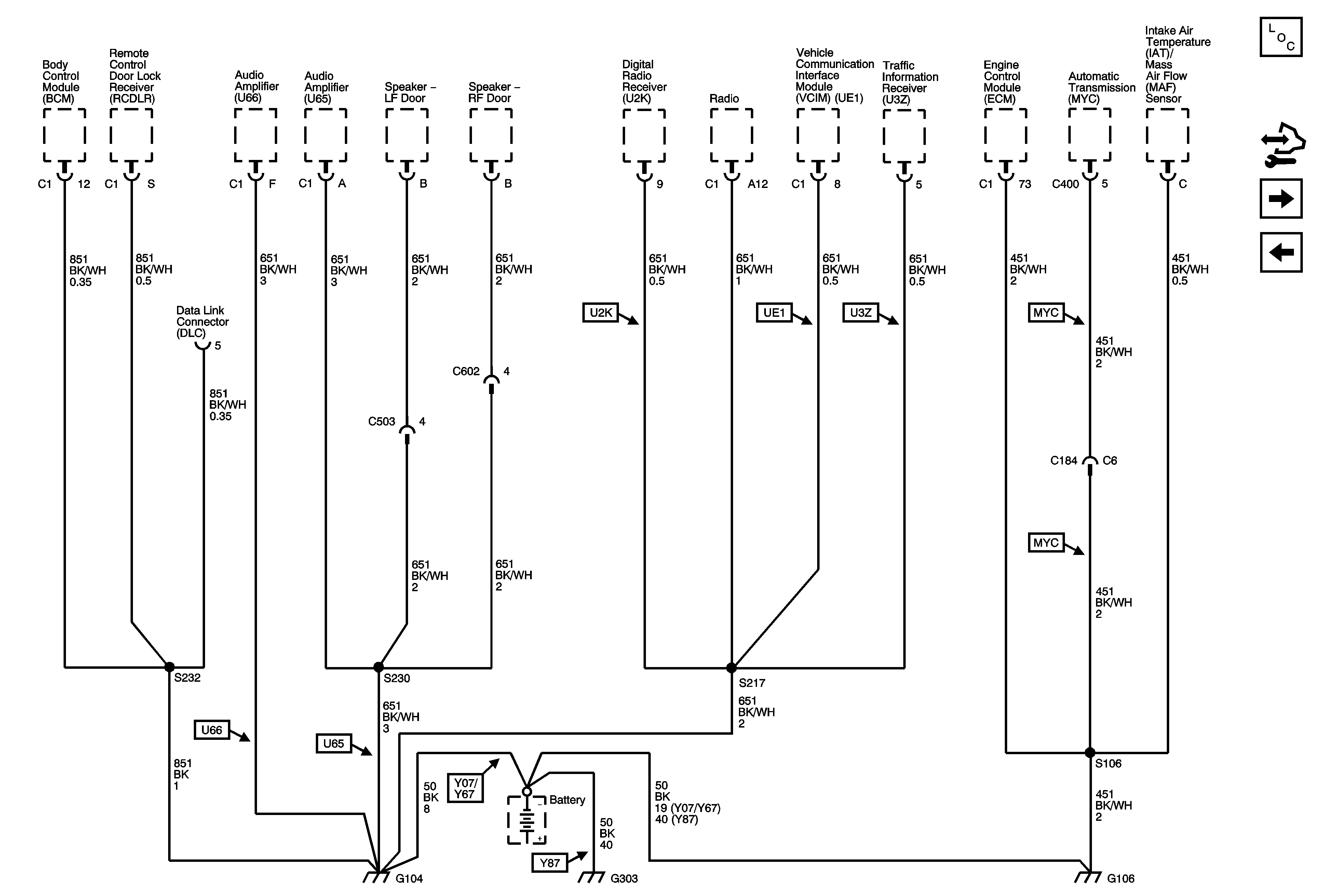
🢒 G104, G106, and G303
G104, G106, and G303
G104, G106, and G303
Master Electrical Component List
Control Module References
G105 and G107
G102