GM Service Manual Online
For 1990-2009 cars only

Battery Positive Cable Replacement 7.0L

Removal Procedure

  1. Disconnect the negative battery cable. Refer to Battery Negative Cable Disconnection and Connection .
  2. Disconnect the positive battery cable from the battery.
  3. Remove the rear compartment carpet. Refer to Rear Compartment Floor Panel Carpet Replacement.
  4. Remove the passenger rear compartment front side trim panel. Refer to Rear Compartment Side Trim Panel Replacement.
  5. Remove the right door sill plate. Refer to Door Sill Plate Replacement.
  6. Lift up the carpet to access the battery cables.

  7. Object Number: 1672703  Size: SH
  8. Remove the positive battery cable retainers.

  9. Object Number: 1672702  Size: SH
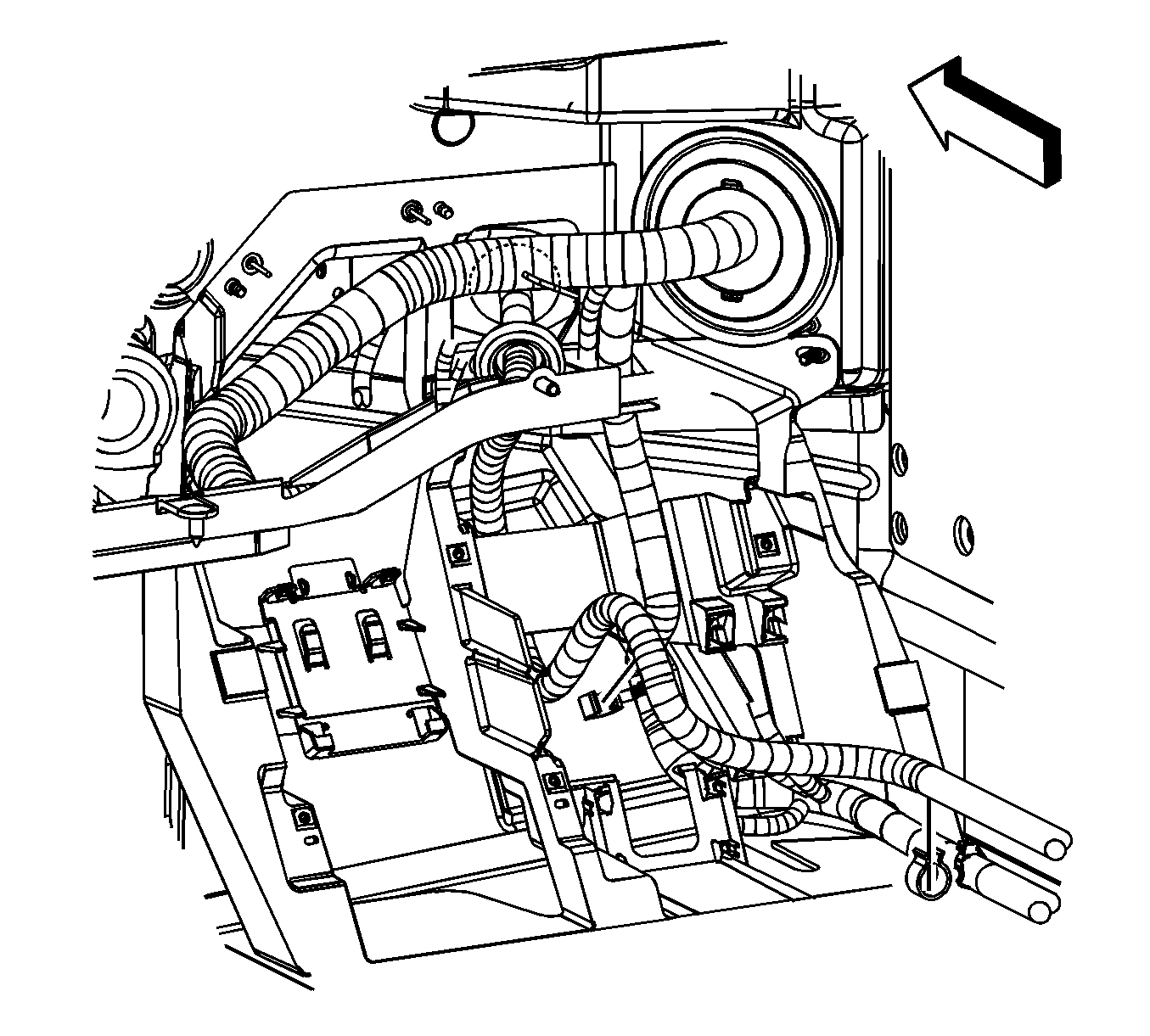
  10. Open the carpet on the fuse/relay center.

  11. Object Number: 1704615  Size: SH
  12. Remove the positive battery cable nut (1) from the fuse/relay center stud.
  13. Remove the positive battery cable lead (2) from the fuse/relay center stud.
  14. Remove the positive battery cable grommet from the dash panel.
  15. Pull the positive cable through the dash panel.
  16. Remove the positive battery cable.

Installation Procedure

  1. Position the positive battery cable.

  2. Object Number: 1672702  Size: SH
  3. Push the positive cable grommet into place in the dash panel.

  4. Object Number: 1672703  Size: SH
  5. Position the positive battery cable to retainers.
  6. Position the carpet back.
  7. Install the right door sill plate. Refer to Door Sill Plate Replacement.
  8. Install the passenger rear compartment front side trim panel. Refer to Rear Compartment Side Trim Panel Replacement.
  9. Install the rear compartment carpet. Refer to Rear Compartment Floor Panel Carpet Replacement.

  10. Object Number: 1704615  Size: SH
  11. Install the positive cable lead (2) to the fuse/relay center stud.
  12. Notice: Refer to Fastener Notice in the Preface section.

  13. Install the positive battery cable nut (1) to the fuse/relay center stud.
  14. Tighten
    Tighten the positive battery cable nut to 10 N·m (89 lb in).

  15. Close the stud cover on the fuse/relay center.
  16. Connect the positive battery cable to the battery.
  17. Connect the negative battery cable. Refer to Battery Negative Cable Disconnection and Connection.