GM Service Manual Online
For 1990-2009 cars only
Makes
🢒
Chevrolet
🢒
2008
🢒
Corvette
🢒
Diagnostic Navigation
🢒
Vehicle Diagnostic Information
🢒 Automatic Transmission Controls Schematics
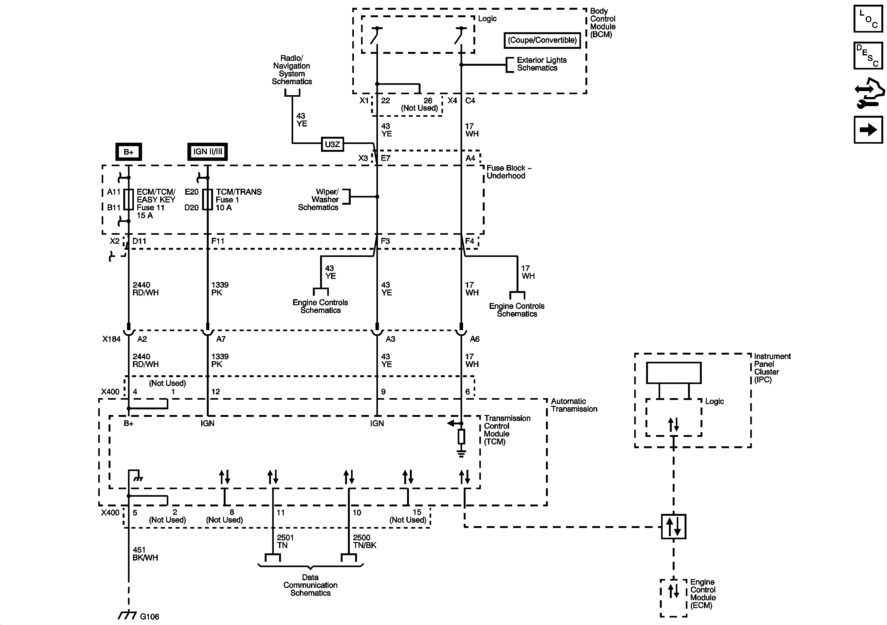
Figure
1:
Power, Ground, Serial Data, and Stop Lamp Switch Signal
Master Electrical Component List
Transmission General Description
Control Module References
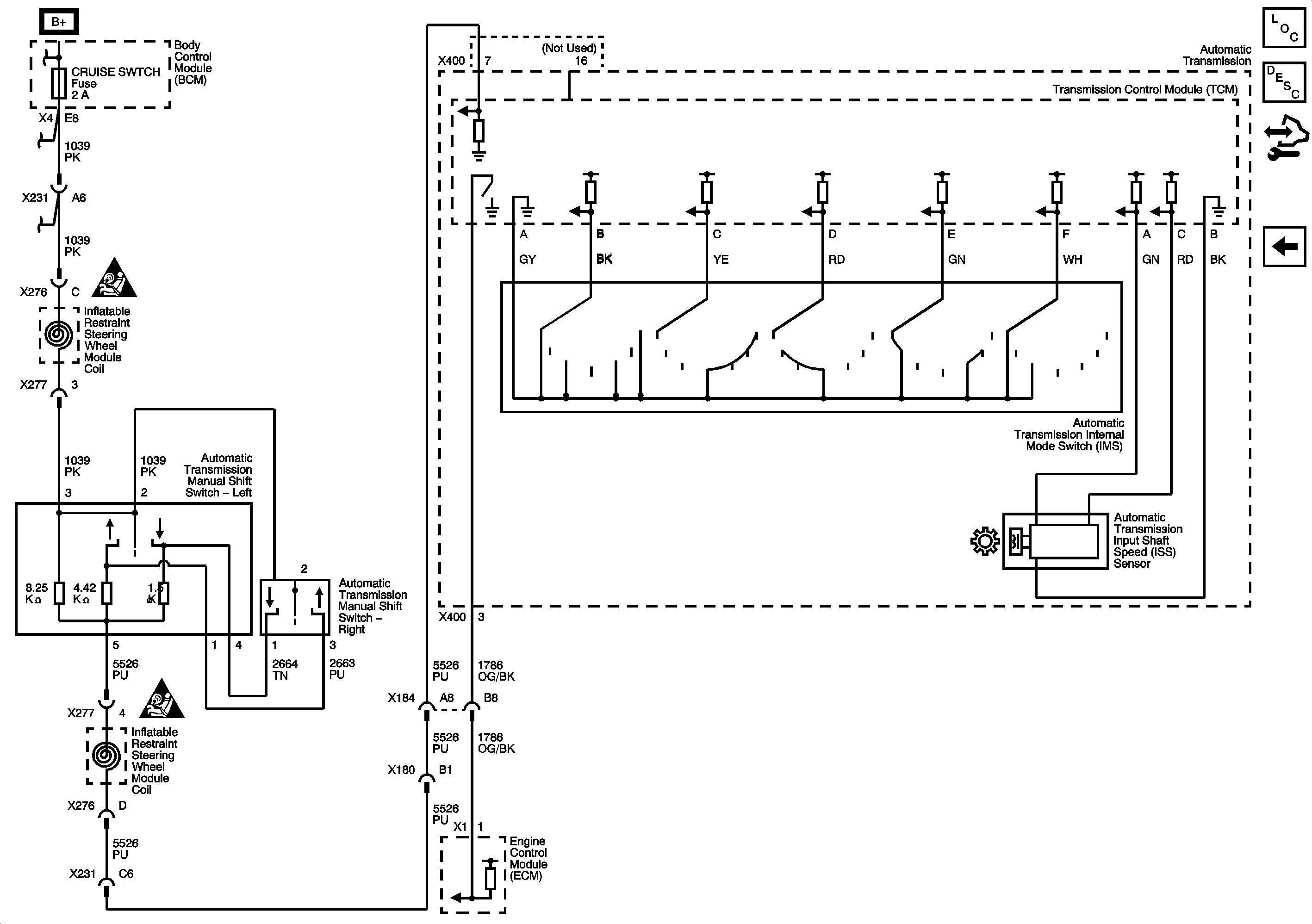
Input/Output Speed Sensors (ISS/OSS), Internal Mode Switch (IMS), and, TAP Shift Switches
Figure
2:
Input/Output Speed Sensors (ISS/OSS), Internal Mode Switch (IMS), and TAP Shift Switches
Master Electrical Component List
Transmission General Description
Control Module References
Power, Ground, Serial Data, and Stop Lamp Switch Signal