GM Service Manual Online
For 1990-2009 cars only

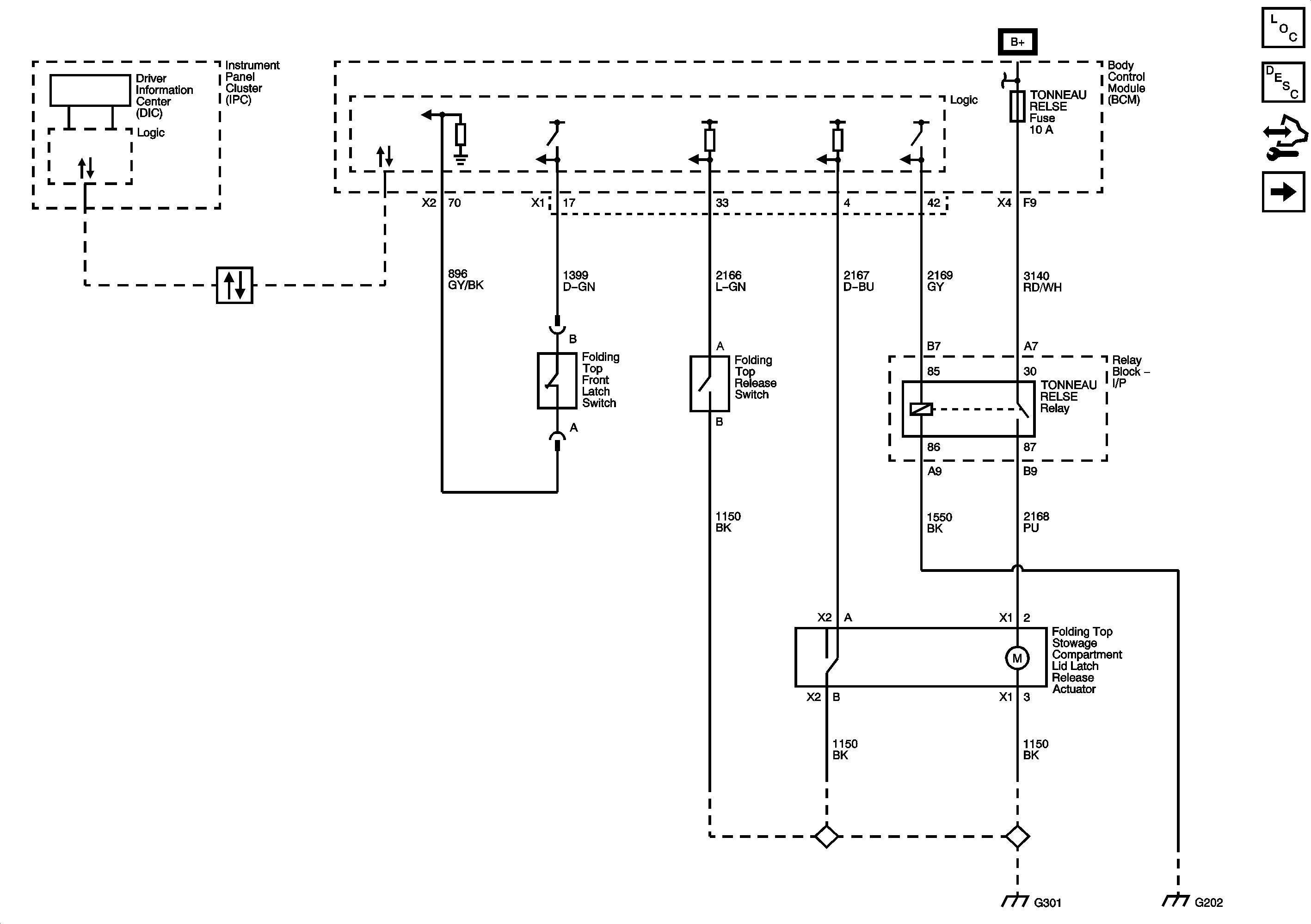
Folding Top Schematics Manual Folding Top

Manual Folding Top (Convertible w/o CM7)


Object Number: 1893240  Size: FS
Master Electrical Component List
Power Folding Top Description and Operation
Control Module References
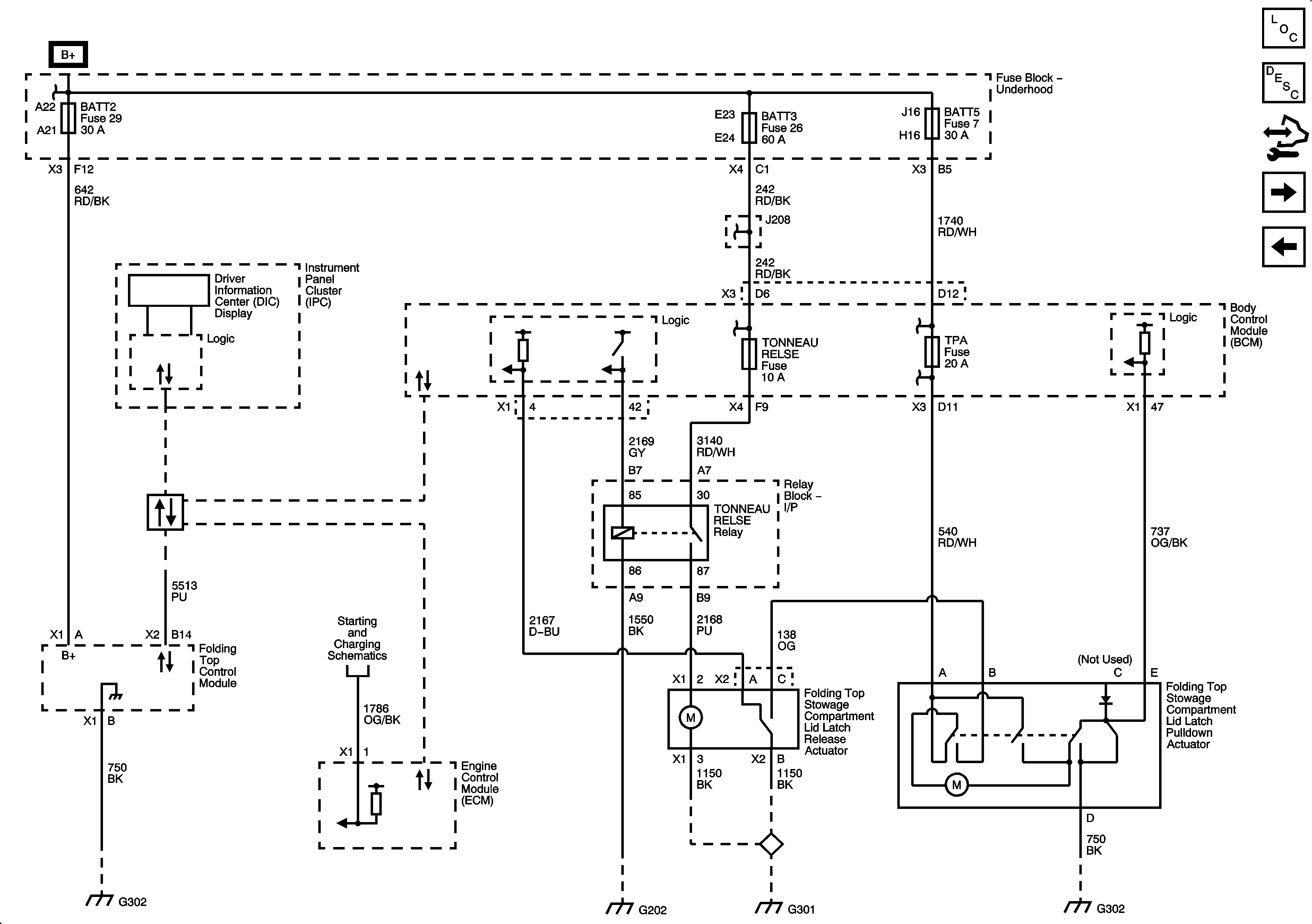
Power, Ground, Serial Data, and Lid Controls (CM7)

Folding Top Schematics Power Folding Top (CM7)

Figure 1:

Power, Ground, Serial Data, and Lid Controls (CM7)


Object Number: 1893243  Size: FS
Master Electrical Component List
Power Folding Top Description and Operation
Control Module References
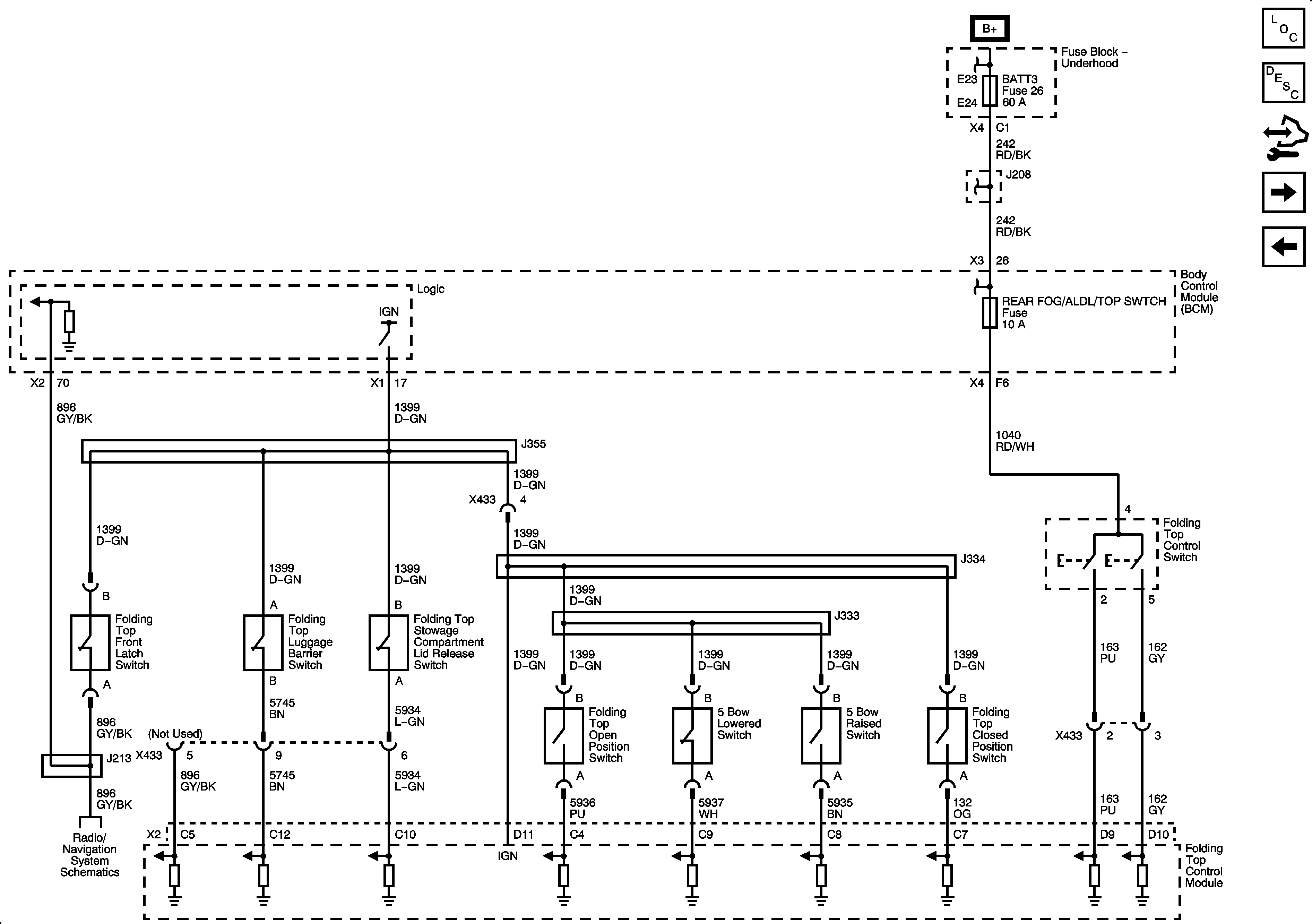
Switches (CM7)
Manual Folding Top (Convertable w/o CM7)
Figure 2:

Switches (CM7)


Object Number: 1893246  Size: FS
Master Electrical Component List
Power Folding Top Description and Operation
Control Module References
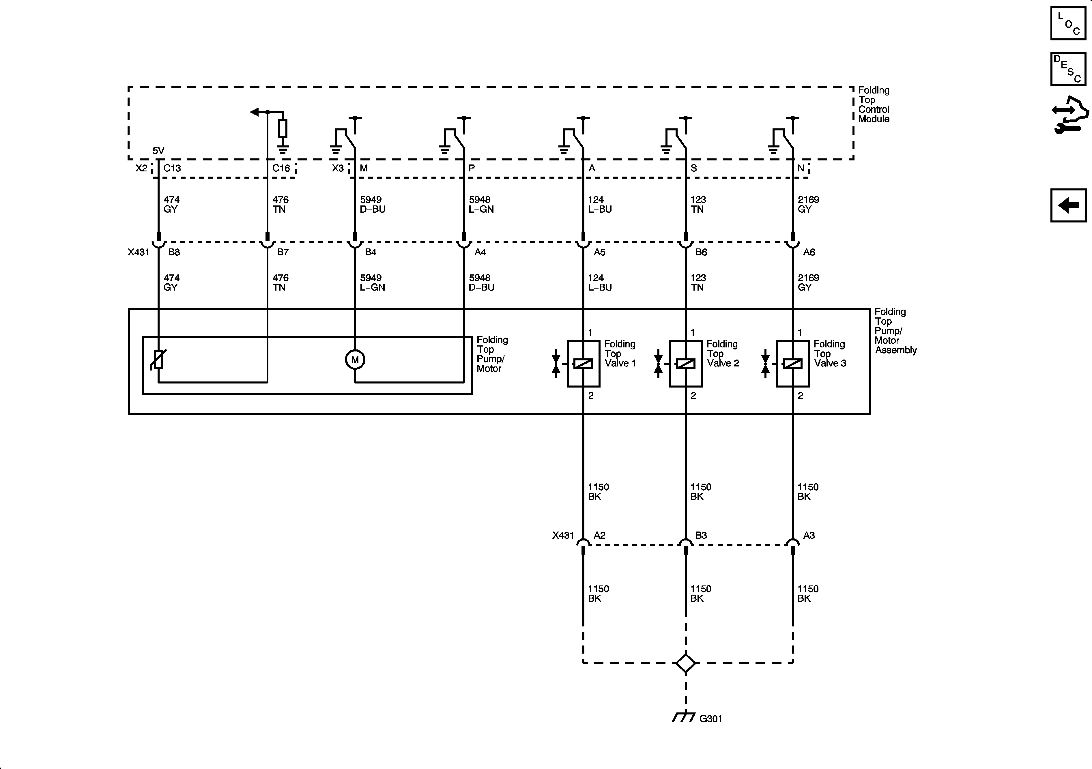
Pump and Valves (CM7)
Power, Ground, Serial Data, and Lid Controls (CM7)
Figure 3:

Pump and Valves (CM7)


Object Number: 1893249  Size: FS
Master Electrical Component List
Power Folding Top Description and Operation
Control Module References
Switches (CM7)