GM Service Manual Online
For 1990-2009 cars only
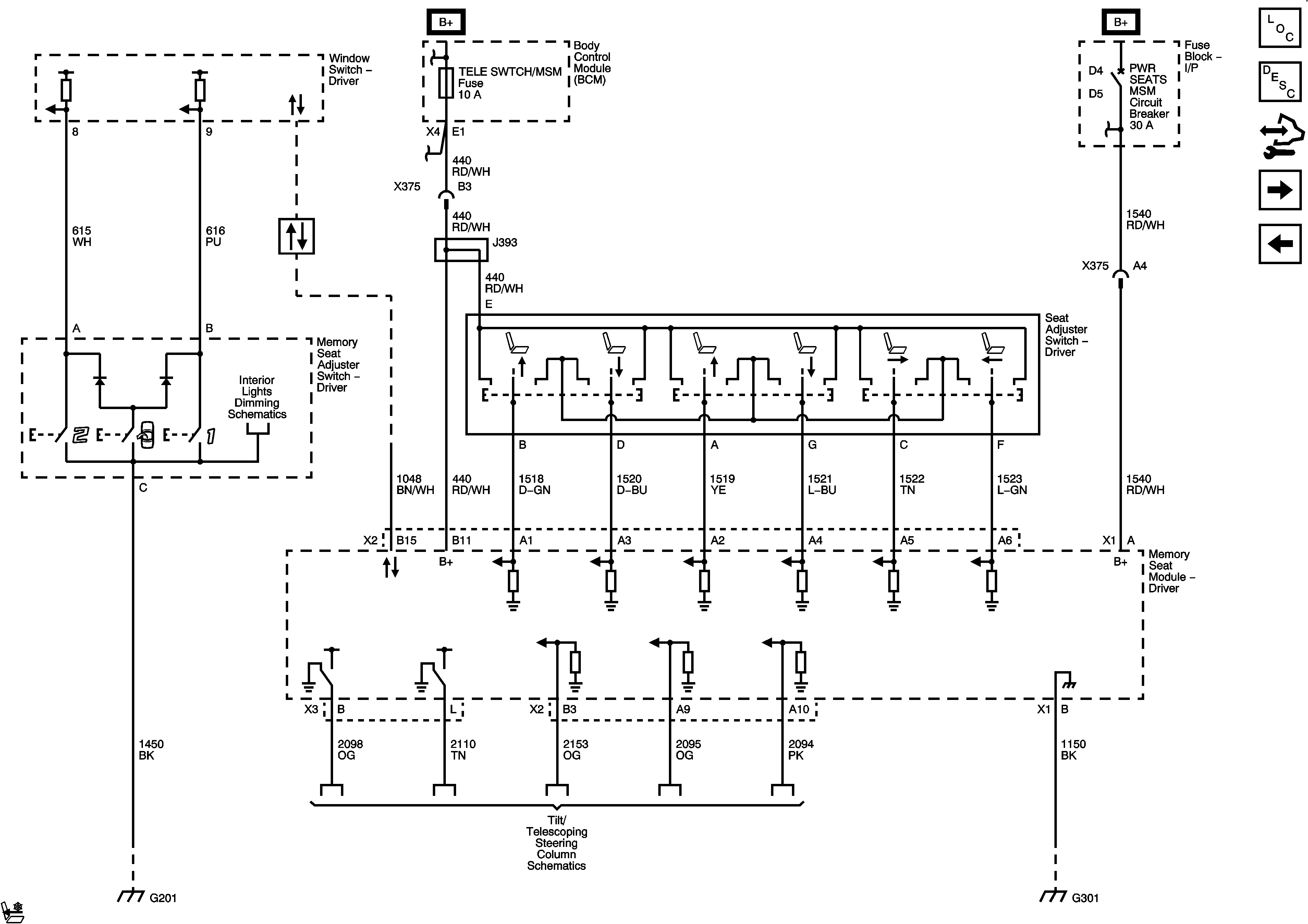
Figure 1:

6-Way Manual Power Seat


Object Number: 1892851  Size: FS
Master Electrical Component List
Control Module References
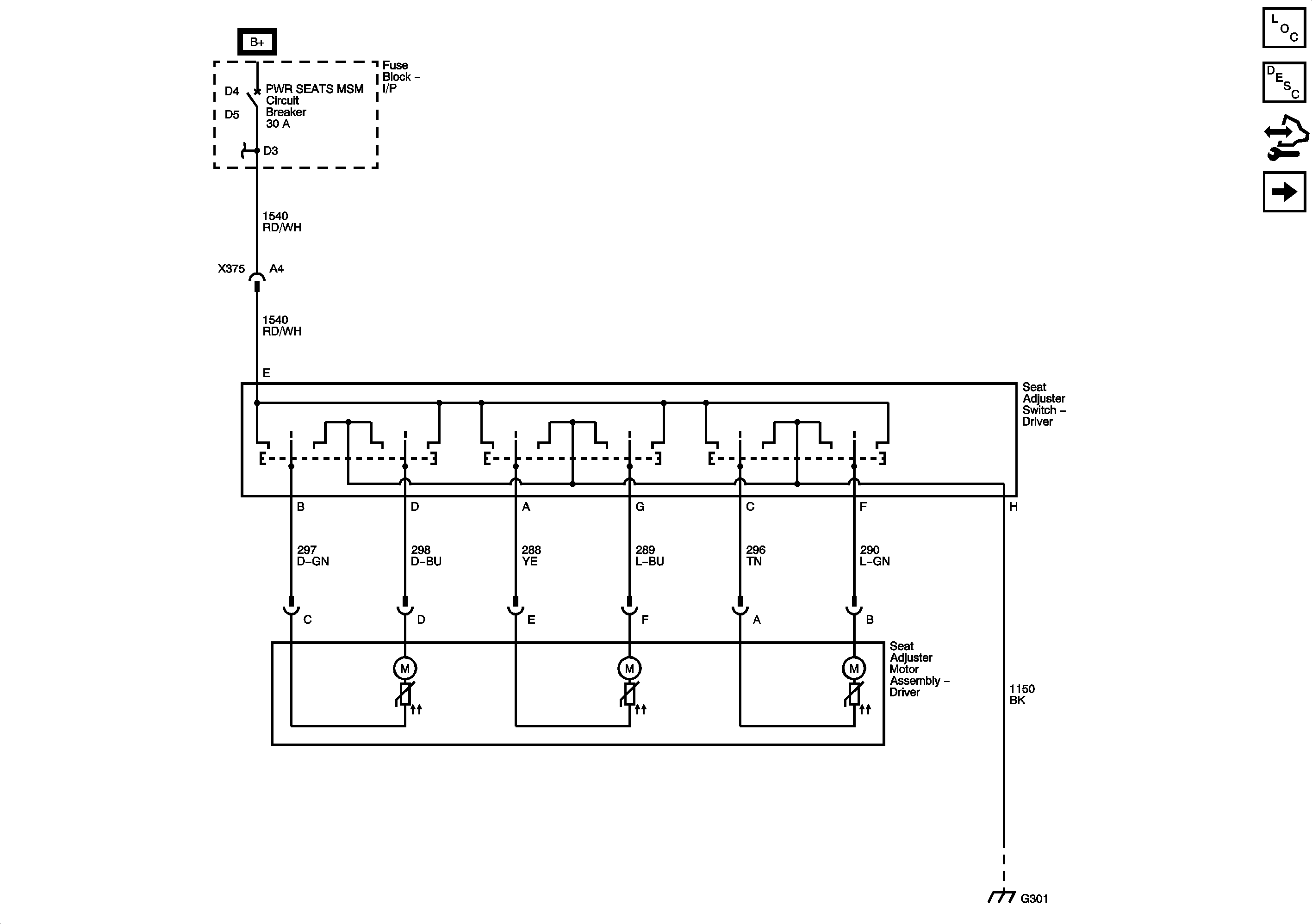
Memory Seat (1 of 2)
Figure 2:

Memory Seat (1 of 2)


Object Number: 1892854  Size: FS
Master Electrical Component List
Memory Seats Description and Operation
Control Module References
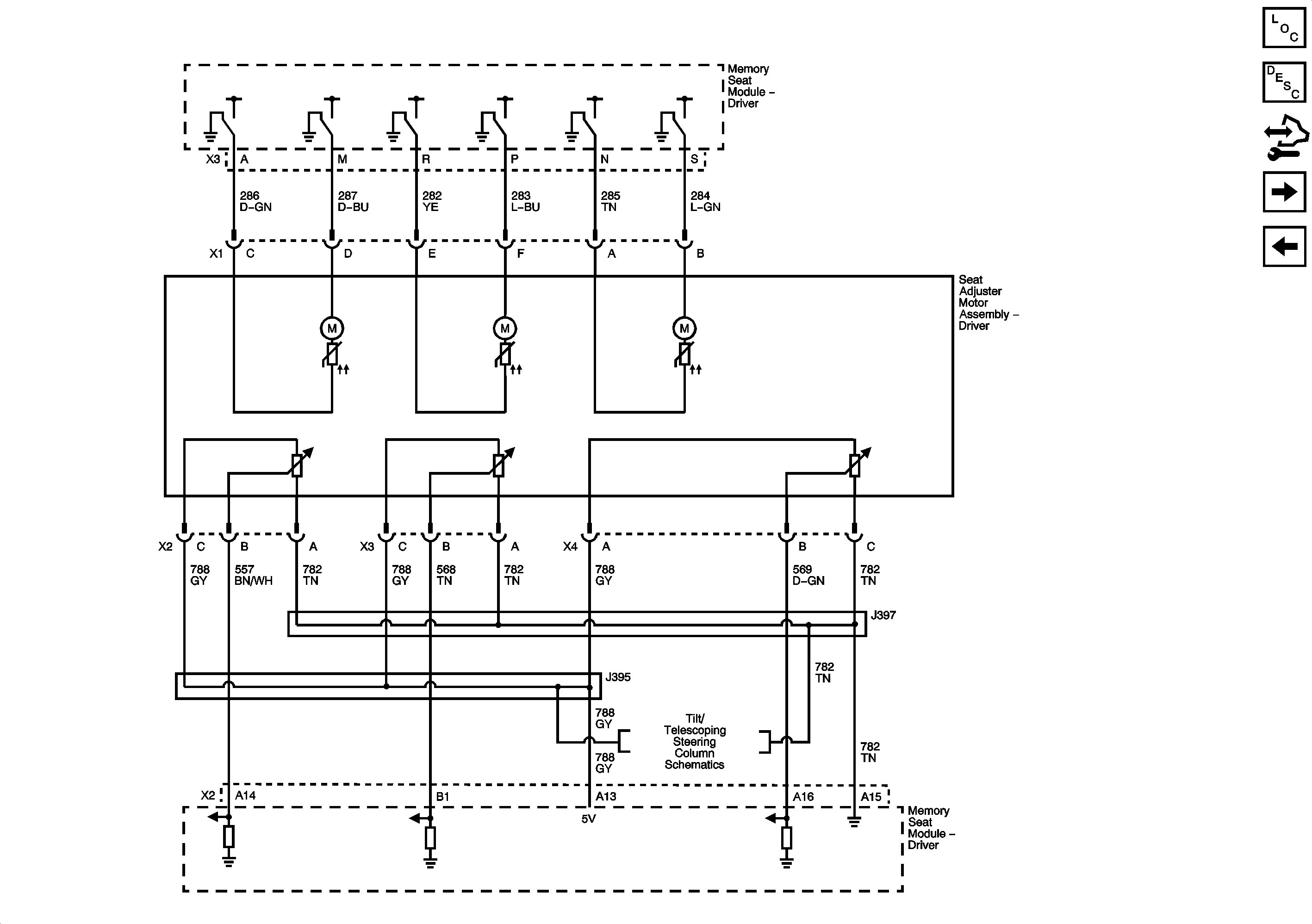
Memory Seat (2 of 2)
6-Way Manual Power Seat
Figure 3:

Memory Seat (2 of 2)


Object Number: 1892855  Size: FS
Master Electrical Component List
Memory Seats Description and Operation
Control Module References
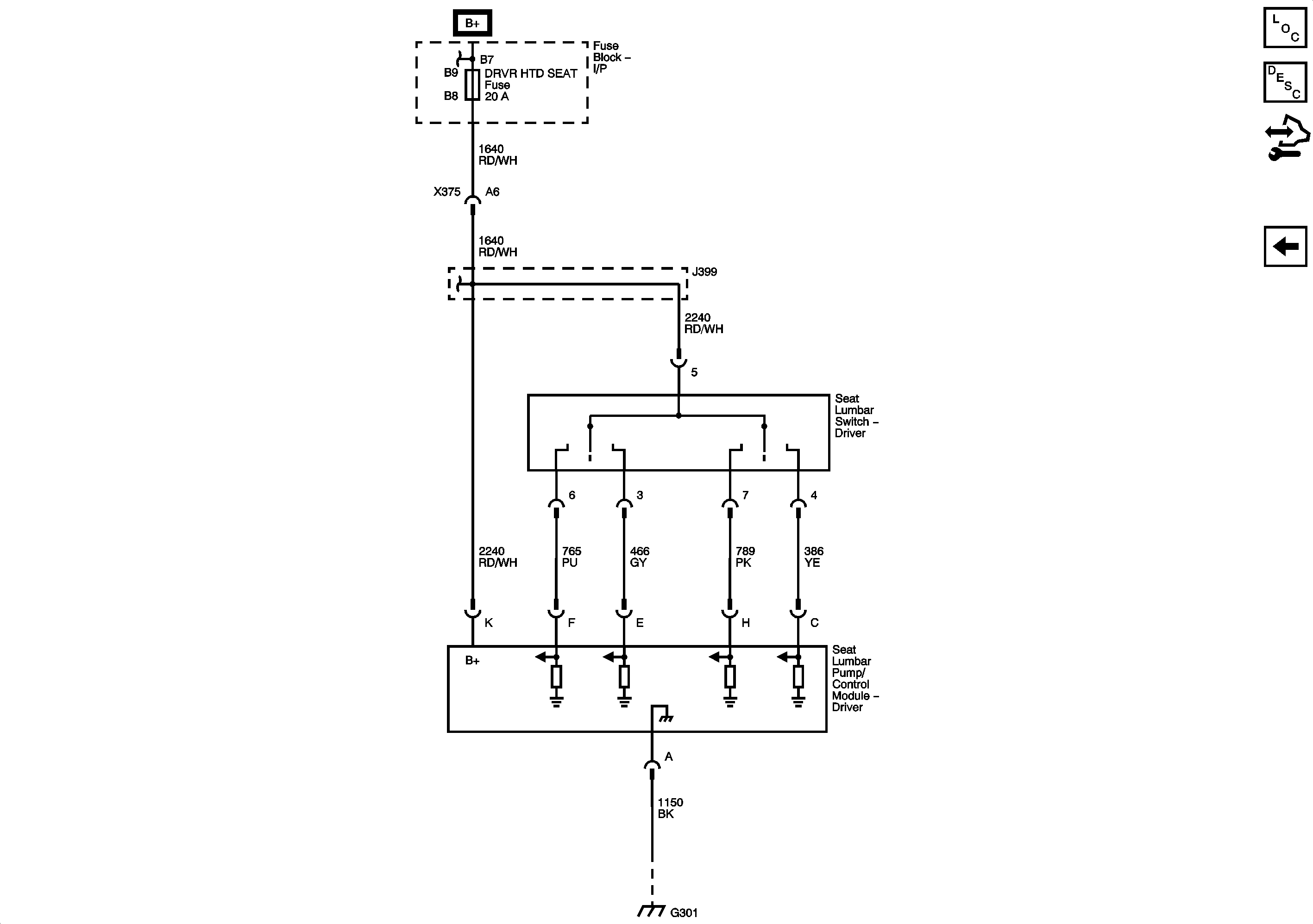
Lumbar Support
Memory Seat (1 of 2)
Figure 4:

Lumbar Support


Object Number: 1892856  Size: FS
Master Electrical Component List
Lumbar Support Description and Operation
Control Module References
Memory Seat (2 of 2)