GM Service Manual Online
For 1990-2009 cars only
Makes
🢒
Chevrolet
🢒
2008
🢒
Corvette
🢒
Diagnostic Navigation
🢒
Vehicle Diagnostic Information
🢒 OnStar Schematics
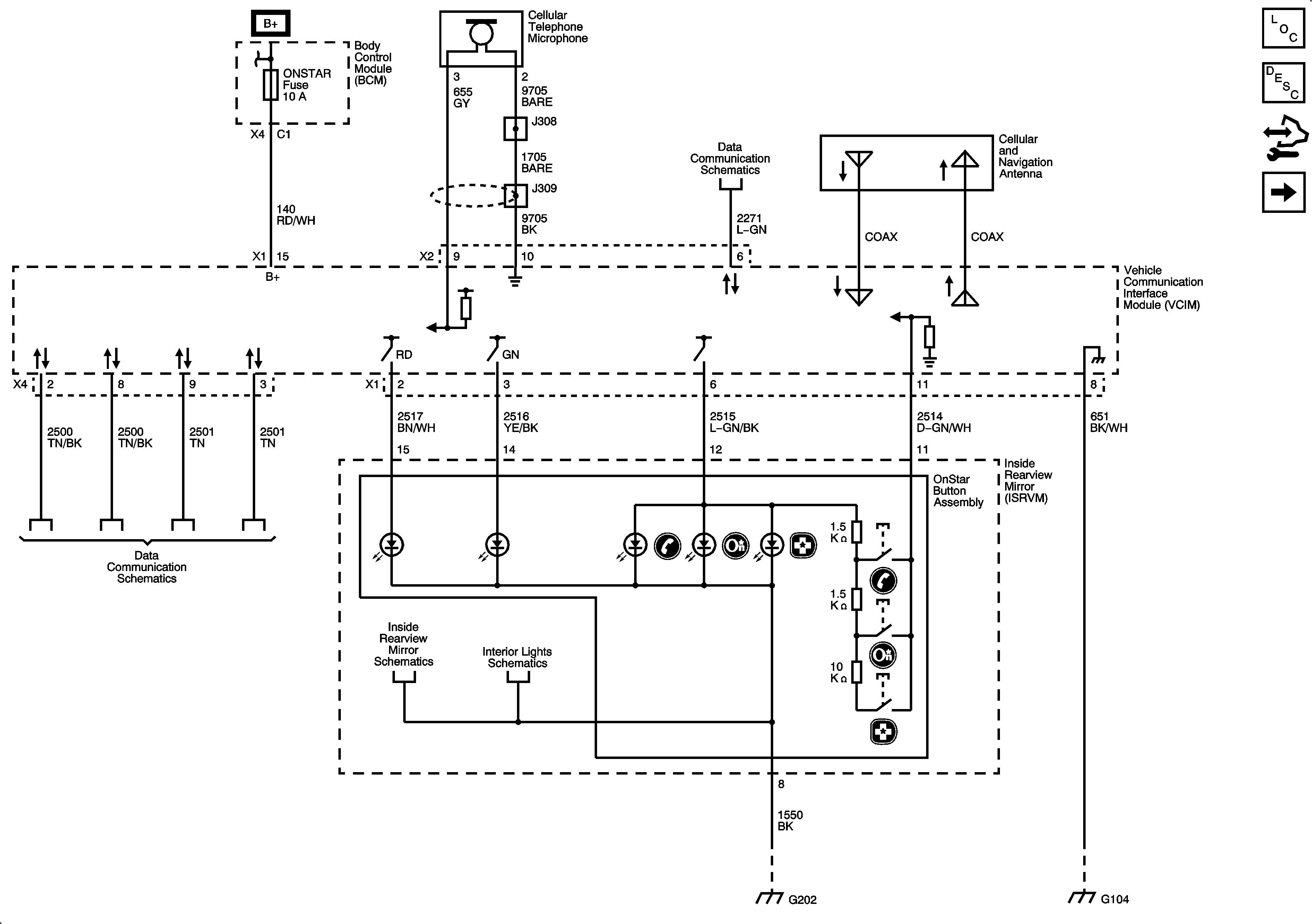
Figure
1:
Power, Ground, Serial Data, Antenna, and User Inputs
Master Electrical Component List
OnStar Description and Operation
Control Module References
Audio Output
Figure
2:
Audio Output
Master Electrical Component List
OnStar Description and Operation
Control Module References
Power, Ground, Serial Data, Antenna, and User Inputs