GM Service Manual Online
For 1990-2009 cars only
Makes
🢒
Chevrolet
🢒
2008
🢒
Corvette
🢒
Diagnostic Navigation
🢒
Vehicle Diagnostic Information
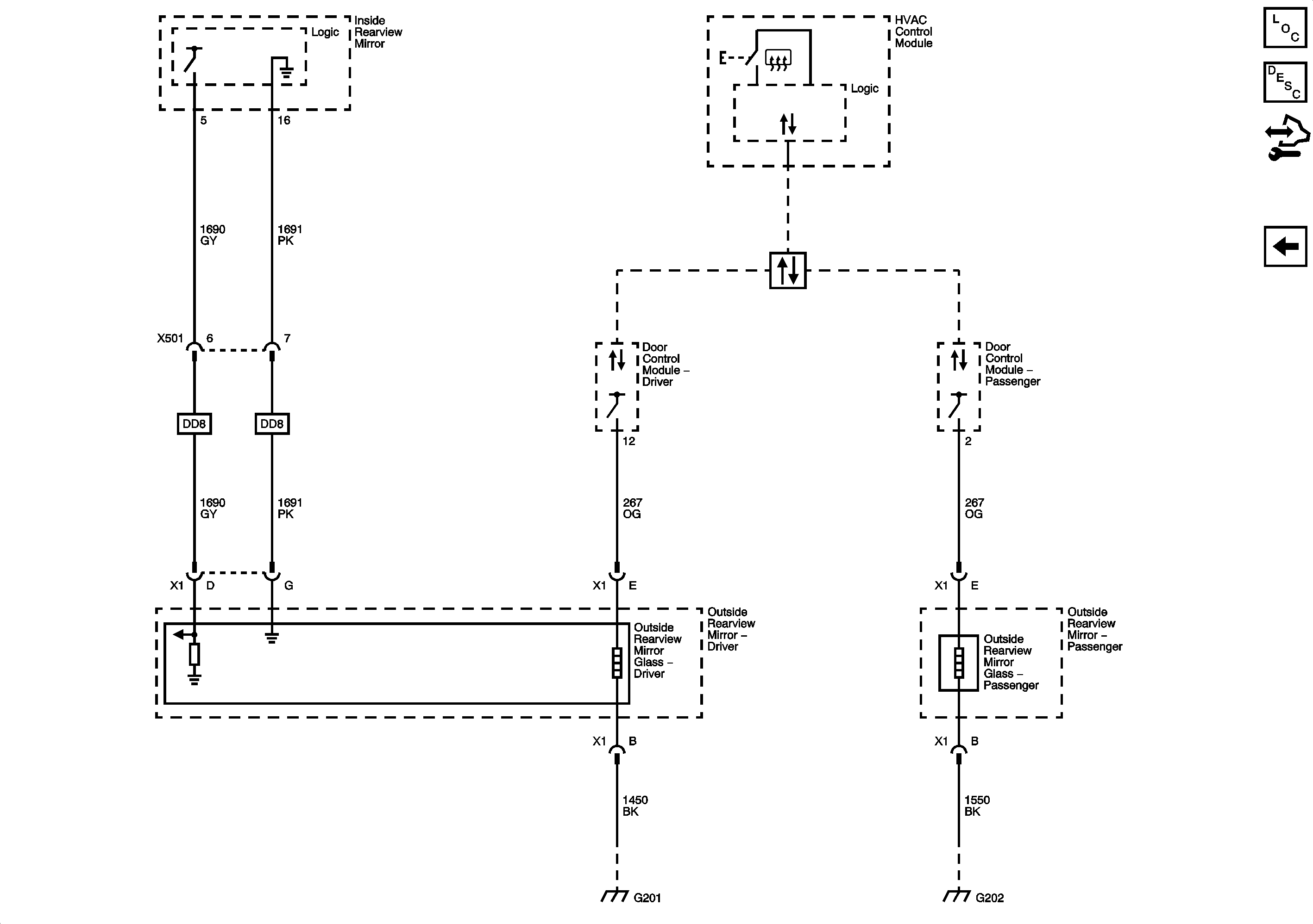
🢒 Outside Rearview Mirror Schematics
Figure
1:
Memory Power Mirrors
Master Electrical Component List
Outside Mirror Description and Operation
Control Module References
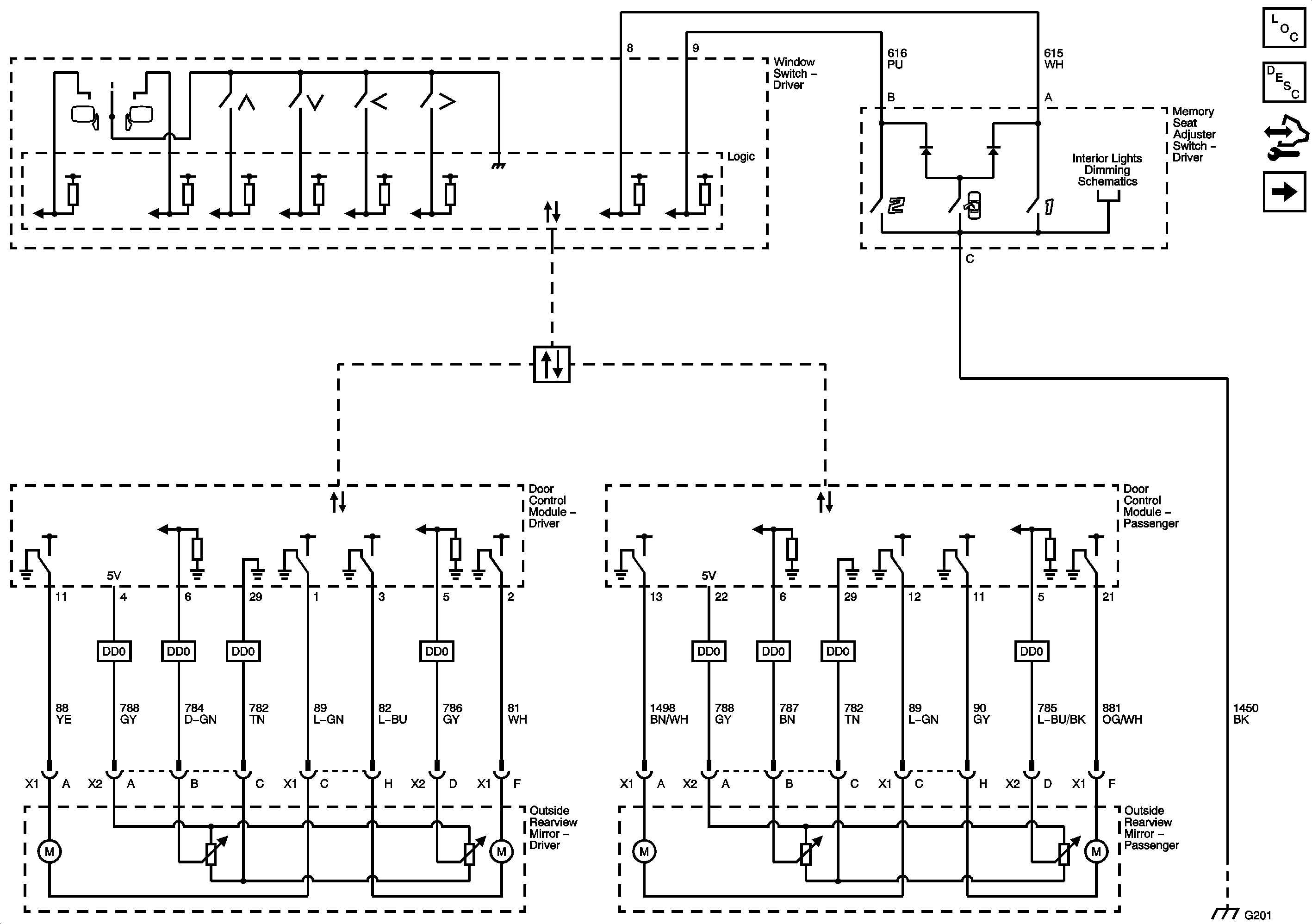
Light Sensitivity, and Heated Mirrors
Figure
2:
Light Sensitivity, and Heated Mirrors
Master Electrical Component List
Outside Mirror Description and Operation
Control Module References
Memory Power Mirrors