GM Service Manual Online
For 1990-2009 cars only
Makes
🢒
Chevrolet
🢒
2008
🢒
Corvette
🢒
Diagnostic Navigation
🢒
Vehicle Diagnostic Information
🢒 Door Lock/Indicator Schematics
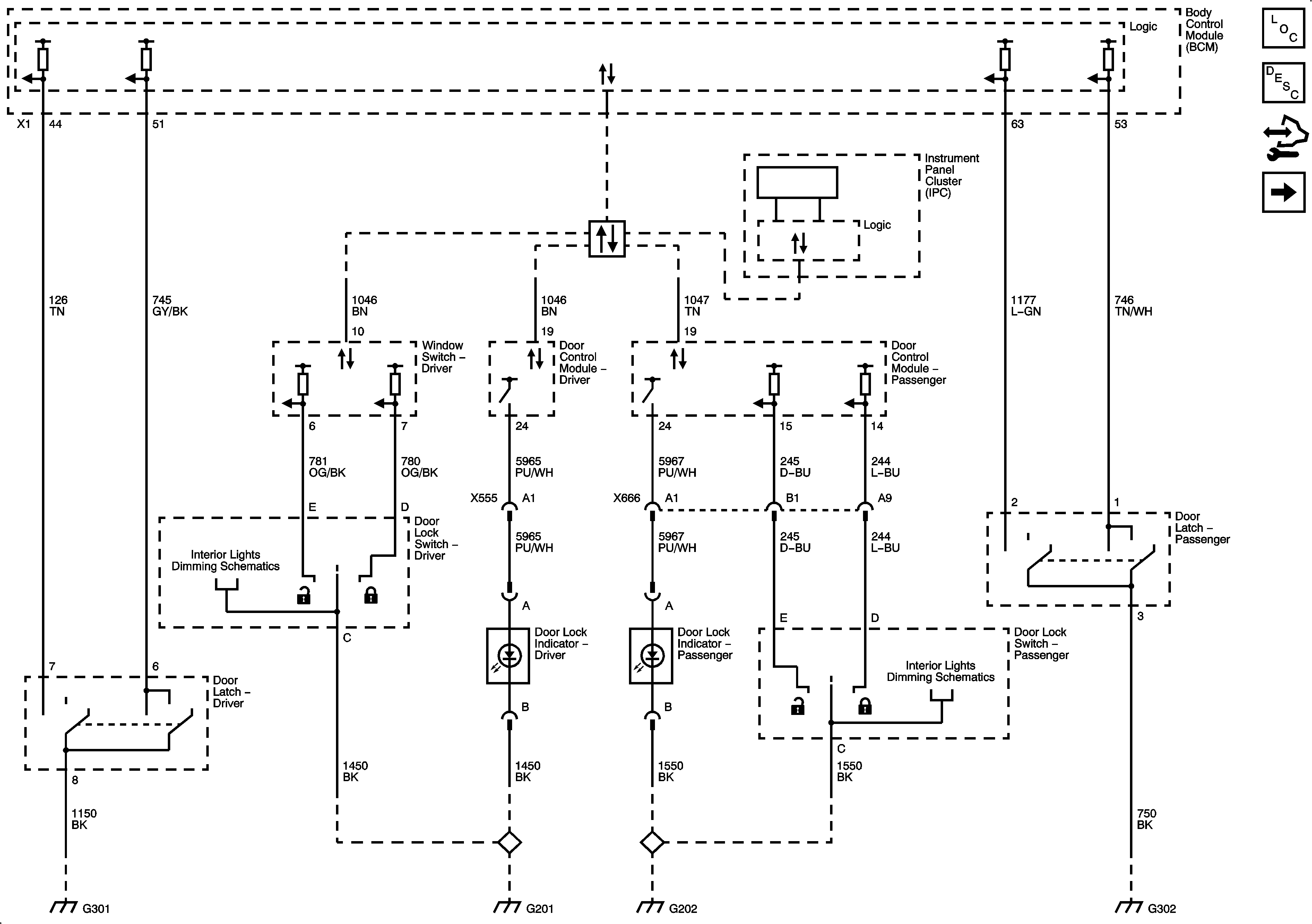
Figure
1:
Indicators/Messages, Door Lock, and Door Ajar Switches
Master Electrical Component List
Power Door Locks Description and Operation
Control Module References
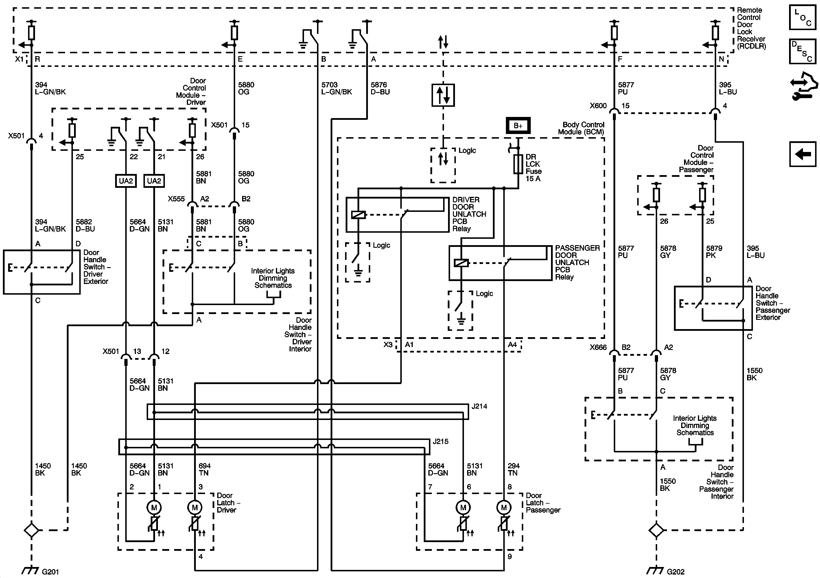
Actuators, and Door Handle Switches
Figure
2:
Actuators, and Door Handle Switches
Master Electrical Component List
Power Door Locks Description and Operation
Control Module References
Indicators/Messages, Door Lock, and Door Ajar Switches