GM Service Manual Online
For 1990-2009 cars only
Makes
🢒
Chevrolet
🢒
2008
🢒
Corvette
🢒
Diagnostic Navigation
🢒
Vehicle Diagnostic Information
🢒 Data Communication Schematics
Figure
1:
Power, Ground, and Class 2
Master Electrical Component List
Data Link Communications Description and Operation
Control Module References
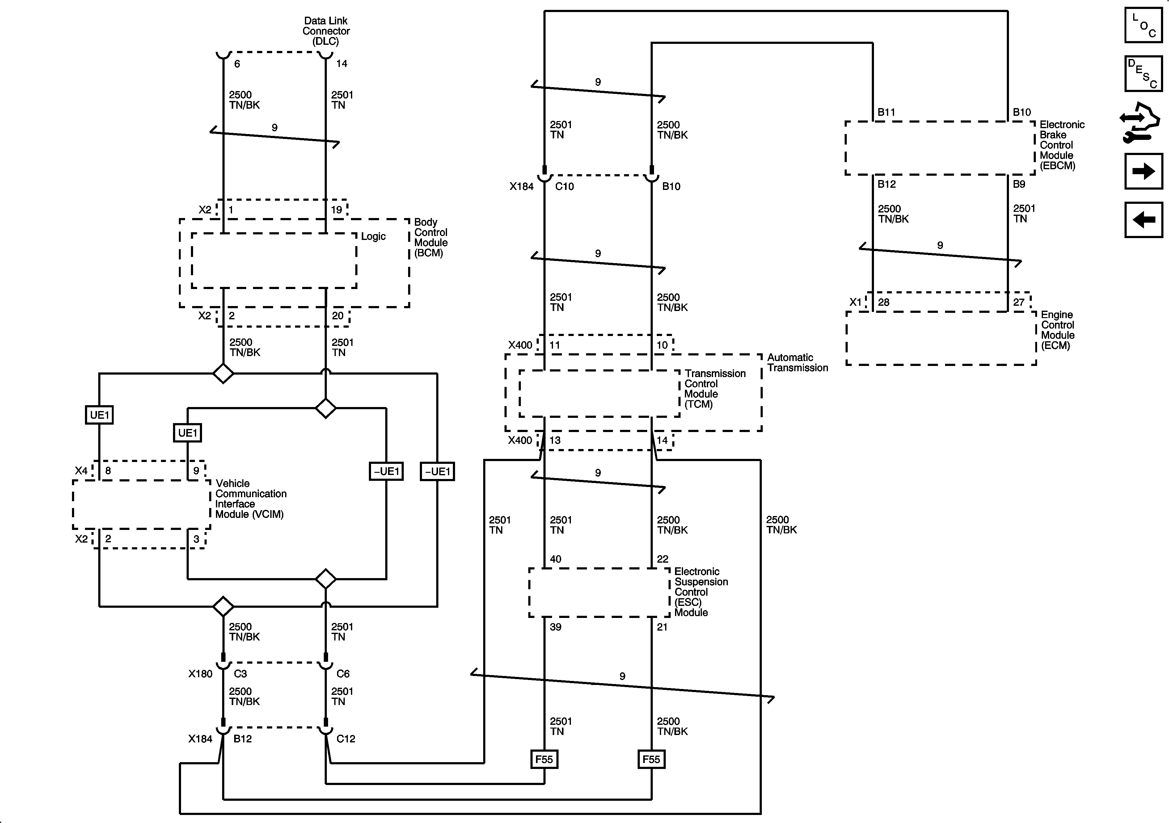
High Speed GMLAN - Automatic Transmission
Figure
2:
High Speed GMLAN - Automatic Transmission
Master Electrical Component List
Data Link Communications Description and Operation
Control Module References
High Speed GMLAN - Manual Transmission
Power, Ground, and Class 2
Figure
3:
High Speed GMLAN - Manual Transmission
Master Electrical Component List
Data Link Communications Description and Operation
Control Module References
High Speed GMLAN - Automatic Transmission