GM Service Manual Online
For 1990-2009 cars only
Makes
🢒
Chevrolet
🢒
2008
🢒
Corvette
🢒
Diagnostic Navigation
🢒
Vehicle Diagnostic Information
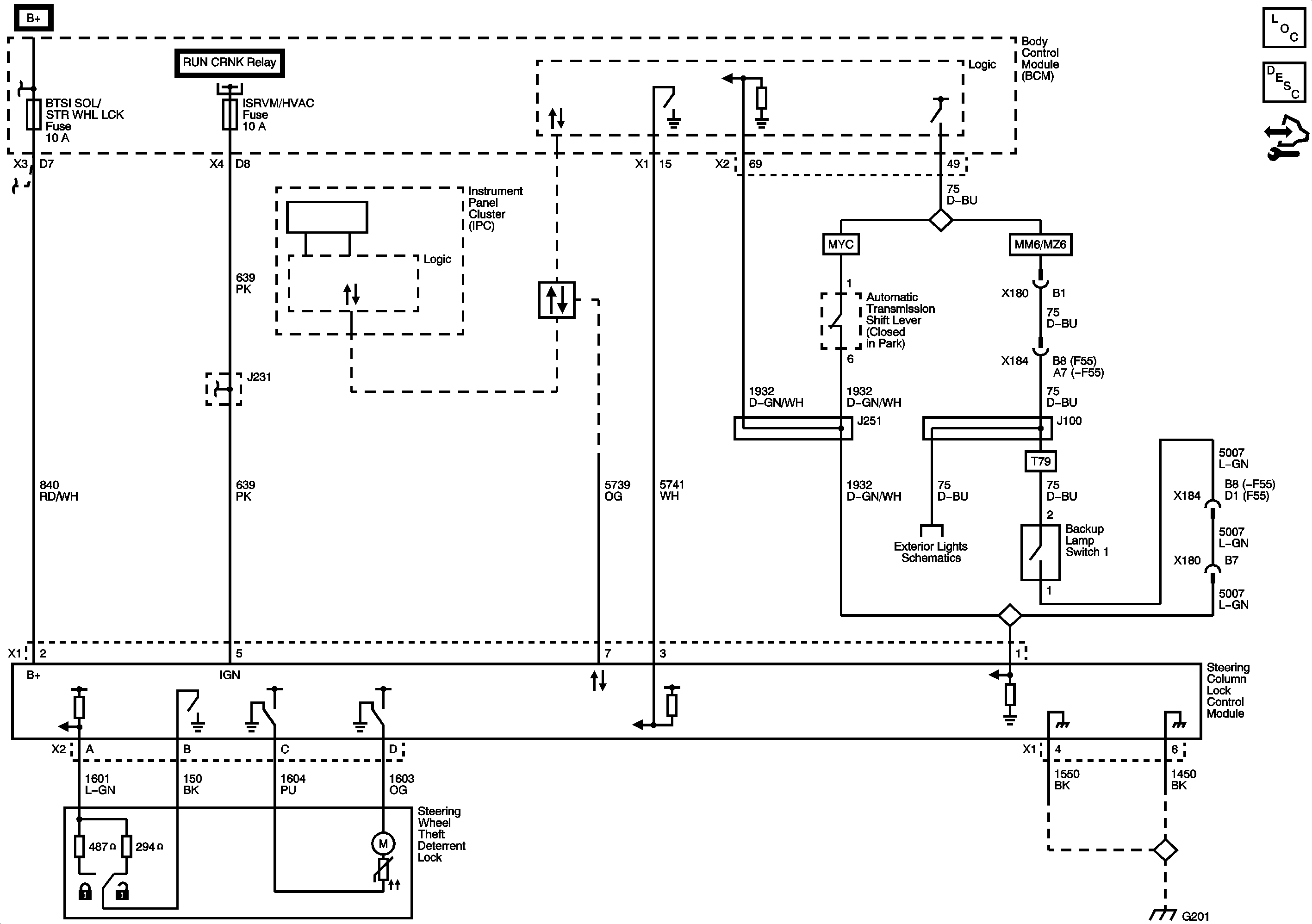
🢒 Column Lock Schematics
Master Electrical Component List
Steering Wheel and Column Description and Operation
Control Module References