GM Service Manual Online
For 1990-2009 cars only
Makes
🢒
Chevrolet
🢒
2008
🢒
Corvette
🢒
Diagnostic Navigation
🢒
Vehicle Diagnostic Information
🢒 Heated/Cooled Seat Schematics
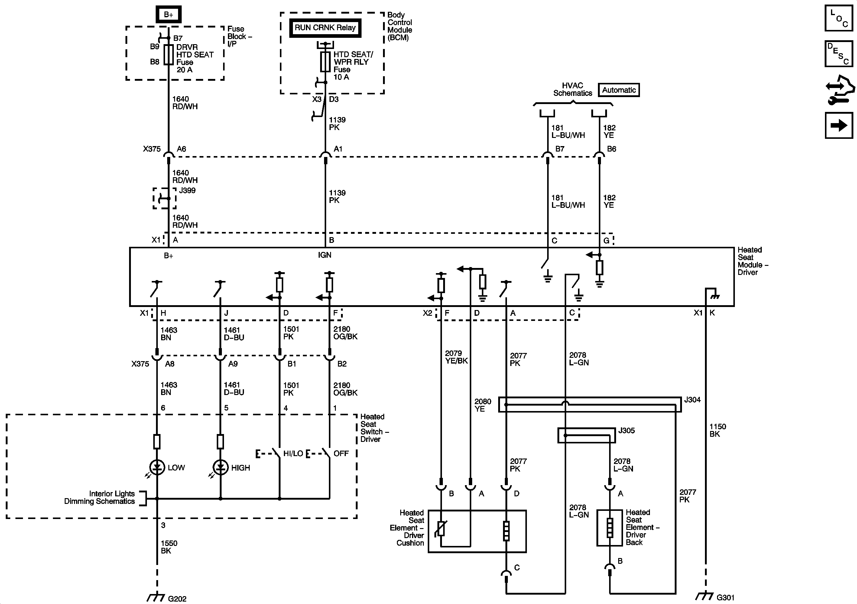
Figure
1:
Driver
Master Electrical Component List
Heated Seats Description and Operation
Control Module References
Passenger
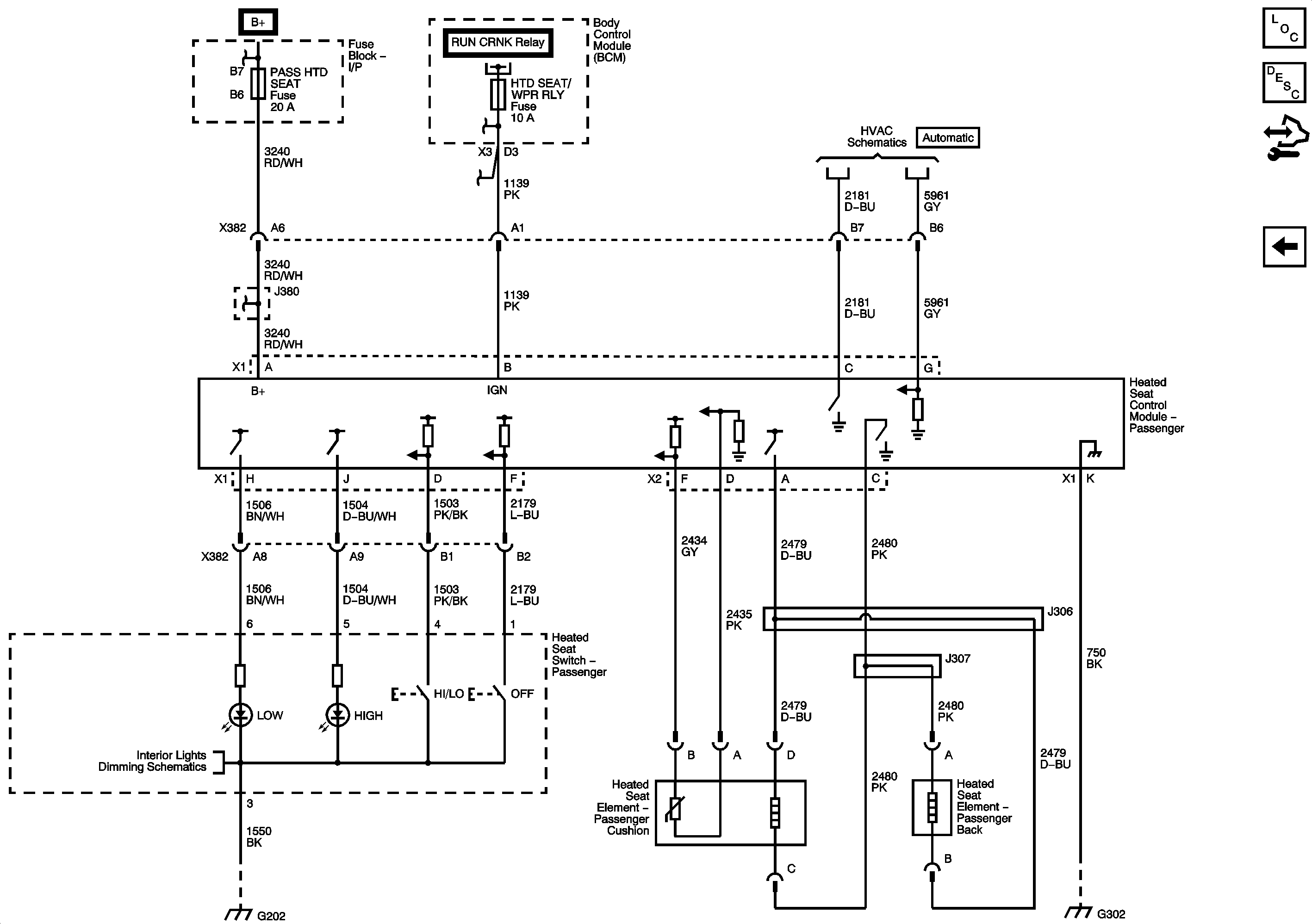
Figure
2:
Passenger
Master Electrical Component List
Heated Seats Description and Operation
Control Module References
Driver