GM Service Manual Online
For 1990-2009 cars only
Makes
🢒
Chevrolet
🢒
2008
🢒
Corvette
🢒
Diagnostic Navigation
🢒
Vehicle Diagnostic Information
🢒 Remote Function Schematics
Figure
1:
Keyless Entry
Master Electrical Component List
Keyless Entry System Description and Operation
Control Module References
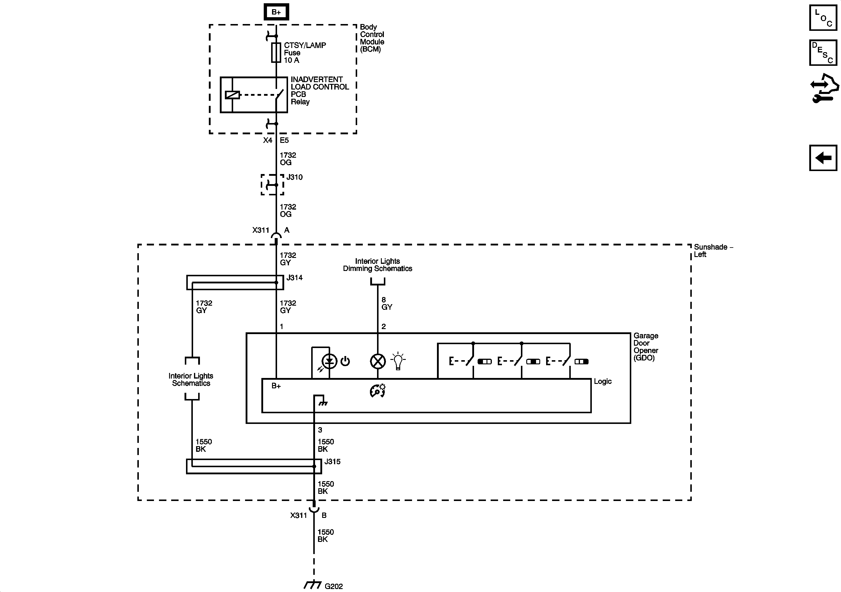
Garage Door Opener
Figure
2:
Garage Door Opener
Master Electrical Component List
Garage Door Opener Description and Operation
Control Module References
Keyless Entry