GM Service Manual Online
For 1990-2009 cars only
Figure 1:

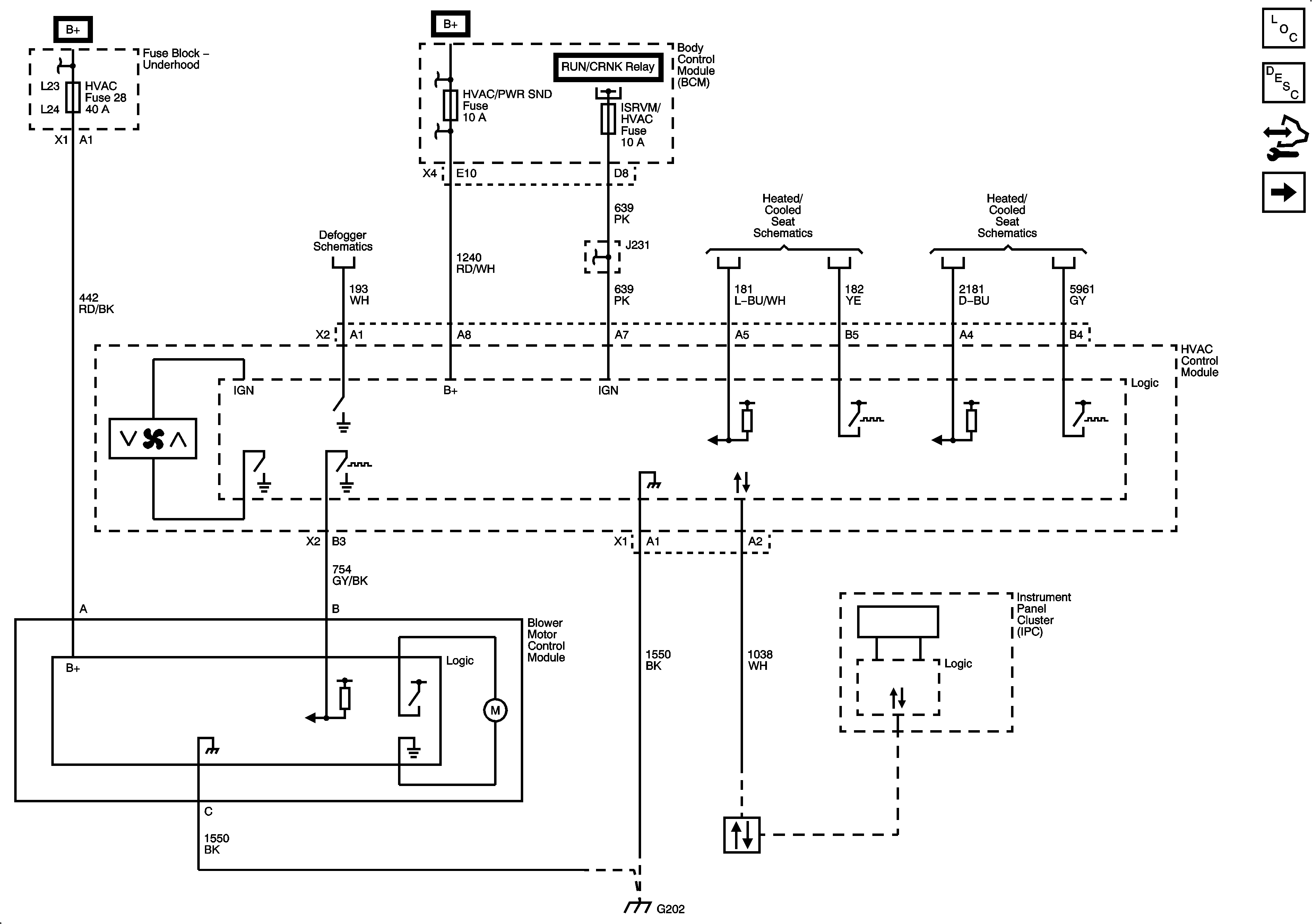
Power, Ground, Blower Motor Control, and Subsystem References


Object Number: 1892720  Size: FS
Master Electrical Component List
Air Delivery Description and Operation
Control Module References
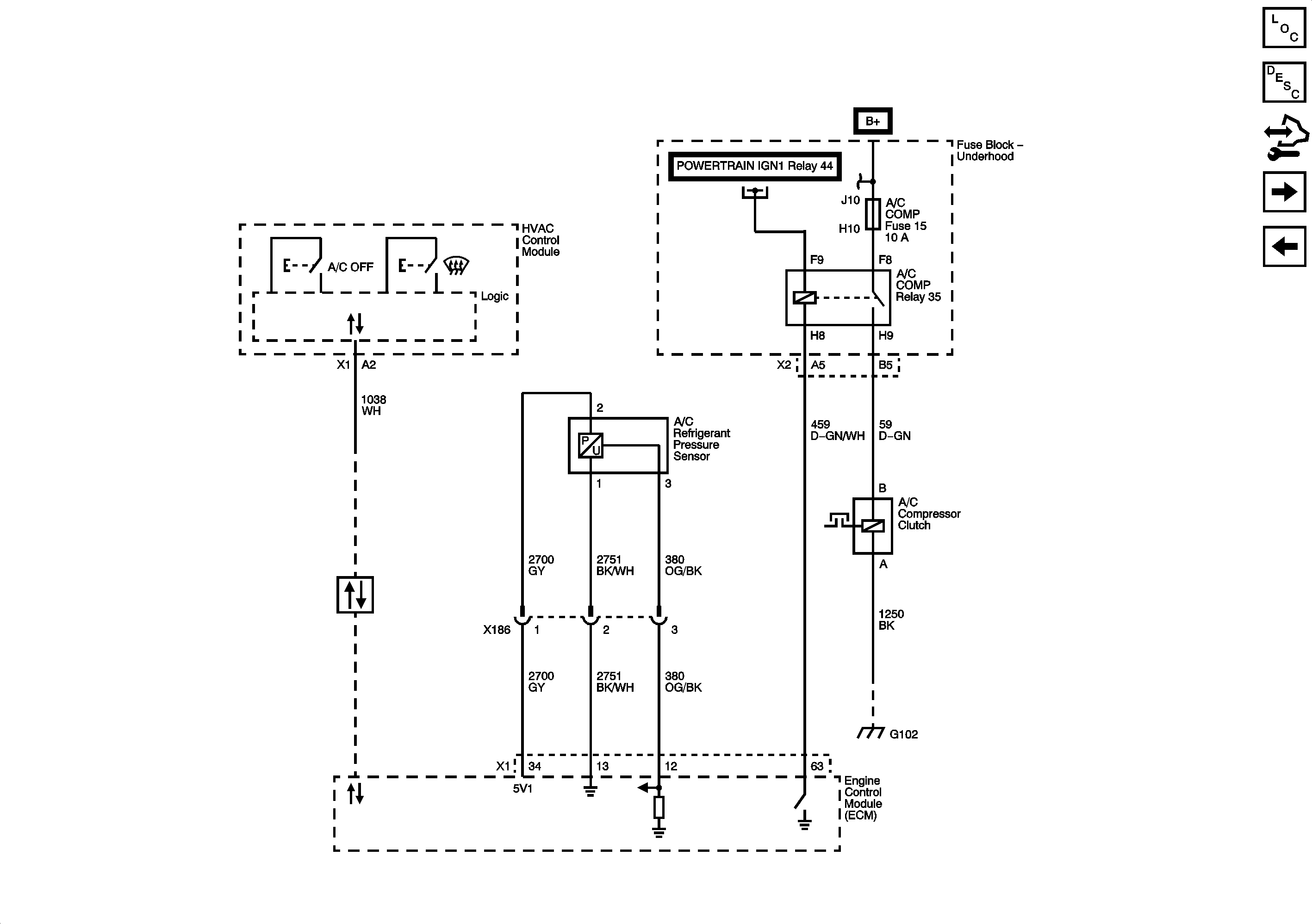
A/C Compressor Controls
Figure 2:

A/C Compressor Controls


Object Number: 1892724  Size: FS
Master Electrical Component List
Air Temperature Description and Operation
Control Module References
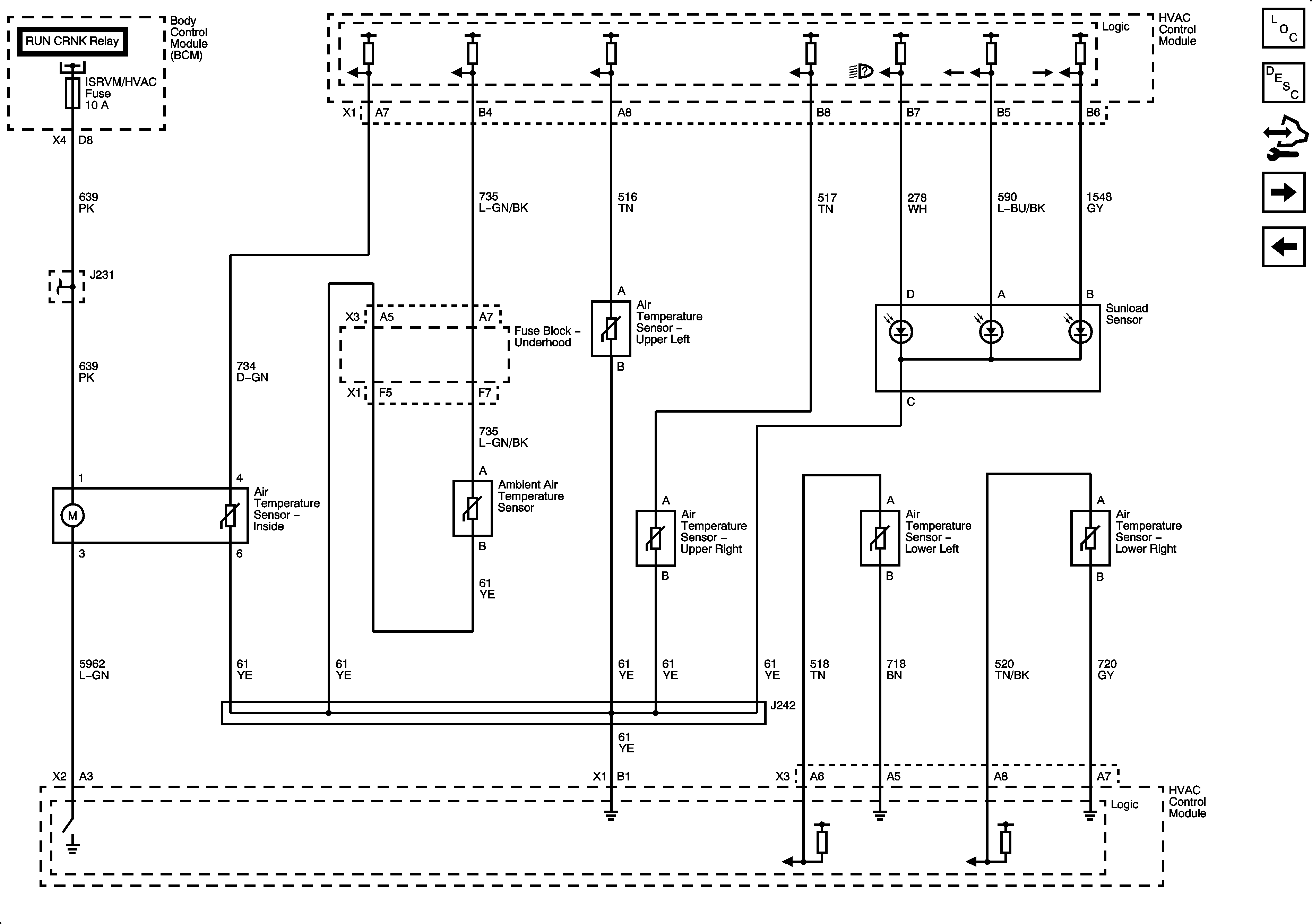
Air Temperature Sensors
Power, Ground, Blower Motor Control, and Subsystem References
Figure 3:

Air Temperature Sensors


Object Number: 1892725  Size: FS
Master Electrical Component List
Air Temperature Description and Operation
Control Module References
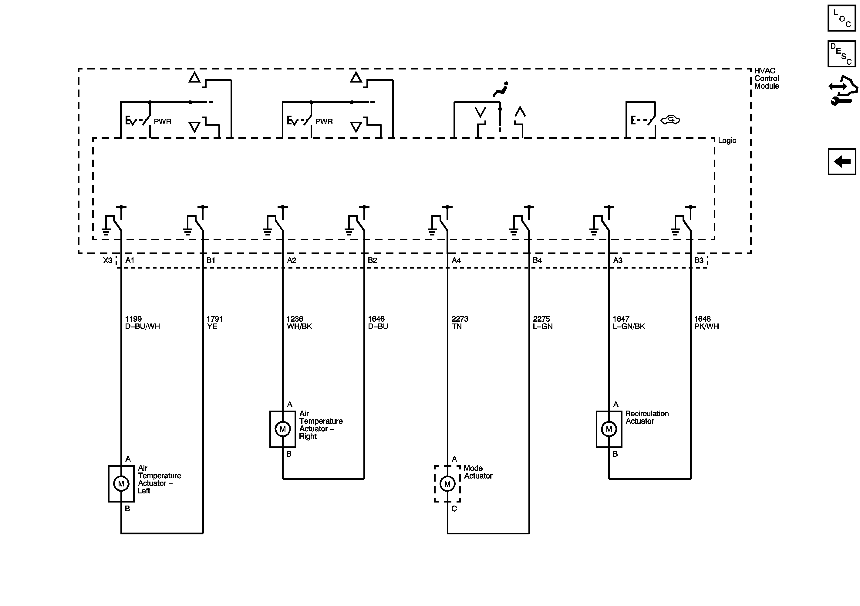
Mode and Air Temperature Controls
A/C Compressor Controls
Figure 4:

Mode and Air Temperature Controls


Object Number: 1892727  Size: FS
Master Electrical Component List
Air Temperature Description and Operation
Control Module References
Air Temperature Sensors