GM Service Manual Online
For 1990-2009 cars only
Makes
🢒
Chevrolet
🢒
2008
🢒
Corvette
🢒
Diagnostic Navigation
🢒
Vehicle Diagnostic Information
🢒 Instrument Cluster Schematics
Figure
1:
Power, Ground, Indicators, and Serial Data
Master Electrical Component List
Instrument Cluster Description and Operation
Control Module References
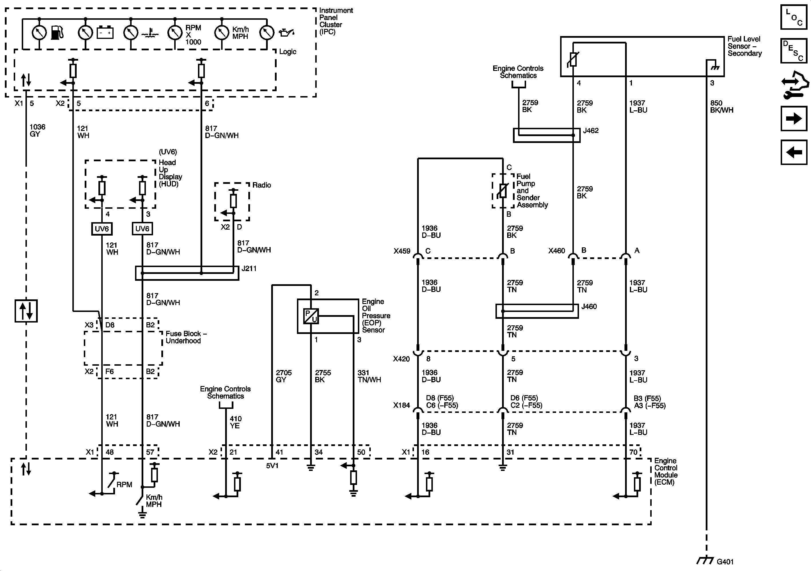
Gages
Figure
2:
Gages
Master Electrical Component List
Instrument Cluster Description and Operation
Control Module References
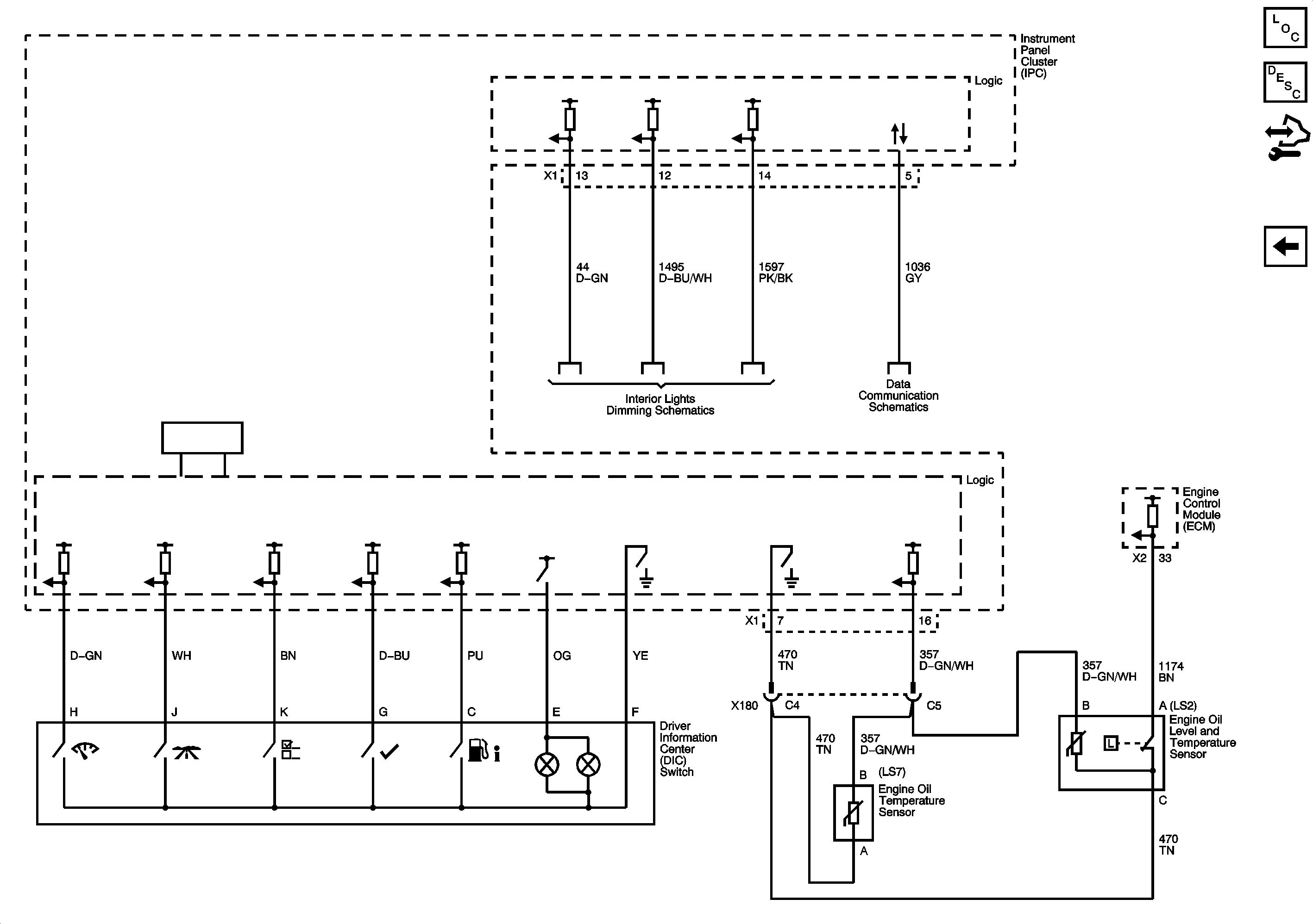
Messages
Power, Ground, Indicators, and Serial Data
Figure
3:
Messages
Master Electrical Component List
Instrument Cluster Description and Operation
Control Module References
Gages