GM Service Manual Online
For 1990-2009 cars only
Figure 1:

Park Lamp Control, and Front Park Lamps


Object Number: 1892801  Size: FS
Master Electrical Component List
Exterior Lighting Systems Description and Operation
Control Module References
Rear Park, and License lamps
Figure 2:

Rear Park, and License Lamps


Object Number: 1892807  Size: FS
Master Electrical Component List
Exterior Lighting Systems Description and Operation
Control Module References
Hazard, Stop lamps, and Turn Signal Inputs
Park Lamp Control, and Front Park Lamps
Figure 3:

Hazard, Stop Lamps, and Turn Signal Inputs


Object Number: 1892810  Size: FS
Master Electrical Component List
Exterior Lighting Systems Description and Operation
Control Module References
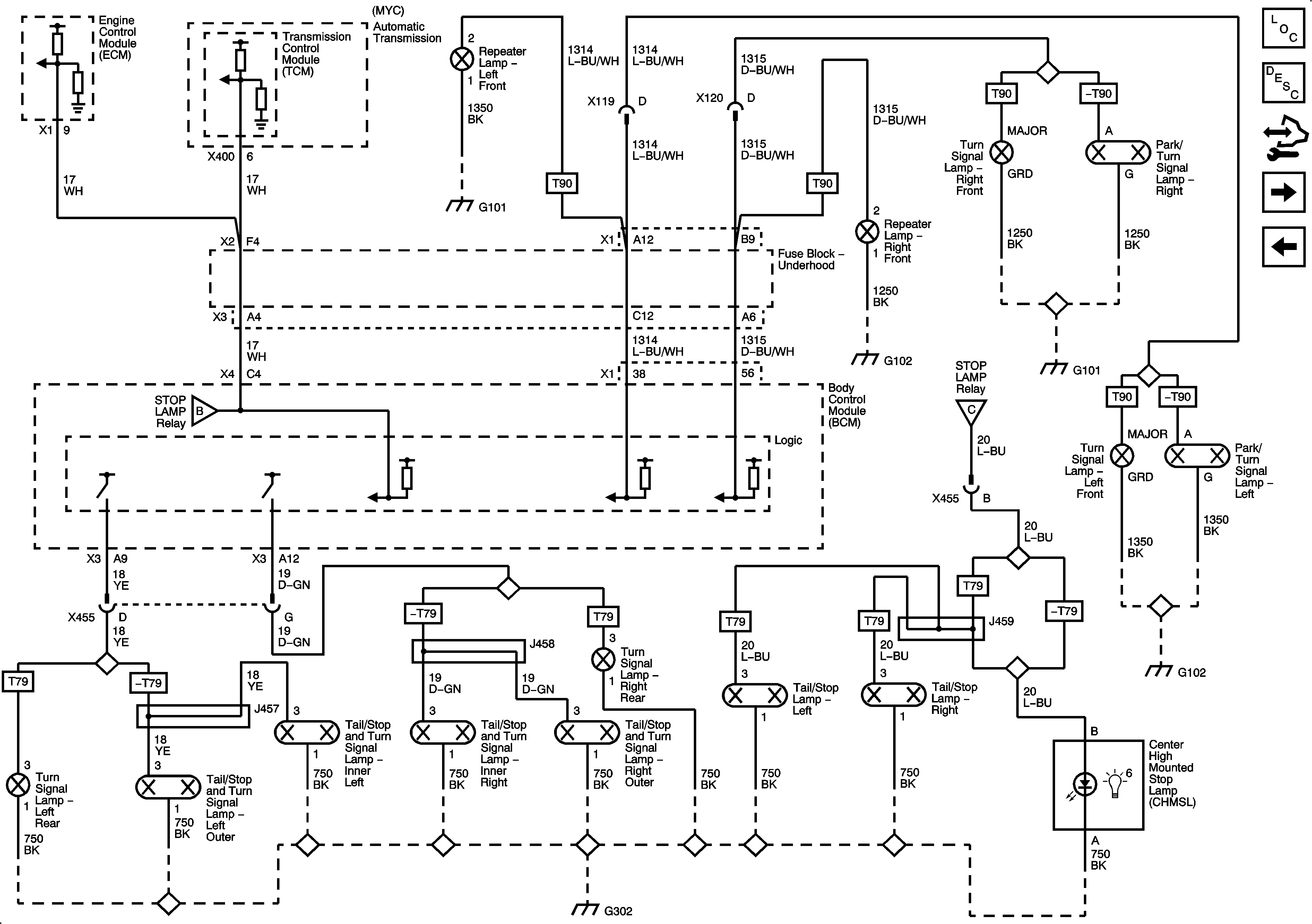
Hazard, Stop Lamps, and Turn Signal Outputs (Coupe/Convertable)
Rear Park, and License lamps
Figure 4:

Hazard, Stop Lamps, and Turn Signal Outputs (Coupe/Convertible)


Object Number: 1892813  Size: FS
Master Electrical Component List
Exterior Lighting Systems Description and Operation
Control Module References
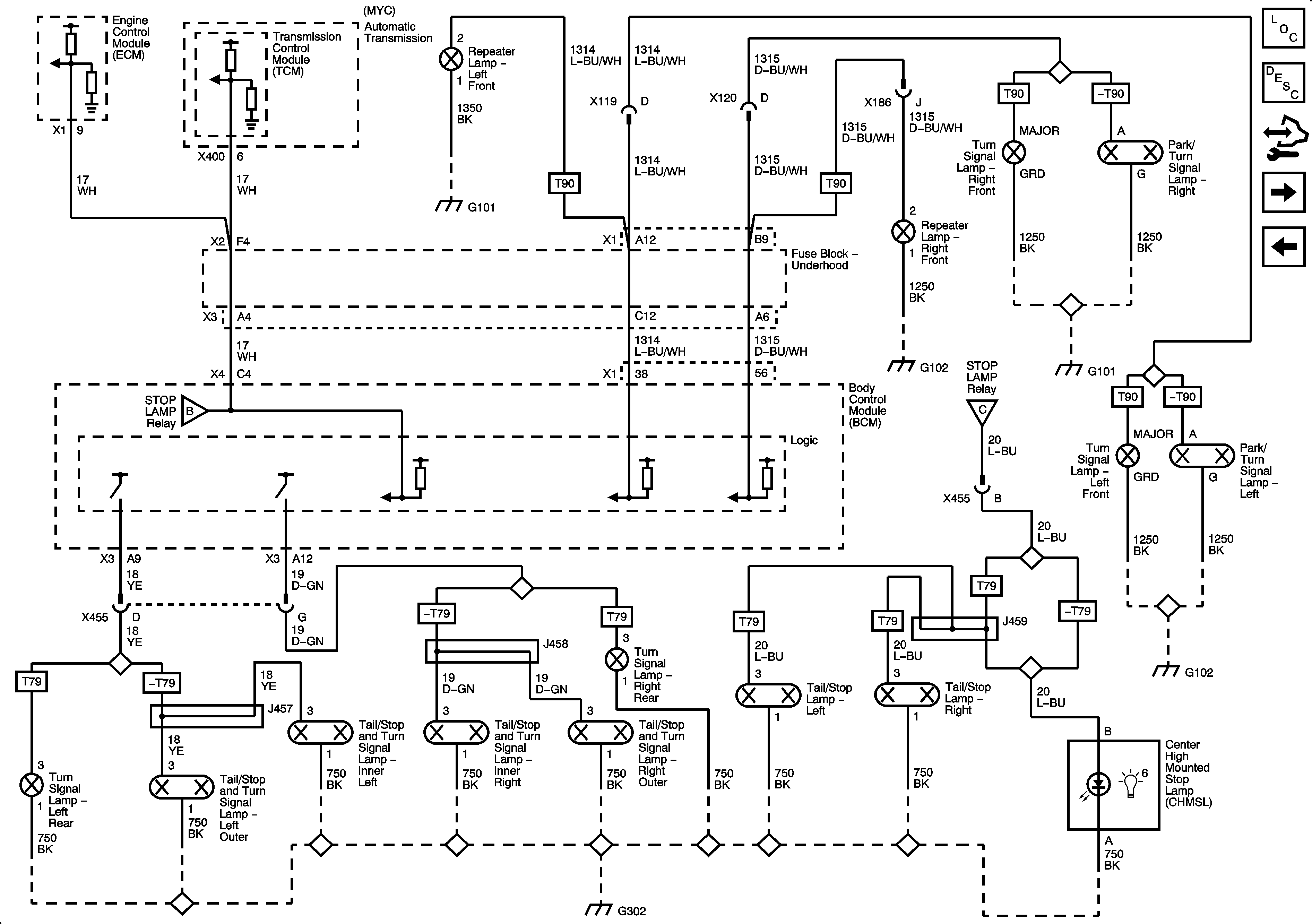
Hazard, Stop lamps, and Turn Signal Outputs (ZO6)
Hazard, Stop lamps, and Turn Signal Inputs
Figure 5:

Hazard, Stop Lamps, and Turn Signal Outputs (ZO6)


Object Number: 1892819  Size: FS
Master Electrical Component List
Exterior Lighting Systems Description and Operation
Control Module References
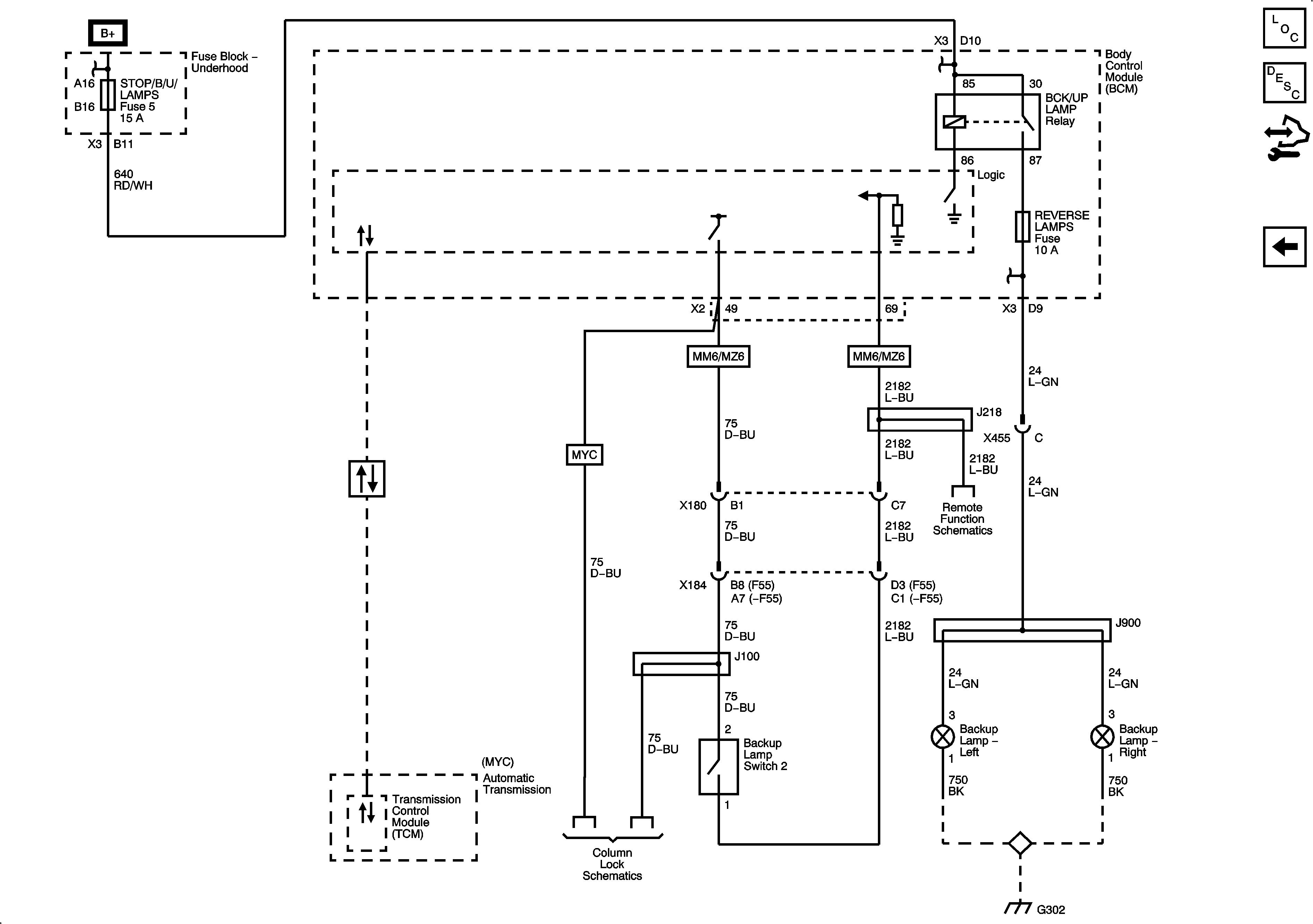
Backup Lamps
Hazard, Stop Lamps, and Turn Signal Outputs (Coupe/Convertable)
Figure 6:

Backup Lamps


Object Number: 1892823  Size: FS
Master Electrical Component List
Exterior Lighting Systems Description and Operation
Control Module References
Hazard, Stop lamps, and Turn Signal Outputs (ZO6)