GM Service Manual Online
For 1990-2009 cars only
Makes
🢒
Chevrolet
🢒
2008
🢒
Corvette
🢒
Diagnostic Navigation
🢒
Vehicle Diagnostic Information
🢒 SIR Schematics
Figure
1:
Power, Ground, Indicators, Sensors, and Switches
Master Electrical Component List
SIR System Description and Operation
Control Module References
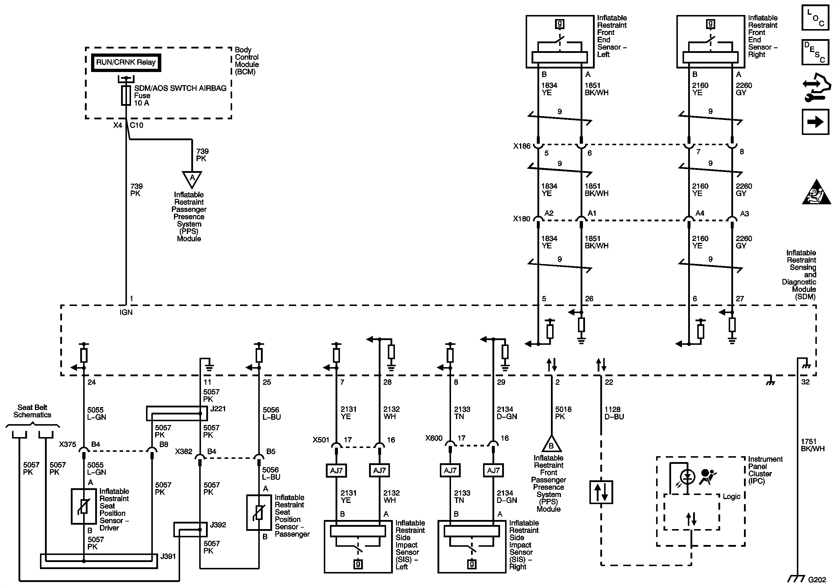
Deployment Loops
Figure
2:
Deployment Loops
Master Electrical Component List
SIR System Description and Operation
Control Module References
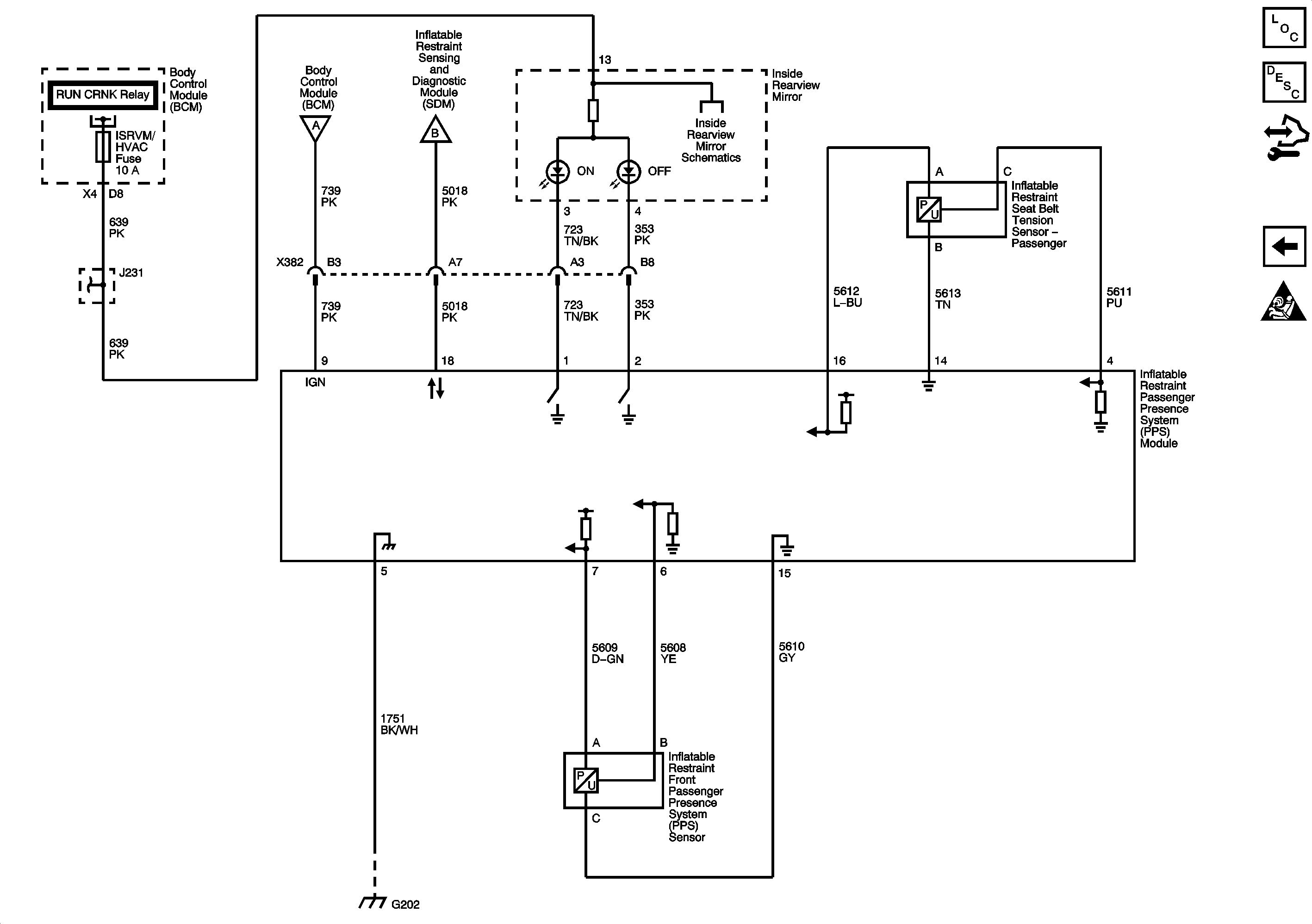
Passenger Presence System (PPS)
Power, Ground, Indicator, Sensors, and Switches
Figure
3:
Passenger Presence System (PPS)
Master Electrical Component List
SIR System Description and Operation
Control Module References
Deployment Loops