GM Service Manual Online
For 1990-2009 cars only
Makes
🢒
Chevrolet
🢒
2008
🢒
Corvette
🢒
Diagnostic Navigation
🢒
Vehicle Diagnostic Information
🢒 Release Systems Schematics
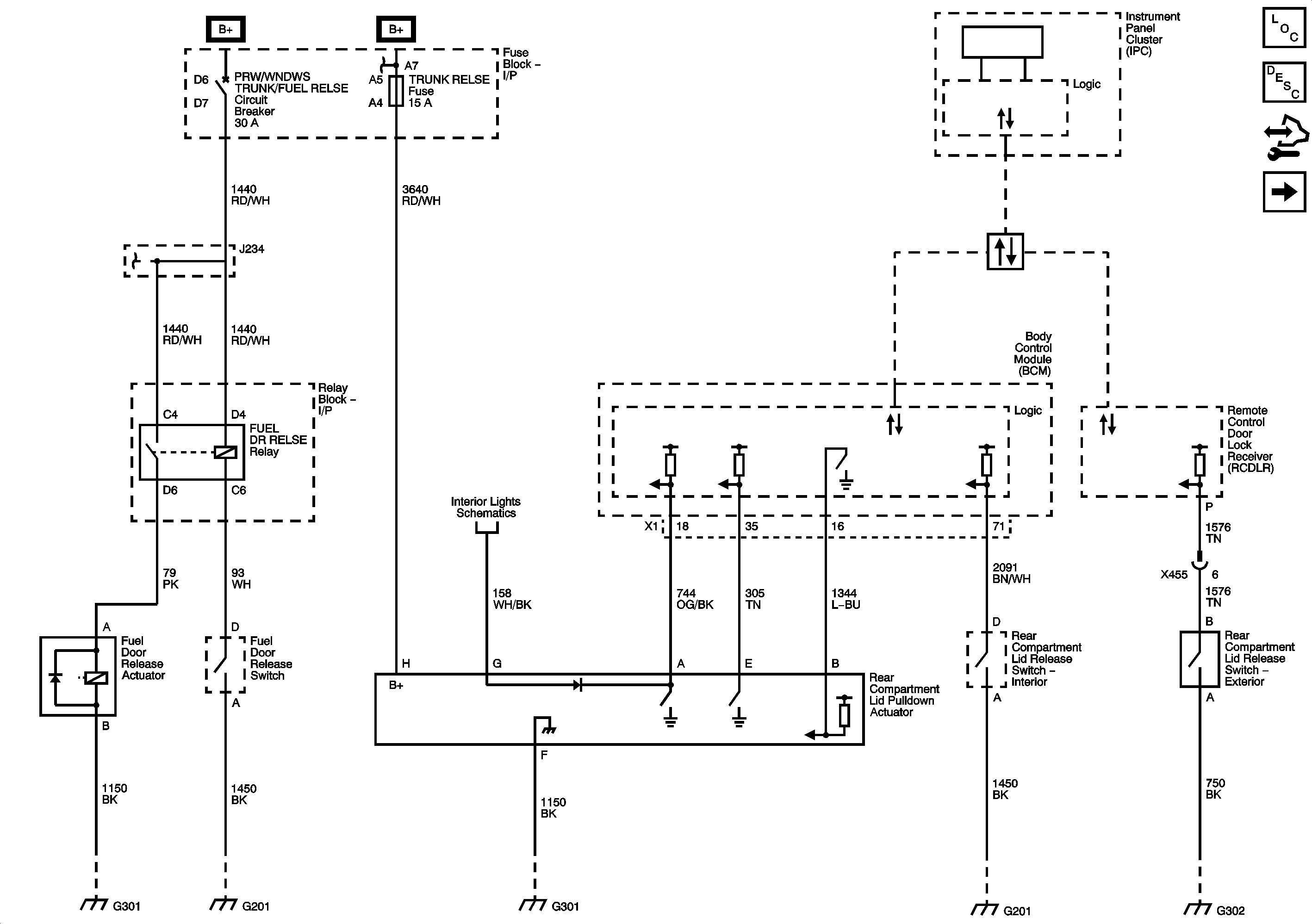
Figure
1:
Coupe
Master Electrical Component List
Luggage Compartment Description and Operation Coupe
Control Module References
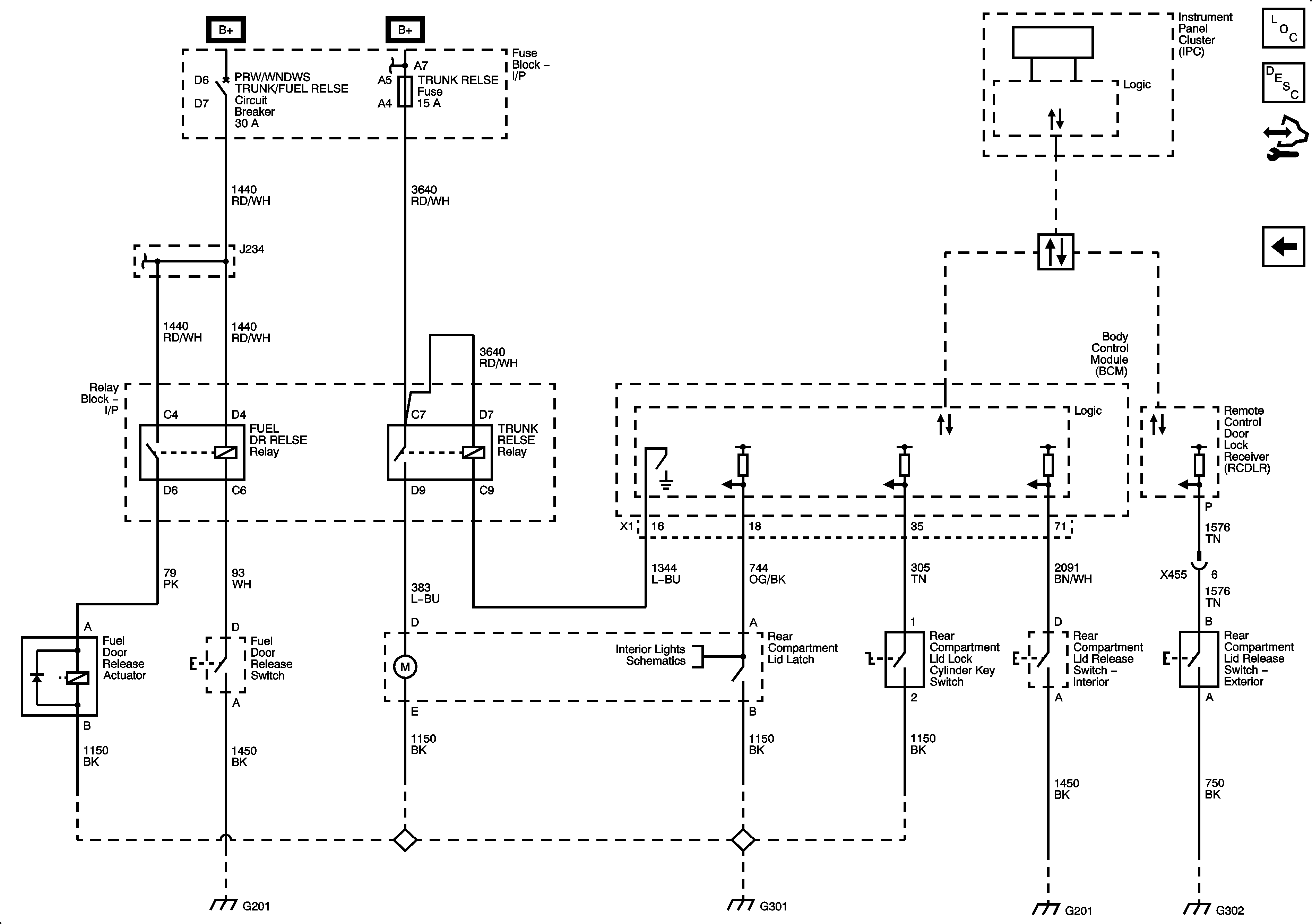
Convertable/ZO6
Figure
2:
Convertible/ZO6
Master Electrical Component List
Luggage Compartment Description and Operation Convertible and Z06
Control Module References
Coupe