GM Service Manual Online
For 1990-2009 cars only
Makes
🢒
Chevrolet
🢒
2008
🢒
Corvette
🢒
Body Systems
🢒
Lighting
🢒 Headlights/Daytime Running Lights (DRL) Schematics
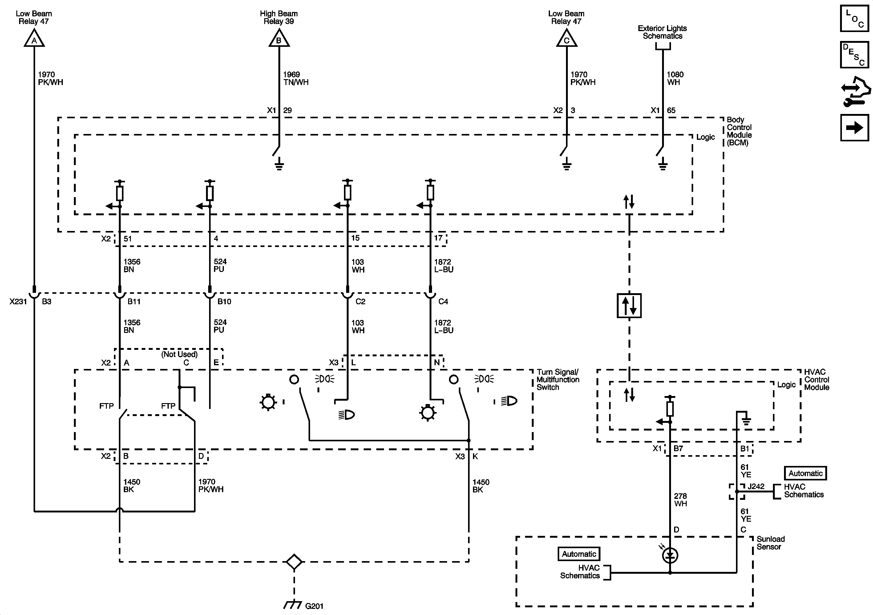
Figure
1:
Headlamp/DRL Controls
Master Electrical Component List
Exterior Lighting Systems Description and Operation
Control Module References
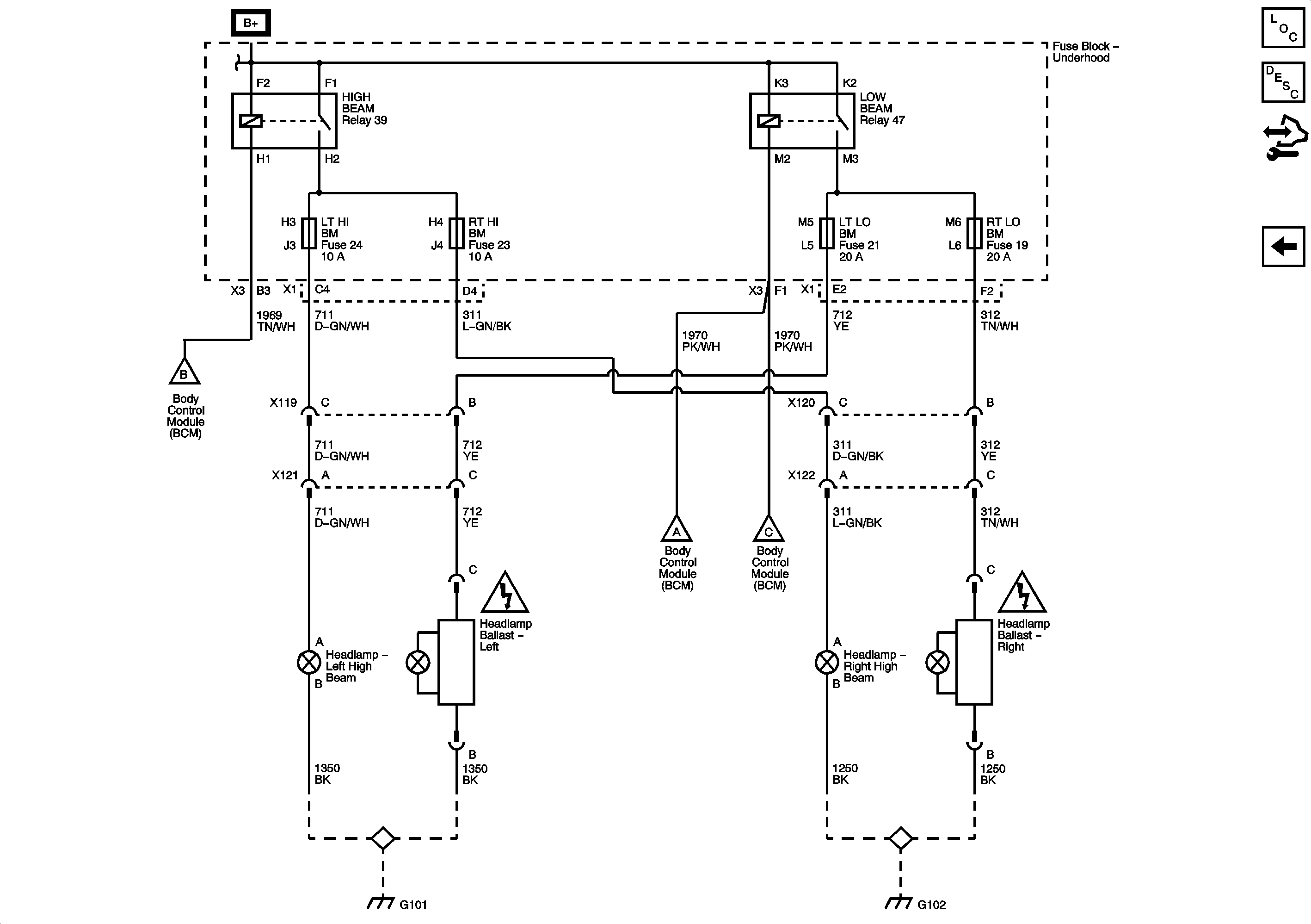
Headlamps
Figure
2:
Headlamps
Master Electrical Component List
Exterior Lighting Systems Description and Operation
Control Module References
Headlamp/DRL Controls