GM Service Manual Online
For 1990-2009 cars only
Makes
🢒
Chevrolet
🢒
2008
🢒
Corvette
🢒
Body Systems
🢒
Lighting
🢒 Interior Lights Dimming Schematics
Figure
1:
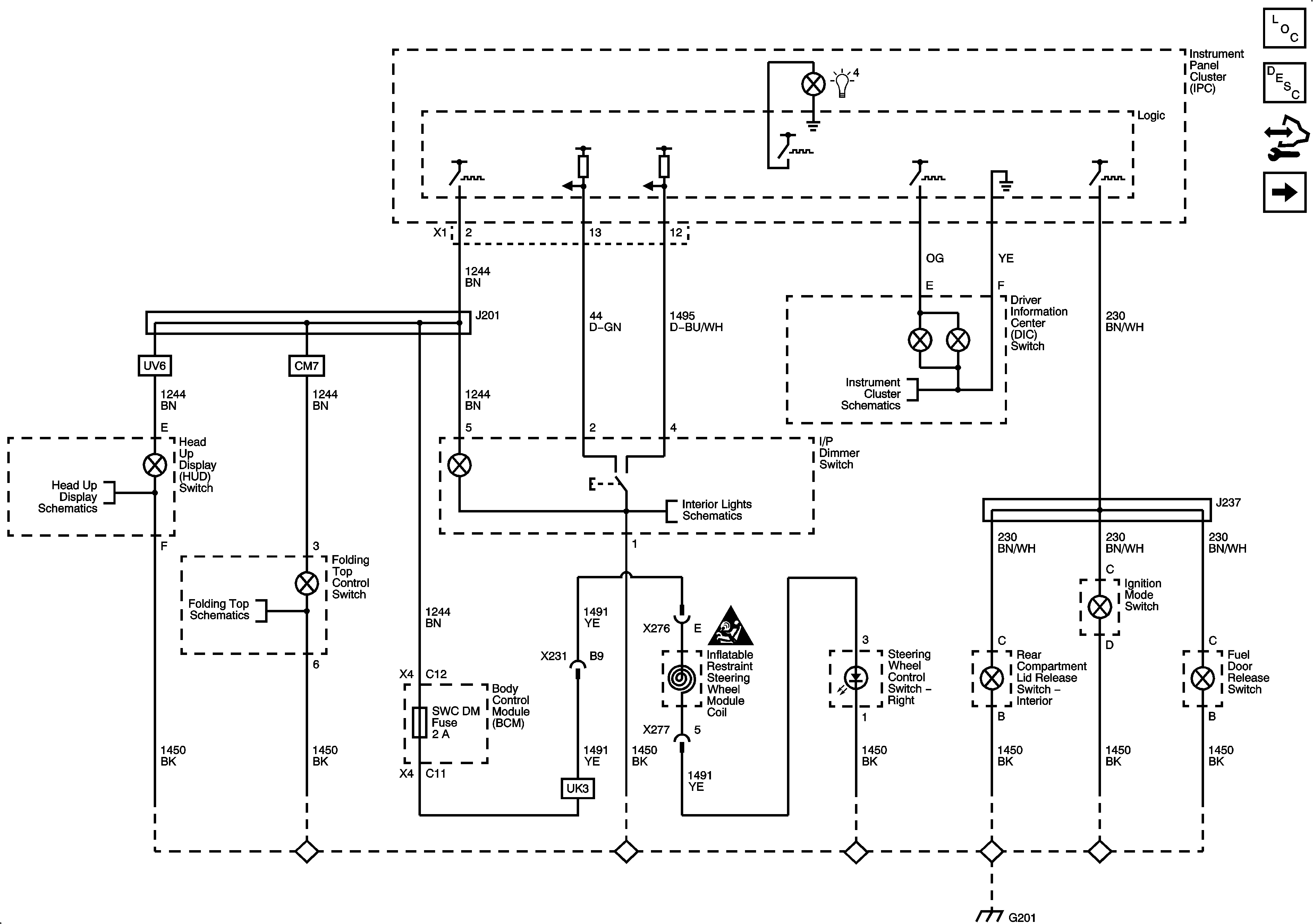
Dimmer Controls, IPC, Switches, and Serial Data
Master Electrical Component List
Interior Lighting Systems Description and Operation
Control Module References
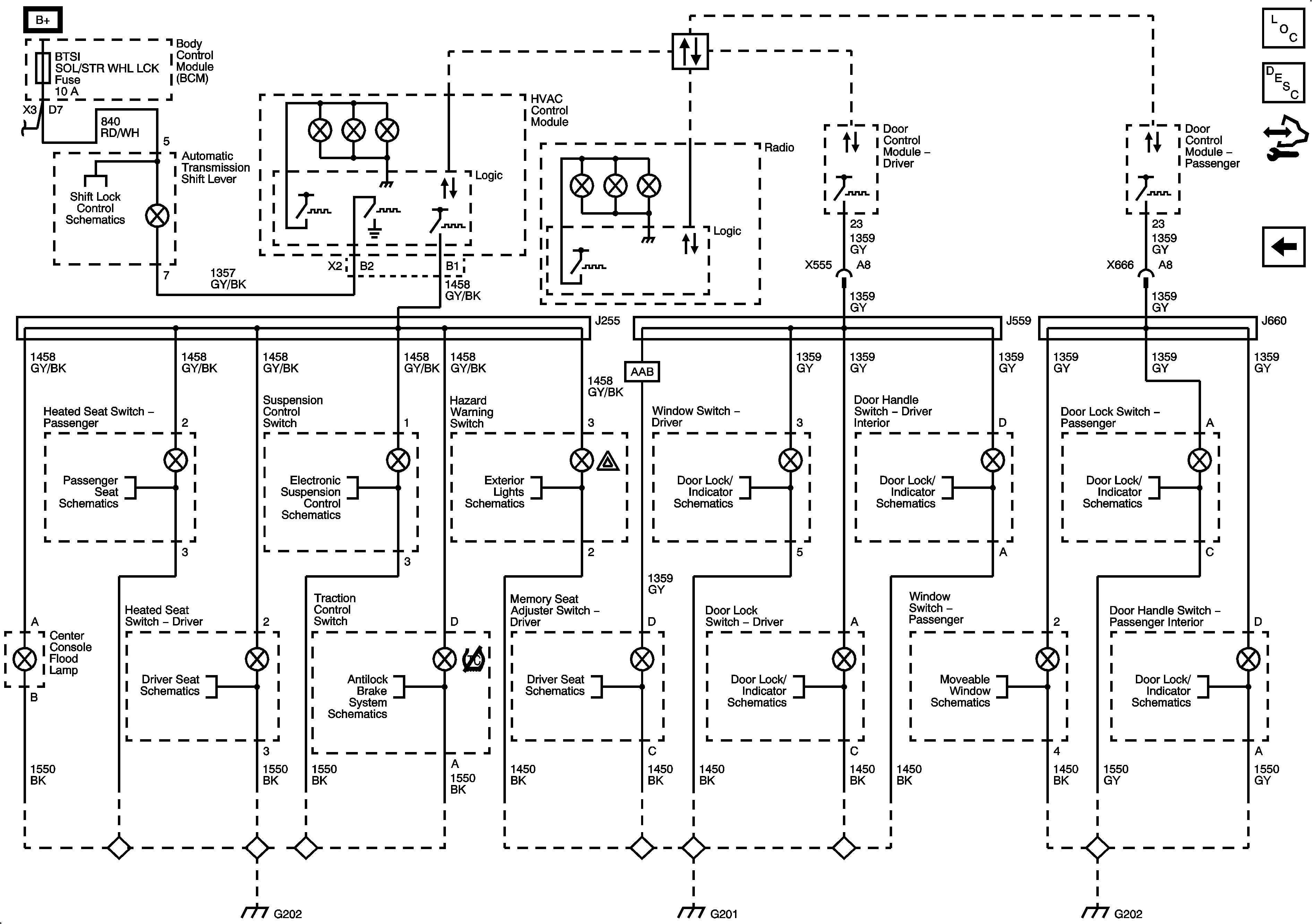
Serial Data Continued, HVAC Control Module, Radio, and Switches
Figure
2:
Serial Data Continued, HVAC Control Module, Radio, and Switches
Master Electrical Component List
Interior Lighting Systems Description and Operation
Control Module References
Dimmer Controls, IPC, Switches, and Serial Data