GM Service Manual Online
For 1990-2009 cars only
Makes
🢒
Chevrolet
🢒
2008
🢒
Corvette
🢒
Body Systems
🢒
Wipers and Washers
🢒 Wiper/Washer Schematics
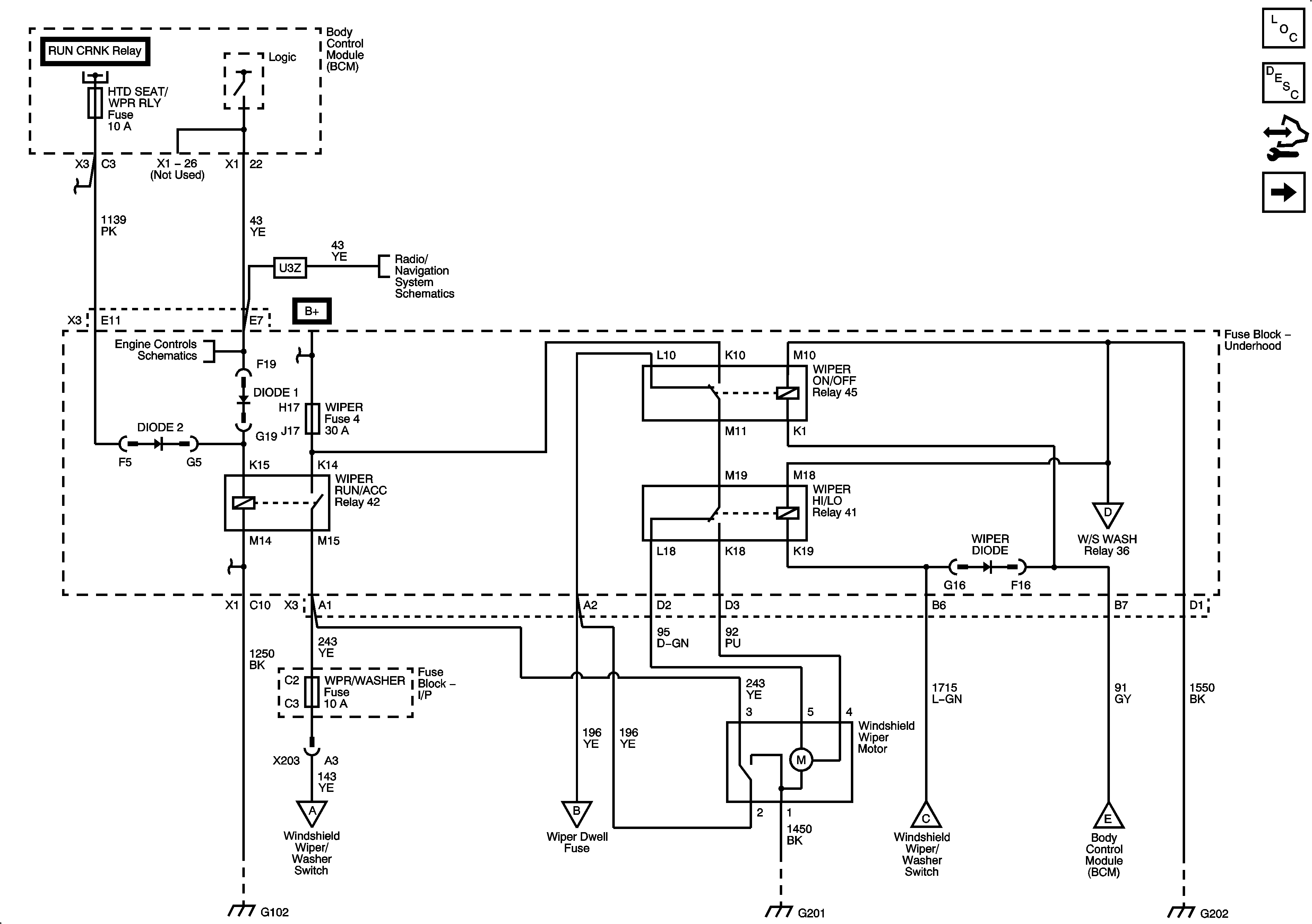
Figure
1:
Power, Ground, and Wiper Motor
Master Electrical Component List
Wiper/Washer System Description and Operation
Control Module References
Pumps, and Switches
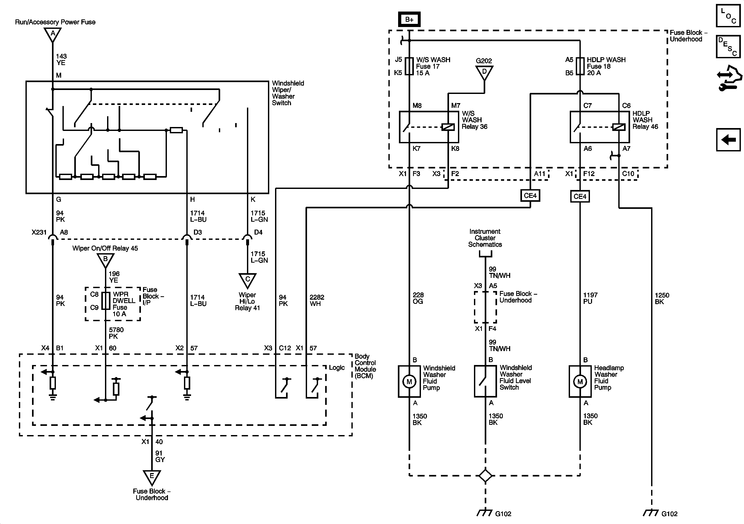
Figure
2:
Pumps, and Switches
Master Electrical Component List
Wiper/Washer System Description and Operation
Control Module References
Power, Ground, and Wiper Motor