GM Service Manual Online
For 1990-2009 cars only
Makes
🢒
Chevrolet
🢒
2008
🢒
Corvette
🢒
Transmission/Transaxle
🢒
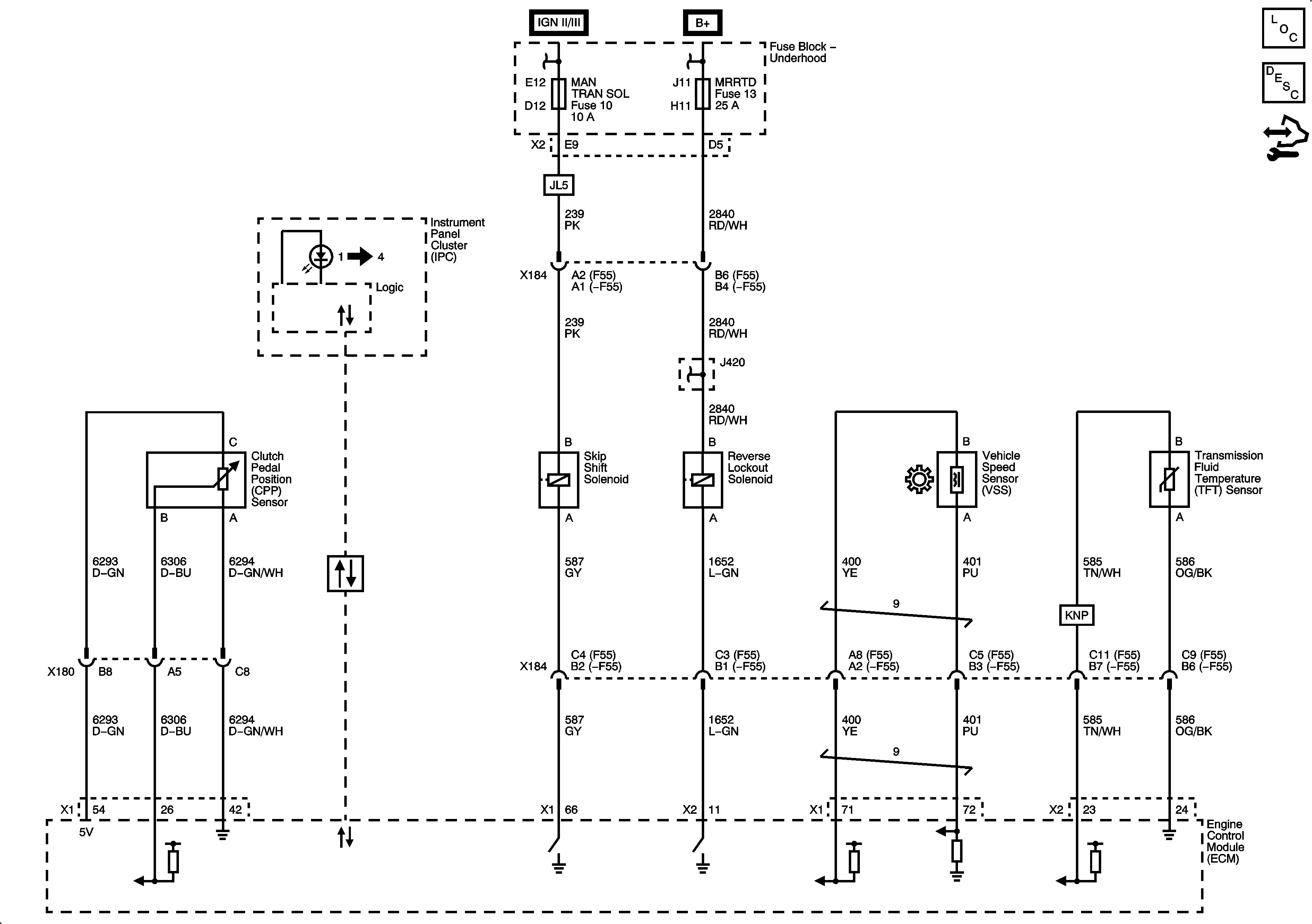
Manual Transmission - Tremec 6-Speed
🢒 Manual Transmission Schematics
Master Electrical Component List
Manual Transmission Description and Operation
Control Module References