GM Service Manual Online
For 1990-2009 cars only

Steering Shaft, Lower Bearing, and Jacket Replacement Manual

Tools Required

J 21854-01 Pivot Pin Remover

Removal Procedure

    Caution: Refer to SIR Caution in the Preface section.


    Object Number: 678058  Size: SH
  1. Disable the SIR system. Refer to SIR Disabling and Enabling.
  2. Remove the wiper/washer switch bracket. Refer to Steering Column Tilt Head Housing Replacement.
  3. Remove the tilt spring. Refer to Steering Column Tilt Spring Replacement.
  4. Remove the steering shaft seal (4).
  5. Remove the sensor retainer (3).
  6. Remove the sensor assembly (2).
  7. Remove the adapter and bearing assembly (1).

  8. Object Number: 295948  Size: SH
  9. Remove the 2 pivot pins (1) from the steering column support assembly using J 21854-01 .

  10. Object Number: 295949  Size: SH
  11. Install the tilt lever.
  12. Pull the tilt lever to disengage the steering column lock shoes from the dowel pins in the steering column tilt head housing assembly.
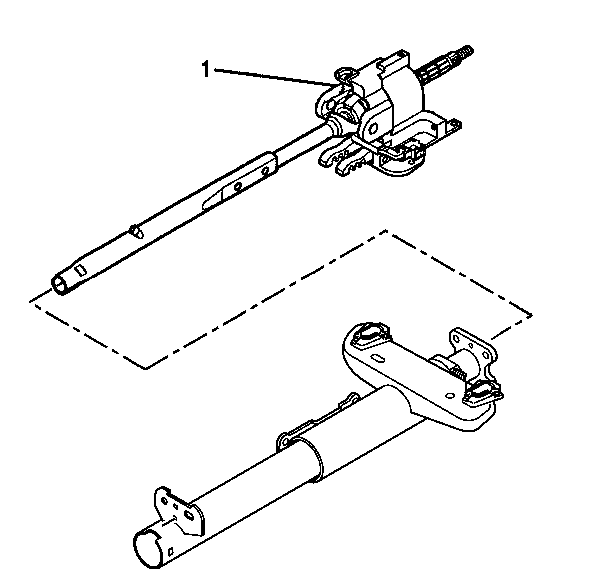
  13. Remove the steering column tilt head housing assembly (1) with the steering shaft assembly from the steering column jacket assembly.

  14. Object Number: 299889  Size: SH
  15. Remove the steering shaft assembly (2) from the steering column tilt head housing assembly (1).

  16. Object Number: 295954  Size: SH

    Important: Carefully mark the parts to ensure proper assembly. Failure to assemble properly will cause the steering wheel to be turned 180 degrees.

  17. Mark the race and upper shaft assembly.
  18. Mark the lower steering shaft assembly.
  19. Tilt the race and upper shaft assembly 90 degrees to the lower steering shaft assembly to disengage.

  20. Object Number: 299877  Size: SH
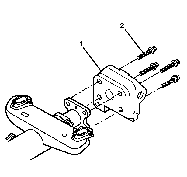
  21. Remove the 4 TORX® head screws (2).
  22. Remove the steering column support assembly (1) from the steering column jacket assembly (3).

Installation Procedure


    Object Number: 299877  Size: SH

    Important: Replace the steering column support assembly if the steering column support assembly has been staked 3 times.

  1. Install the steering column support assembly (1) to the steering column jacket assembly (3).
  2. Notice: Refer to Fastener Notice in the Preface section.

  3. Install the 4 TORX® head screws (2).
  4. Tighten
    Tighten the screws to 18 N·m (13 lb ft).


    Object Number: 299888  Size: SH
  5. Apply GM P/N 12345718 (Canadian P/N 10953516) to the exposed shaft engagement areas on the centering sphere.
  6. Install the lower steering shaft assembly to the race and upper shaft assembly to engage.

  7. Object Number: 299889  Size: SH
  8. Install the steering shaft assembly (2) into the steering column tilt head housing assembly (1).

  9. Object Number: 295949  Size: SH
  10. Install the steering column tilt head housing assembly (1) and the steering shaft assembly to the steering column jacket assembly.

  11. Object Number: 299893  Size: SH

    Important: Replace the steering column support assembly if the steering column support assembly has been staked 3 times.

  12. Install the 2 pivot pins (1) to the steering column support assembly.
  13. Stake the pivot pins locations (1).

  14. Object Number: 678058  Size: SH
  15. Install the adapter and bearing assembly (1) to the steering shaft assembly.
  16. Important: The steering shaft assembly must be rotated to the 12 o'clock position.

  17. Install the sensor assembly (2) onto the steering shaft assembly.
  18. Install the sensor retainer (3) onto the steering shaft assembly.
  19. Install the steering shaft seal (4).
  20. Install the wiper/washer switch bracket. Refer to Steering Column Tilt Head Housing Replacement.
  21. Install the tilt spring. Refer to Steering Column Tilt Spring Replacement.
  22. Enable the SIR system. Refer to SIR Disabling and Enabling.

Steering Shaft, Lower Bearing, and Jacket Replacement Telescoping

Tools Required

J 21854-01 Pivot Pin Remover

Removal Procedure

    Caution: Refer to SIR Caution in the Preface section.

  1. Disable the SIR system. Refer to SIR Disabling and Enabling.
  2. Remove the signal switch housing. Refer to Steering Column Tilt Head Housing Replacement.
  3. Remove the tilt spring only. Refer to Steering Column Tilt Spring Replacement.
  4. Remove the telescoping actuator assembly. Refer to Telescope Actuator Assembly Replacement.
  5. Remove the telescoping motor assembly. Refer to Telescope Motor Assembly Replacement.

  6. Object Number: 678048  Size: SH
  7. Remove the steering shaft seal (5).
  8. Remove the sensor retainer (4).
  9. Remove the sensor assembly (3).
  10. Remove the lower spring retainer (2).
  11. Remove the adapter and bearing assembly (1).

  12. Object Number: 425437  Size: SH
  13. Remove the jacket hole plug (1).

  14. Object Number: 295948  Size: SH
  15. Remove the 2 pivot pins (1) from the steering column support assembly using J 21854-01 .

  16. Object Number: 678050  Size: SH
  17. Disengage the steering column lock shoes from the dowel pins in the steering column tilt head housing assembly (1).
  18. Remove the steering column tilt head housing assembly (1) with the steering shaft assembly from the jacket assembly.

  19. Object Number: 299889  Size: SH
  20. Remove the steering shaft assembly (2) from the steering column tilt head housing assembly (1).

  21. Object Number: 295954  Size: SH

    Important: Carefully mark the parts to ensure proper assembly. Failure to assemble properly will cause the steering wheel to be turned 180 degrees.

  22. Mark the race and upper shaft assembly.
  23. Mark the lower steering shaft assembly.
  24. Tilt the race and upper shaft assembly 90 degrees to the lower steering shaft assembly to disengage.

  25. Object Number: 425442  Size: SH
  26. Remove the 4 TORX® head screws (2).
  27. Remove the steering column support assembly (1) from the jacket assembly.

Installation Procedure


    Object Number: 425442  Size: SH

    Important: Replace the steering column support assembly if the steering column support assembly has been staked 3 times.

  1. Install the steering column support assembly (1) to the jacket assembly.
  2. Notice: Refer to Fastener Notice in the Preface section.

  3. Install the 4 TORX® screws (2).
  4. Tighten
    Tighten the screws to 18 N·m (13 lb ft).


    Object Number: 299888  Size: SH
  5. Apply GM P/N 12345718 (Canadian P/N 10953516) to the exposed shaft engagement areas on the centering sphere.
  6. Install the lower steering shaft assembly to the race and upper shaft assembly to engage.

  7. Object Number: 299889  Size: SH
  8. Install the steering shaft assembly (2) into the steering column tilt head housing assembly (1).

  9. Object Number: 678050  Size: SH
  10. Install the steering column tilt head housing assembly (1) and the steering shaft assembly to the jacket assembly.

  11. Object Number: 425443  Size: SH

    Important: Replace the steering column support assembly if the steering column support assembly has been staked 3 times.

  12. Install the 2 pivot pins (1) to the steering column support assembly.
  13. Stake the pivot pins locations (1).

  14. Object Number: 678048  Size: SH
  15. Install the adapter and bearing assembly (1) to the steering shaft assembly.
  16. Install the lower spring retainer (2) to the adapter and bearing assembly (1).
  17. Important: Rotate the steering shaft assembly to the 12 o'clock position.

  18. Install the sensor assembly (3) onto the steering shaft assembly.
  19. Install the sensor retainer (4) and seal  (5) onto the steering shaft assembly.


    Object Number: 343870  Size: SH
  20. Install the steering shaft seal (1).
  21. Caution: Improper routing of the wire harness assembly may damage the inflatable restraint steering wheel module coil. This may result in a malfunction of the coil, which may cause personal injury.

  22. Install the telescope actuator assembly. Refer to Telescope Actuator Assembly Replacement.
  23. Install the telescope motor assembly. Refer to Telescope Motor Assembly Replacement.
  24. Install the tilt spring only. Refer to Steering Column Tilt Spring Replacement.
  25. Install the signal switch housing. Refer to Steering Column Tilt Head Housing Replacement.
  26. Enable the SIR system. Refer to SIR Disabling and Enabling.